电脑桌面
添加小米粒文库到电脑桌面
安装后可以在桌面快捷访问

山西省建筑工程施工资料管理规程工程管理与验收资料

山西省建筑工程施工资料管理规程工程管理与验收资料_第1页
1/15
山西省建筑工程施工资料管理规程工程管理与验收资料_第2页
2/15
山西省建筑工程施工资料管理规程工程管理与验收资料_第3页
3/15
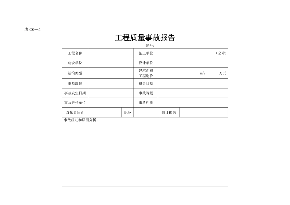
表 C0—1开 工 报 告施工许可证号: 编号:工程名称结构类型建设单位工程地点建筑面积层数施工单位工程批准文号开工条件说明施工图纸交审情况预算造价材料设备准备情况计划开工日期施工现场质量管理检查情况计划竣工日期三通一平情况实际开工日期工程预算编审情况合同工期施工队伍进场情况合同编号施工机械进场情况审核意见建 设 单 位监 理 单 位施 工 单 位项目负责人: (公章) 年 月 日总监理工程师: (公章) 年 月 日单位负责人: (公章) 年 月 日表 C0—4工程质量事故报告编号:工程名称施工单位(公章)建设单位设计单位结构类型建筑面积工程造价m2, 万元事故部位报告日期事故发生日期事故等级事故责任单位事故性质直接责任者职务估计损失事故经过和原因分析:事故初步处理意见:单位技术负责人: 专业技术负责人: 项目经理:表 C0—5工程质量事故处理记录年 月 日 编号:工程名称事故部位事故简况估计损失建筑: 材料设备: 人工费: 伤亡: 其他:事故处理经过:事故处理结果:验建设单位监理单位设计单位施工单位收意见栏项目负责人:(公章)年 月 日 总监理工程师:(公章)年 月 日项目负责人:(公章)年 月 日项目经理:(公章)年 月 日 施工专业技术负责人: 质检员: 专业工长:表 C0—2a编号:建设工程施工竣工报告工程名称施工单位 (公章) 说 明1、使用钢笔、墨笔或计算机打印,填写清楚。2、本表一式二份,一份竣工验收时交建设单位,一份留存。3、建设单位在申请竣工验收备案时需提供本表复印件一份,并加盖建设单位公章.4、本表由施工单位填写.续表工程名称工程地址面积/层数m2 层结构形式建筑总高度米工程造价万元开、竣工日期验收日期建设单位设计单位勘察单位施工单位监理单位施工资质施工概况:项目部相关责任人员:项目经理: 技术负责人: 质量员:安全员: 材料员: 取样员:各工种负责人:分包单位、分包工程内容及分包单位相关责任人:续表检验批、分项、分部、单位工程施工及验收,质量评定情况:质量控制资料核查及安全和功能性检测情况:执行强制性标准,落实质量责任制的情况:续表执行施工合同及设计文件情况:参加竣工预验收及施工质量问题整改情况:工程施工竣工意见:项目总监理工程师签署意见总监理工程师:项目经理签章: 公司技术、质量、生产部门负责人签章:公司负责人签章:年 月 日表 C0-2竣 工 报 告施工许可证号: 编号:工程名称结构类...

1、当您付费下载文档后,您只拥有了使用权限,并不意味着购买了版权,文档只能用于自身使用,不得用于其他商业用途(如 [转卖]进行直接盈利或[编辑后售卖]进行间接盈利)。
2、本站所有内容均由合作方或网友上传,本站不对文档的完整性、权威性及其观点立场正确性做任何保证或承诺!文档内容仅供研究参考,付费前请自行鉴别。
3、如文档内容存在违规,或者侵犯商业秘密、侵犯著作权等,请点击“违规举报”。

碎片内容

山西省建筑工程施工资料管理规程工程管理与验收资料

您可能关注的文档

确认删除?
VIP
微信客服
  • 扫码咨询
会员Q群
  • 会员专属群点击这里加入QQ群
客服邮箱
回到顶部