电脑桌面
添加小米粒文库到电脑桌面
安装后可以在桌面快捷访问

2025年电大数控机床教材内容总结与摘要

2025年电大数控机床教材内容总结与摘要_第1页
1/2
2025年电大数控机床教材内容总结与摘要_第2页
2/2
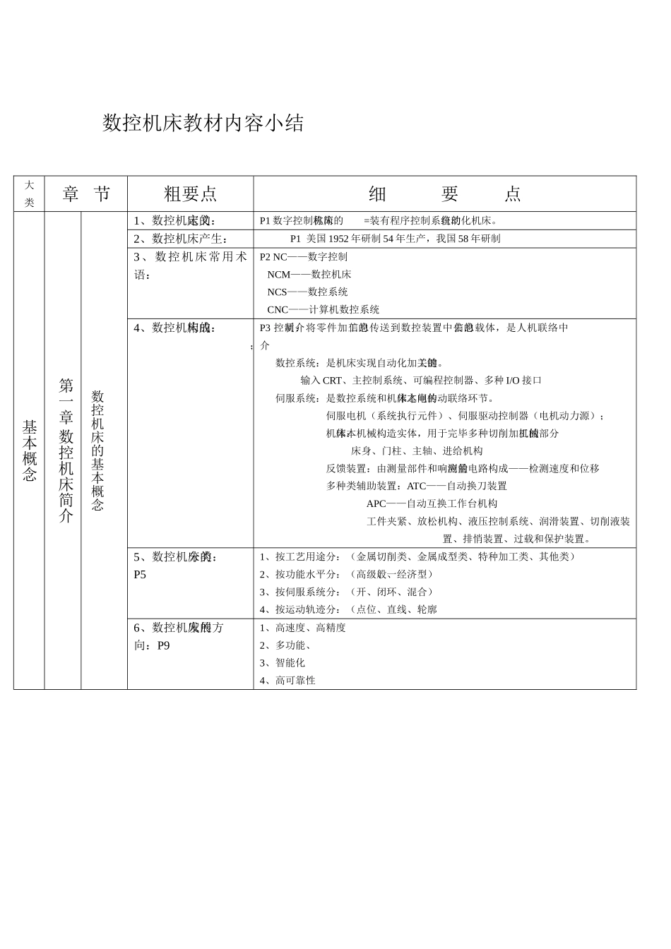
数控机床教材内容小结大类章 节粗要点细 要 点基本概念第一章 数控机床简介数控机床的基本概念1、数控机床的定义:P1 数字控制机床的简称=装有程序控制系统的自动化机床。2、数控机床产生:P1 美国 1952 年研制 54 年生产,我国 58 年研制3、数控机床常用术语:P2 NC——数字控制 NCM——数控机床 NCS——数控系统 CNC——计算机数控系统 4、数控机床的构成:P3 控制介质:将零件加工的信息传送到数控装置中去的信息载体,是人机联络中介;数控系统:是机床实现自动化加工的关键。 输入 CRT、主控制系统、可编程控制器、多种 I/O 接口伺服系统:是数控系统和机床本体之间的电传动联络环节。伺服电机(系统执行元件)、伺服驱动控制器(电机动力源);机床本体:机械构造实体,用于完毕多种切削加工的机械部分 床身、门柱、主轴、进给机构反馈装置:由测量部件和响应的测量电路构成——检测速度和位移多种类辅助装置:ATC——自动换刀装置 APC——自动互换工作台机构 工件夹紧、放松机构、液压控制系统、润滑装置、切削液装置、排悄装置、过载和保护装置。5、数控机床的分类:P51、按工艺用途分:(金属切削类、金属成型类、特种加工类、其他类)2、按功能水平分:(高级、一般、经济型)3、按伺服系统分:(开、闭环、混合)4、按运动轨迹分:(点位、直线、轮廓6、数控机床的发展方向:P91、高速度、高精度2、多功能、3、智能化4、高可靠性应用构造第二章 数控机床机械构造1、构成:P151、主传动系统(主轴)P20 分类:齿轮传送、带传送 作用:产生不一样的主轴切削速度P20 特点:速度高、功率大;变速范围宽;主轴变速迅速、可靠;主轴主件的耐磨性高 构成:电机、传动系统、主轴部件;P20B 变速方式:变速齿轮、带传动、两个电机分别驱动、调速电机直接驱动 P21B2、进给传动系统(X、Y、Z)P25 分类: 作用:负责接受数控系统发出的脉冲指令,并放大和转换后驱动机床运动执行件实现预期的运动。 特点: 构成:减速齿轮、联轴器、3、基本支承件(床身、立柱、导轨、滑座、工作台)4、辅助装置2、重要特点:P161、高静、动刚度及良好的抗振性2、良好的热稳定性3、较高的敏捷度4、高效化的装置、高人性化操作3、构成各部分简介:P201、主传动系统

1、当您付费下载文档后,您只拥有了使用权限,并不意味着购买了版权,文档只能用于自身使用,不得用于其他商业用途(如 [转卖]进行直接盈利或[编辑后售卖]进行间接盈利)。
2、本站所有内容均由合作方或网友上传,本站不对文档的完整性、权威性及其观点立场正确性做任何保证或承诺!文档内容仅供研究参考,付费前请自行鉴别。
3、如文档内容存在违规,或者侵犯商业秘密、侵犯著作权等,请点击“违规举报”。

碎片内容

2025年电大数控机床教材内容总结与摘要

山水人家+ 关注
实名认证
内容提供者

读万卷书,行万里路。

确认删除?
VIP
微信客服
  • 扫码咨询
会员Q群
  • 会员专属群点击这里加入QQ群
客服邮箱
回到顶部