电脑桌面
添加小米粒文库到电脑桌面
安装后可以在桌面快捷访问

工业管道安装工程量清单计价规范

工业管道安装工程量清单计价规范_第1页
1/20
工业管道安装工程量清单计价规范_第2页
2/20
工业管道安装工程量清单计价规范_第3页
3/20
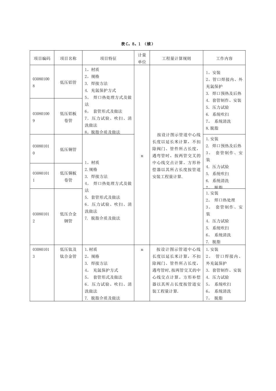
D。8 工业管道工程C。8。1 低压管道。工程量清单项目设置、项目特征描述的内容、计量单位及工程量计算规则,应按表 C。8。1 的规定执行。表 C。8。1 低压管道(编码:030801)项目编码项目名称项目特征计量单位工程量计算规则工作内容030801001低压有缝钢管1。材质2。规格3。连接形式4。套管形式及做法5。 压力试验、吹扫、清洗做法6。脱脂介质及做法m按设计图示管道中心线长度以延长米计算,不扣除阀门、管件所占长度,遇弯管时,按两管交叉的中心线交点计算.方形补偿器以其所占长度按管道安装工程量计算。1。安装2。 套管制作、安装3。 压力试验4。 系统吹扫5。 系统清洗6。 脱脂030801002低压碳钢伴热管1。材质2。规格3。安装位置4。 套管形式及做法5。压力试验、吹扫做法1.安装2。 套管制作、安装3. 压力试验4。系统吹扫030801003低压不锈钢伴热管1。材质2。 规格3. 安装位置4。 套管形式及做法5。压力试验、吹扫做法1。安装2。套管制作、安装3。 压力试验4。系统吹扫030801004低压碳钢管1。 材质2。 规格3。 焊接方法4。 套管形式及做法5。 压力试验、吹扫、清洗做法6.油清洗、脱脂介质及做法1。安装2. 套管制作、安装3。 压力试验4。系统吹扫5。 系统清洗6。 油清洗7。 脱脂030801005低压碳钢板卷管030801006低压不锈钢管1。材质2。规格3。 焊接方法4。 充氩保护方式5。 套管形式及做法6.压力试验、吹扫、清洗做法7 。 油清洗、脱脂介质及做法m 按设计图示管道中心线长度以延长米计算,不扣除阀门、管件所占长度,遇弯管时,按两管交叉的中心线交点计算。方形补偿器以其所占长度按管道安装工程量计算。1。安装2. 管口焊接内、外充氩保护3。 套管制作、安装4. 压力试验5。系统吹扫6。 系统清洗7。 油清洗8。 脱脂030801007低压不锈钢板卷管表 C。8。1 (续)项目编码项目名称项目特征计量单位工程量计算规则工作内容030801008低压铝管1。材质2。规格3. 焊接方法4. 充氩保护方式5。 焊口热处理方式及做法 6。 套管形式及做法7.压力试验、吹扫、清洗做法8。脱脂介质及做法m 按设计图示管道中心线长度以延长米计算,不扣除阀门、管件所占长度,遇弯管时,按两管交叉的中心线交点计算。方形补偿器以其所占长度按管道安装工程量计算.1。安装2。管口焊接内、外充氩保护3. 焊口预热及后热4.套管制作、安装5.压力试验6. 系统吹扫7。 系统清洗8.脱脂 030801009低压铝板卷管030801010低压铜管1。...

1、当您付费下载文档后,您只拥有了使用权限,并不意味着购买了版权,文档只能用于自身使用,不得用于其他商业用途(如 [转卖]进行直接盈利或[编辑后售卖]进行间接盈利)。
2、本站所有内容均由合作方或网友上传,本站不对文档的完整性、权威性及其观点立场正确性做任何保证或承诺!文档内容仅供研究参考,付费前请自行鉴别。
3、如文档内容存在违规,或者侵犯商业秘密、侵犯著作权等,请点击“违规举报”。

碎片内容

工业管道安装工程量清单计价规范

您可能关注的文档

范哲铺+ 关注
实名认证
内容提供者

想你所想,急你所急,你需要的都在店铺里可以找到。

确认删除?
VIP
微信客服
  • 扫码咨询
会员Q群
  • 会员专属群点击这里加入QQ群
客服邮箱
回到顶部