电脑桌面
添加小米粒文库到电脑桌面
安装后可以在桌面快捷访问

2025年井下作业题库初级操作技能VIP专享

2025年井下作业题库初级操作技能_第1页
1/49
2025年井下作业题库初级操作技能_第2页
2/49
2025年井下作业题库初级操作技能_第3页
3/49
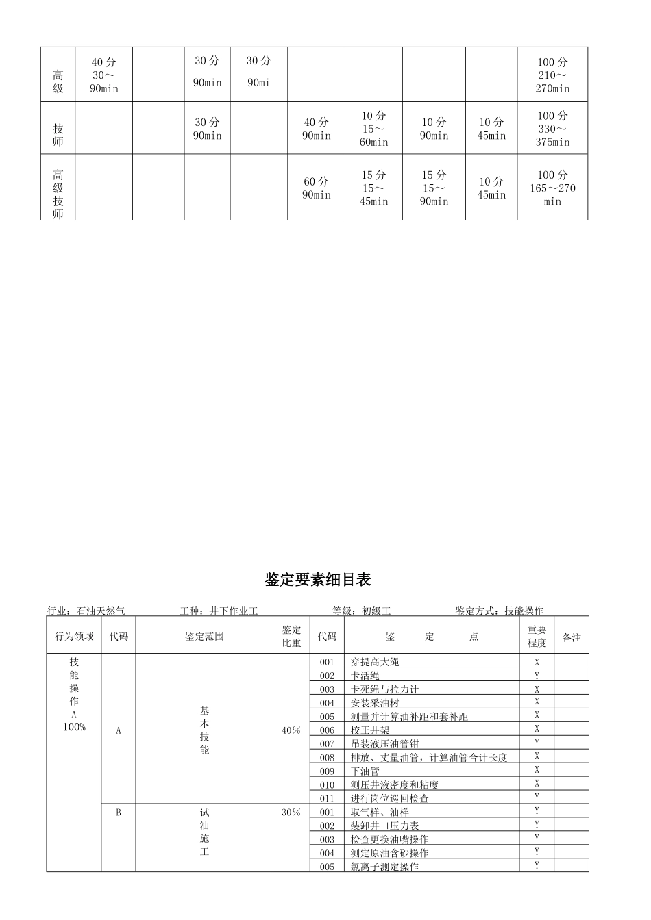
第二部分 初级工技能操作试题考核内容层次构造表级别技能操作综合能力合计基本技能试油施工措施施工大修施工施工方案编制培训指导论文答辩计算机操作初级40 分15~90min30 分30~60min30 分40~60min100 分85~210min中级40 分30~90min30 分90min30 分90min选一项100 分210~270min高级40 分30~90min30 分90min30 分90mi100 分210~270min技师30 分90min40 分90min10 分15~60min10 分90min10 分45min100 分330~375min高级技师60 分90min15 分15~45min15 分15~90min 10 分45min100 分165~270 min鉴定要素细目表行业:石油天然气 工种:井下作业工 等级:初级工 鉴定方式:技能操作行为领域代码鉴定范围鉴定比重代码鉴 定 点重要程度备注技能操作A100%A基本技能40%001穿提高大绳X002卡活绳Y003卡死绳与拉力计X004安装采油树X005测量并计算油补距和套补距X006校正井架X007吊装液压油管钳Y008排放、丈量油管,计算油管合计长度X009下油管X010测压井液密度和粘度X011进行岗位巡回检查YB试油施工30%001取气样、油样Y002装卸井口压力表Y003检查更换油嘴操作Y004测定原油含砂操作Y005氯离子测定操作Y006原油含水测定操作X007卡抽汲绳帽X008抽汲排液XC措施施工30%001拨游梁式抽油机驴头X002用通井机调防冲距X注:X—关键要素;Y—一般要素;Z—辅助要素。初级工技能操作试题一、AA001 穿提高大绳1. 准备规定(1)材料准备:序 号名 称规 格单 位数 量备 注1提高大绳φ22mmm240绳长不小于井架高度的 10 倍加30m2棕绳φ19mmm50做引绳3白棕绳坯 根若干根据实际状况准备4细铁丝m少许(2)设备准备:序 号名 称规 格单 位数 量备 注1通井机XJ-12台1其他型号亦可,根据实际状况准备2作业井架BJ-18个1其他型号亦可,根据实际状况准备3游动滑车C-1000台1其他型号亦可,根据实际状况准备(3)工具、用品准备:序 号名 称规 格单 位数 量备 注1活动扳手300mm×36mm把12活动扳手375mm×46mm把13手钳200mm个14安全带 条2现场安全规定备用 1 条5绳卡子Y7-22个10(4)考场准备:室外作业场地 60m×60m,平坦、无积水,多种工具、用品齐全好用。2.操作程序的规定及阐明(1)准备工作。(2)穿大绳时,需要 1 人上井架操作,1 人在地面指挥,其他人员听从指挥,统一动作,互相配合。(3)提高大绳所使用的 φ22mm 的钢丝绳,不得有松股扭折,每一扭断丝不超过 5 丝。(4)新启用的钢丝绳应在穿大绳...

1、当您付费下载文档后,您只拥有了使用权限,并不意味着购买了版权,文档只能用于自身使用,不得用于其他商业用途(如 [转卖]进行直接盈利或[编辑后售卖]进行间接盈利)。
2、本站所有内容均由合作方或网友上传,本站不对文档的完整性、权威性及其观点立场正确性做任何保证或承诺!文档内容仅供研究参考,付费前请自行鉴别。
3、如文档内容存在违规,或者侵犯商业秘密、侵犯著作权等,请点击“违规举报”。

碎片内容

2025年井下作业题库初级操作技能

您可能关注的文档

确认删除?
VIP
微信客服
  • 扫码咨询
会员Q群
  • 会员专属群点击这里加入QQ群
客服邮箱
回到顶部