电脑桌面
添加小米粒文库到电脑桌面
安装后可以在桌面快捷访问

2025年数控车床工中级理论知识试题VIP专享

2025年数控车床工中级理论知识试题_第1页
1/100
2025年数控车床工中级理论知识试题_第2页
2/100
2025年数控车床工中级理论知识试题_第3页
3/100
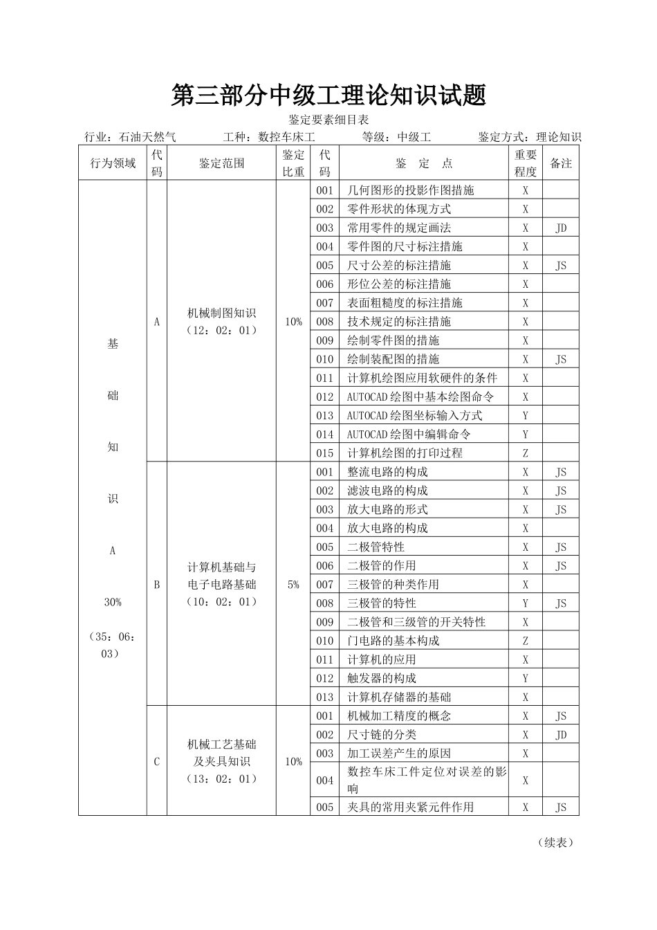
第三部分中级工理论知识试题鉴定要素细目表行业:石油天然气 工种:数控车床工 等级:中级工 鉴定方式:理论知识行为领域代码鉴定范围鉴定比重代码鉴 定 点重要程度备注基础知识A30%(35:06:03)A机械制图知识(12:02:01)10%001几何图形的投影作图措施X002零件形状的体现方式X003常用零件的规定画法XJD004零件图的尺寸标注措施X005尺寸公差的标注措施XJS006形位公差的标注措施X007表面粗糙度的标注措施X008技术规定的标注措施X009绘制零件图的措施X010绘制装配图的措施XJS011计算机绘图应用软硬件的条件X012AUTOCAD 绘图中基本绘图命令X013AUTOCAD 绘图坐标输入方式Y014AUTOCAD 绘图中编辑命令Y015计算机绘图的打印过程ZB计算机基础与电子电路基础(10:02:01)5%001整流电路的构成XJS002滤波电路的构成XJS003放大电路的形式XJS004放大电路的构成X005二极管特性XJS006二极管的作用XJS007三极管的种类作用X008三极管的特性YJS009二极管和三级管的开关特性X010门电路的基本构成Z011计算机的应用X012触发器的构成Y013计算机存储器的基础XC机械工艺基础及夹具知识(13:02:01)10%001机械加工精度的概念XJS002尺寸链的分类XJD003加工误差产生的原因X004数控车床工件定位对误差的影响X005夹具的常用夹紧元件作用XJS(续表)行为领域代码鉴定范围鉴定比重代码鉴 定 点重要程度备注基础知识A30%(35:06:03)C机械工艺基础及夹具知识(13:02:01)10%006夹具的常用定位元件作用XJD007数控车床夹具的构造特点Z008机床夹具的定位X009机床夹具的分类X010机床夹具的作用X011工件定位尺寸X012工件的安装误差表达符号X013工件定位的基本原理X014工艺规程的概念Y015机械加工工艺性的应用Y016定位基准的选择X专业知识B70%(83:16:07)A一般车床基础知识(08:02:01)10%001CA6140 型车床重要技术参数XJD.JS002CA6140 型车床主轴部件的构造YJD.JS003CA6140 型车床双向多片式摩擦离合器的构造X004CA6140 型车床纵向机动进给操纵机构的构造作用XJD005CA6140 型车床横向机动进给操纵机构的构造作用X006CA6140 型车床超越离合器的构造作用X007CA6140 型车床安全离合器的构造作用XJD008CA6140 型车床互锁机构的构造作用X009CA6140 型车床主运动传动链构造YJS010CA6140 型车床刀架的构造作用X011CA6140 型车床主运动传动链ZB数控车床的机械构造(12:02:01)10%001数控车床的机械构造构成X002数控车床的主传动系统的特点X003数控车床的...

1、当您付费下载文档后,您只拥有了使用权限,并不意味着购买了版权,文档只能用于自身使用,不得用于其他商业用途(如 [转卖]进行直接盈利或[编辑后售卖]进行间接盈利)。
2、本站所有内容均由合作方或网友上传,本站不对文档的完整性、权威性及其观点立场正确性做任何保证或承诺!文档内容仅供研究参考,付费前请自行鉴别。
3、如文档内容存在违规,或者侵犯商业秘密、侵犯著作权等,请点击“违规举报”。

碎片内容

2025年数控车床工中级理论知识试题

您可能关注的文档

确认删除?
VIP
微信客服
  • 扫码咨询
会员Q群
  • 会员专属群点击这里加入QQ群
客服邮箱
回到顶部