电脑桌面
添加小米粒文库到电脑桌面
安装后可以在桌面快捷访问

工程技术复核单

工程技术复核单_第1页
1/17
工程技术复核单_第2页
2/17
工程技术复核单_第3页
3/17
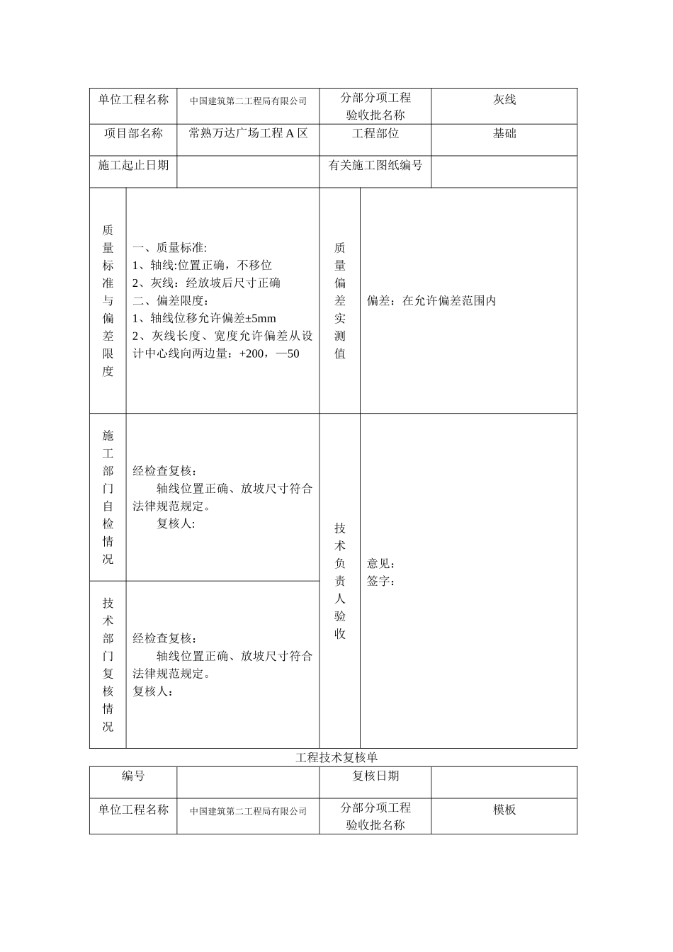
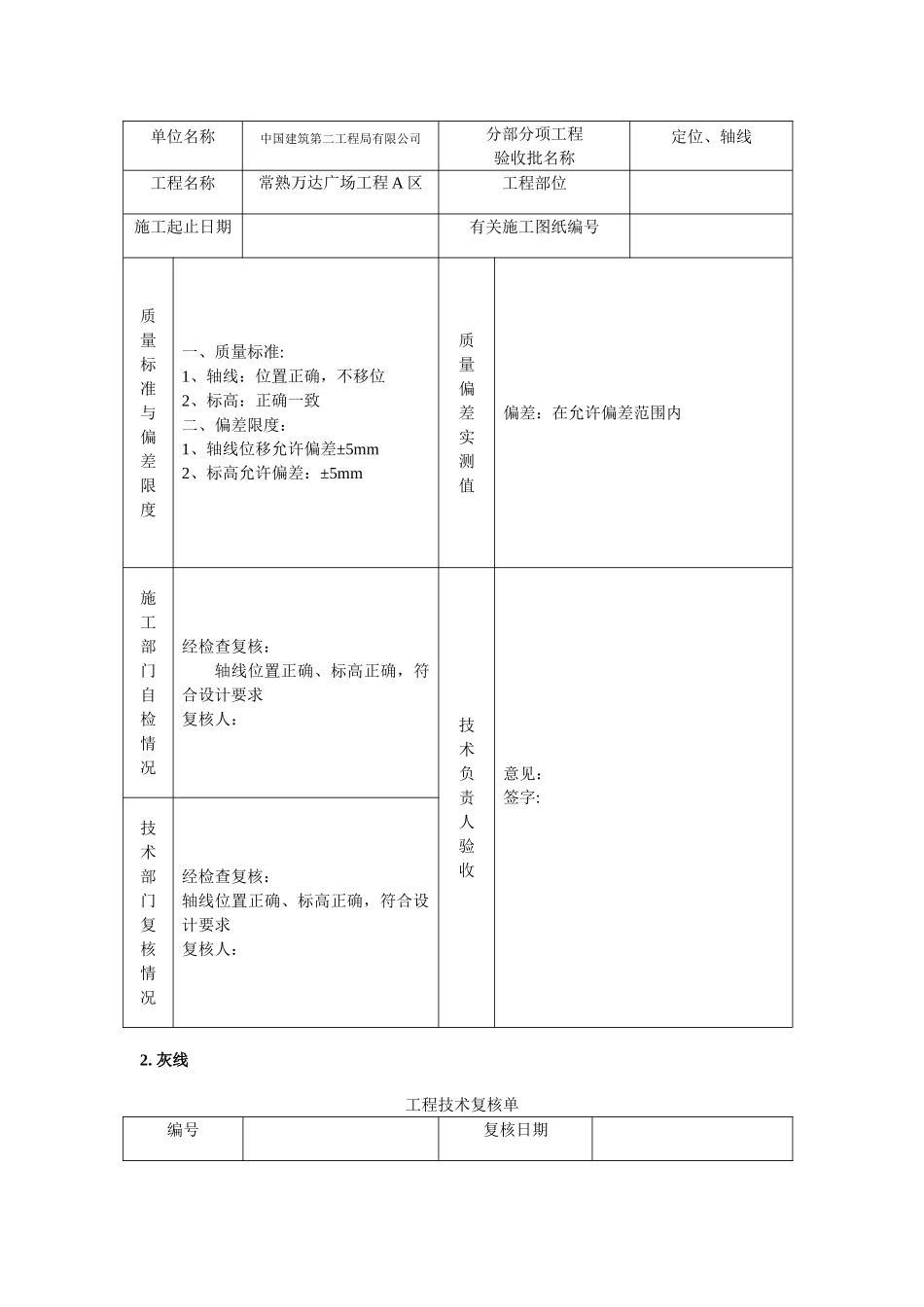
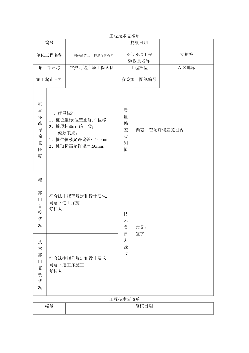
工程技术复核单编号复核日期单位工程名称中国建筑第二工程局有限公司分部分项工程验收批名称支护桩项目部名称常熟万达广场工程 A 区工程部位A 区地库施工起止日期有关施工图纸编号质量标准与偏差限度一、质量标准:1、桩位坐标:位置正确,不位移;2、桩顶标高:正确一致;二、偏差限度:1、桩位位移允许偏差:100mm;2、桩顶标高允许偏差:50mm;质量偏差实测值偏差:在允许偏差范围内施工部门自检情况符合法律规范规定和设计要求,同意下道工序施工复核人:技术负责人验收意见:签字:技术部门复核情况符合法律规范规定和设计要求,同意下道工序施工复核人:工程技术复核单编号复核日期单位名称中国建筑第二工程局有限公司分部分项工程验收批名称定位、轴线工程名称常熟万达广场工程 A 区工程部位施工起止日期有关施工图纸编号质量标准与偏差限度一、质量标准:1、轴线:位置正确,不移位2、标高:正确一致二、偏差限度:1、轴线位移允许偏差±5mm2、标高允许偏差:±5mm质量偏差实测值偏差:在允许偏差范围内施工部门自检情况经检查复核:轴线位置正确、标高正确,符合设计要求复核人:技术负责人验收意见:签字:技术部门复核情况经检查复核:轴线位置正确、标高正确,符合设计要求复核人:2. 灰线工程技术复核单编号复核日期单位工程名称中国建筑第二工程局有限公司分部分项工程验收批名称灰线项目部名称常熟万达广场工程 A 区工程部位基础施工起止日期有关施工图纸编号质量标准与偏差限度一、质量标准:1、轴线:位置正确,不移位2、灰线:经放坡后尺寸正确二、偏差限度:1、轴线位移允许偏差±5mm2、灰线长度、宽度允许偏差从设计中心线向两边量:+200,—50质量偏差实测值偏差:在允许偏差范围内施工部门自检情况经检查复核:轴线位置正确、放坡尺寸符合法律规范规定。复核人:技术负责人验收意见:签字:技术部门复核情况经检查复核:轴线位置正确、放坡尺寸符合法律规范规定。复核人:工程技术复核单编号复核日期单位工程名称中国建筑第二工程局有限公司分部分项工程验收批名称模板项目部名称常熟万达广场工程 A 区工程部位施工起止日期有关施工图纸编号质量标准与偏差限度一、质量标准:模板具有足够的强度.刚度和稳定性、支撑牢固二、偏差限度:1、标高允许偏差:±5mm2、断面尺寸允许偏差:±10mm3、相邻两板高低差:2mm4、接缝宽度允许偏差:2。5mm5、表面平整度允许偏差:5mm质量偏差实测值偏差原因:1、量具偏差2、施工操作偏差3、模板偏...

1、当您付费下载文档后,您只拥有了使用权限,并不意味着购买了版权,文档只能用于自身使用,不得用于其他商业用途(如 [转卖]进行直接盈利或[编辑后售卖]进行间接盈利)。
2、本站所有内容均由合作方或网友上传,本站不对文档的完整性、权威性及其观点立场正确性做任何保证或承诺!文档内容仅供研究参考,付费前请自行鉴别。
3、如文档内容存在违规,或者侵犯商业秘密、侵犯著作权等,请点击“违规举报”。

碎片内容

工程技术复核单

确认删除?
VIP
微信客服
  • 扫码咨询
会员Q群
  • 会员专属群点击这里加入QQ群
客服邮箱
回到顶部