电脑桌面
添加小米粒文库到电脑桌面
安装后可以在桌面快捷访问

工程接收证书

工程接收证书_第1页
1/3
工程接收证书_第2页
2/3
工程接收证书_第3页
3/3
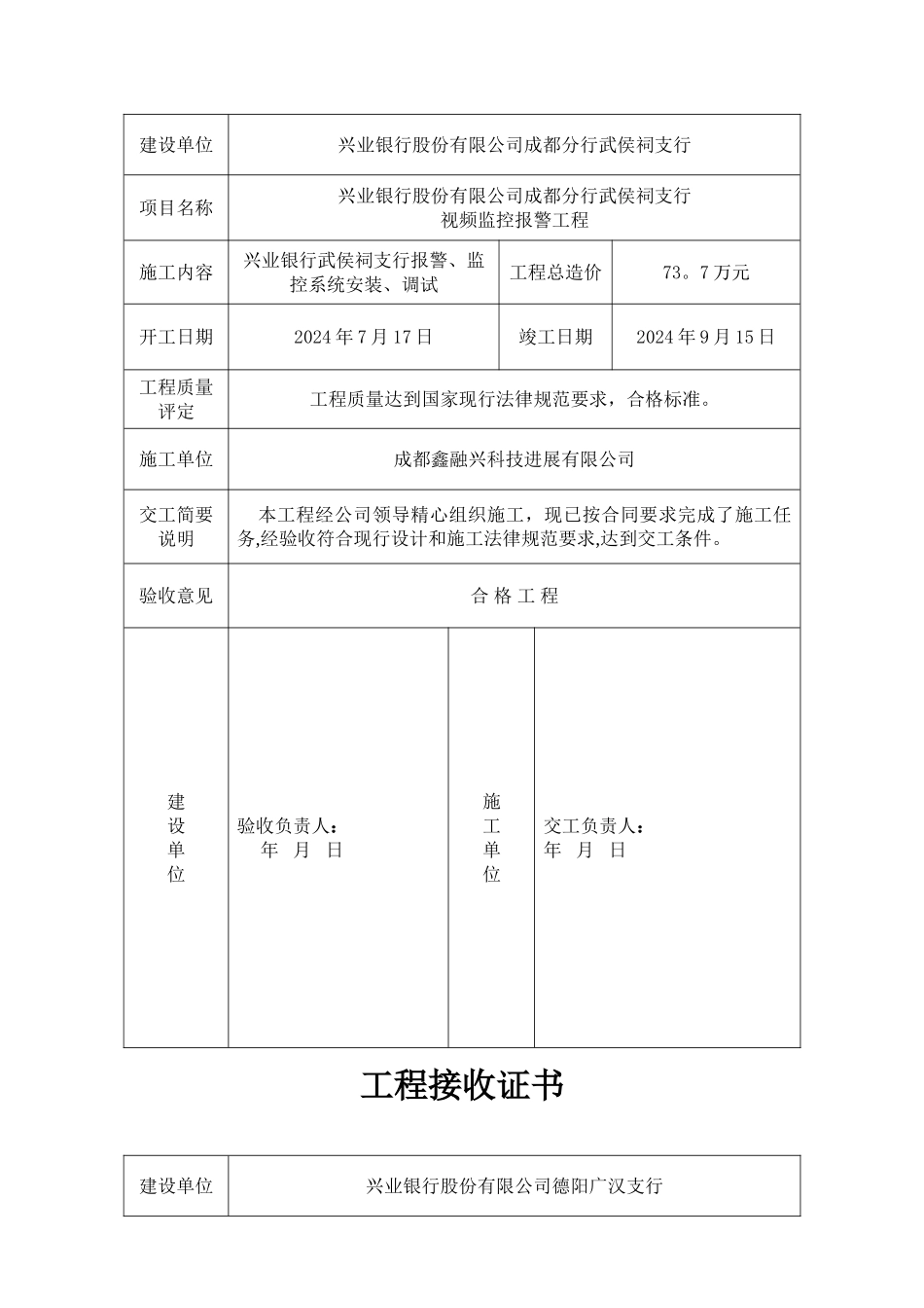
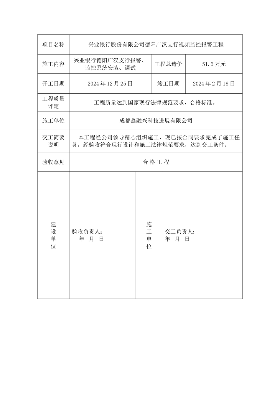
工程接收证书建设单位兴业银行股份有限公司泸州分行项目名称兴业银行股份有限公司泸州分行视频监控报警工程施工内容兴业银行泸州分行报警、监控系统安装、调试工程总造价59.2 万元开工日期2024 年 3 月 14 日竣工日期2024 年 5 月 28 日工程质量评定工程质量达到国家现行法律规范要求,合格标准。施工单位成都鑫融兴科技进展有限公司交工简要说明 本工程经公司领导精心组织施工,现已按合同要求完成了施工任务,经验收符合现行设计和施工法律规范要求,达到交工条件.验收意见合 格 工 程建设单位验收负责人: 年 月 日施工单位交工负责人:年 月 日工程接收证书建设单位兴业银行股份有限公司成都分行武侯祠支行项目名称兴业银行股份有限公司成都分行武侯祠支行视频监控报警工程施工内容兴业银行武侯祠支行报警、监控系统安装、调试工程总造价73。7 万元开工日期2024 年 7 月 17 日竣工日期2024 年 9 月 15 日工程质量评定工程质量达到国家现行法律规范要求,合格标准。施工单位成都鑫融兴科技进展有限公司交工简要说明 本工程经公司领导精心组织施工,现已按合同要求完成了施工任务,经验收符合现行设计和施工法律规范要求,达到交工条件。验收意见合 格 工 程建设单位验收负责人: 年 月 日施工单位交工负责人:年 月 日工程接收证书建设单位兴业银行股份有限公司德阳广汉支行项目名称兴业银行股份有限公司德阳广汉支行视频监控报警工程施工内容兴业银行德阳广汉支行报警、监控系统安装、调试工程总造价51.5 万元开工日期2024 年 12 月 25 日竣工日期2024 年 2 月 16 日工程质量评定工程质量达到国家现行法律规范要求,合格标准。施工单位成都鑫融兴科技进展有限公司交工简要说明 本工程经公司领导精心组织施工,现已按合同要求完成了施工任务,经验收符合现行设计和施工法律规范要求,达到交工条件。验收意见合 格 工 程建设单位验收负责人: 年 月 日施工单位交工负责人:年 月 日

1、当您付费下载文档后,您只拥有了使用权限,并不意味着购买了版权,文档只能用于自身使用,不得用于其他商业用途(如 [转卖]进行直接盈利或[编辑后售卖]进行间接盈利)。
2、本站所有内容均由合作方或网友上传,本站不对文档的完整性、权威性及其观点立场正确性做任何保证或承诺!文档内容仅供研究参考,付费前请自行鉴别。
3、如文档内容存在违规,或者侵犯商业秘密、侵犯著作权等,请点击“违规举报”。

碎片内容

工程接收证书

确认删除?
VIP
微信客服
  • 扫码咨询
会员Q群
  • 会员专属群点击这里加入QQ群
客服邮箱
回到顶部