电脑桌面
添加小米粒文库到电脑桌面
安装后可以在桌面快捷访问

工程测量控制点移交记录

工程测量控制点移交记录_第1页
1/2
工程测量控制点移交记录_第2页
2/2
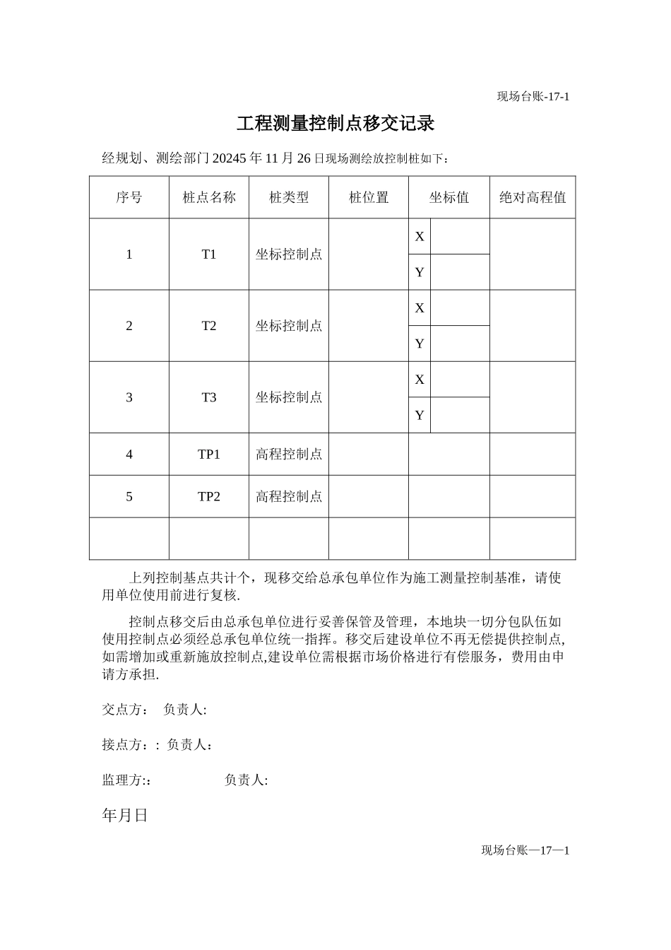
现场台账-17-1工程测量控制点移交记录经规划、测绘部门 20245 年 11 月 26 日现场测绘放控制桩如下:序号桩点名称桩类型桩位置坐标值绝对高程值1T1坐标控制点XY2T2坐标控制点XY3T3坐标控制点XY4TP1高程控制点5TP2高程控制点上列控制基点共计个,现移交给总承包单位作为施工测量控制基准,请使用单位使用前进行复核.控制点移交后由总承包单位进行妥善保管及管理,本地块一切分包队伍如使用控制点必须经总承包单位统一指挥。移交后建设单位不再无偿提供控制点,如需增加或重新施放控制点,建设单位需根据市场价格进行有偿服务,费用由申请方承担.交点方: 负责人:接点方:: 负责人:监理方:: 负责人:年月日现场台账—17—1水产地块工程测量控制点移交记录经规划、测绘部门 2024 年 11 月 26 日现场测绘放坐标、高程控制桩,其中坐标控制桩 3 个,高程控制桩 2 个。现移交给总承包单位作为施工测量控制基准,请使用单位使用前进行复核。控制点移交后由总承包单位进行妥善保管及管理,本地块一切分包队伍如使用控制点必须经总承包单位统一指挥.移交后建设单位不再无偿提供控制点,如需增加或重新施放控制点,建设单位需根据市场价格进行有偿服务,费用由申请方承担.后附:控制桩测量报告交点方: 负责人:接点方: 负责人:监理方: 负责人:年月日现场台账—17-1水产地块地界红线桩点移交记录经规划、测绘部门 2024 年 11 月 19 日现场测绘放地界红线桩点 1—10 号点.现移交给总承包单位作为地界控制及场地围合使用,请使用单位使用前进行复核.红线桩点移交后由总承包单位进行妥善保管及管理,本地块一切分包队伍如使用该点必须经总承包单位统一指挥。移交后建设单位不再无偿提供红线桩点,如需增加或重新施放该点,建设单位需根据市场价格进行有偿服务,费用由申请方承担。后附:水产地块出让宗地平面界址点示意图及成果表交点方: 负责人:接点方: 负责人:监理方: 负责人: 年 月 日

1、当您付费下载文档后,您只拥有了使用权限,并不意味着购买了版权,文档只能用于自身使用,不得用于其他商业用途(如 [转卖]进行直接盈利或[编辑后售卖]进行间接盈利)。
2、本站所有内容均由合作方或网友上传,本站不对文档的完整性、权威性及其观点立场正确性做任何保证或承诺!文档内容仅供研究参考,付费前请自行鉴别。
3、如文档内容存在违规,或者侵犯商业秘密、侵犯著作权等,请点击“违规举报”。

碎片内容

工程测量控制点移交记录

您可能关注的文档

一帆文传+ 关注
实名认证
内容提供者

欢迎光临店铺,各类公文供您挑选。

确认删除?
VIP
微信客服
  • 扫码咨询
会员Q群
  • 会员专属群点击这里加入QQ群
客服邮箱
回到顶部