电脑桌面
添加小米粒文库到电脑桌面
安装后可以在桌面快捷访问

工程绿色施工方案--

工程绿色施工方案--_第1页
1/10
工程绿色施工方案--_第2页
2/10
工程绿色施工方案--_第3页
3/10
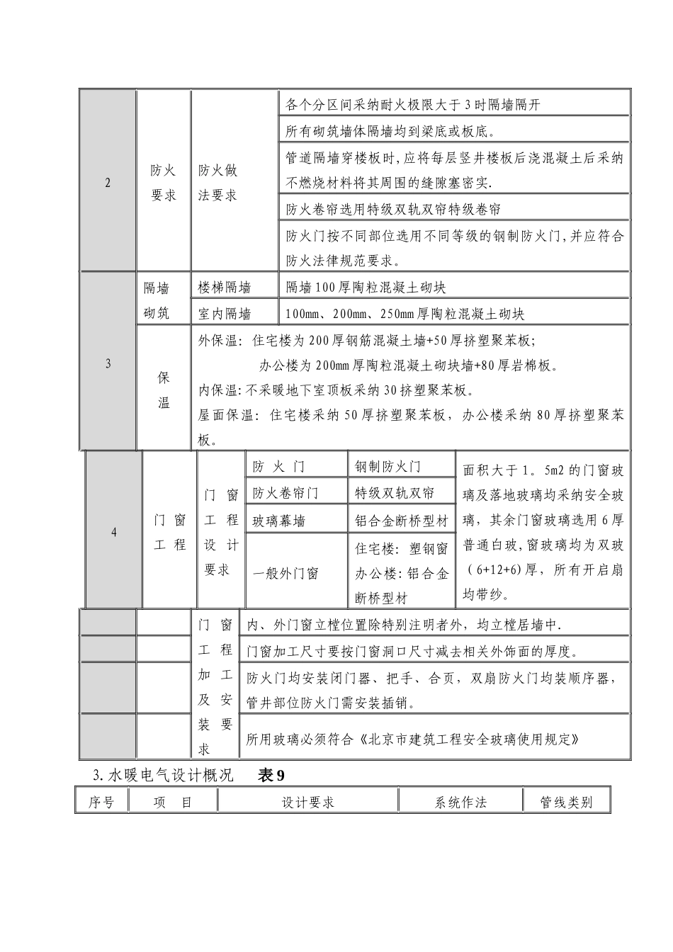
目 录1。工程概况……………………………………………………………22。绿色施工概念………………………………………………………23。绿色施工原则………………………………………………………24.绿色施工要点………………………………………………………25。实施绿色施工技术要点……………………………………………36。环境保护技术要点…………………………………………………37。节材与材料利用技术要点…………………………………………58.节水与水资源利用技术要点………………………………………79。节能与能源利用技术要点…………………………………………710.节地与施工用地保护技术要点…………………………………8为落实市建委《关于在全市建设工程推行绿色施工的通知》(京建施[2024]651 号)文件精神,推动集团绿色施工工作,节约资源、保护环境、保障广阔施工人员健康安全,全面提升集团工程项目科学管理水平,特制定本绿色施工方案。一、工程概况1。总体简介 表 6 序 号项 目内 容1工程名称2工程地址3施工单位4投资性质5承包范围6工 期 要 求7合同质量等级合 格2。建筑设计概况 表 7序号项目内 容1建筑功能办公楼:地下三层为平常车库兼做战时人防物资库,地下二层、地下一层为车库及设备用房,首层为邮局。二层为局部邮局,其它为办公用房,三层以上为办公用房,屋顶层为设备用房。住宅楼:地下三层平常仓库兼做战时人员掩蔽所,地下二层、地下一层为设备用房,首层以上为住宅。2防火要求防火做法要求各个分区间采纳耐火极限大于 3 时隔墙隔开所有砌筑墙体隔墙均到梁底或板底。管道隔墙穿楼板时,应将每层竖井楼板后浇混凝土后采纳不燃烧材料将其周围的缝隙塞密实.防火卷帘选用特级双轨双帘特级卷帘防火门按不同部位选用不同等级的钢制防火门,并应符合防火法律规范要求。3隔墙砌筑楼梯隔墙隔墙 100 厚陶粒混凝土砌块室内隔墙100mm、200mm、250mm 厚陶粒混凝土砌块保温外保温:住宅楼为 200 厚钢筋混凝土墙+50 厚挤塑聚苯板;办公楼为 200mm 厚陶粒混凝土砌块墙+80 厚岩棉板。内保温:不采暖地下室顶板采纳 30 挤塑聚苯板。屋面保温:住宅楼采纳 50 厚挤塑聚苯板,办公楼采纳 80 厚挤塑聚苯板。4门 窗工 程门 窗工 程设 计 要求防 火 门钢制防火门面积大于 1。5m2 的门窗玻璃及落地玻璃均采纳安全玻璃,其余门窗玻璃选用 6 厚普通白玻,窗玻璃均为双玻(6+12+6)厚,所有开启扇均带纱。防火卷...

1、当您付费下载文档后,您只拥有了使用权限,并不意味着购买了版权,文档只能用于自身使用,不得用于其他商业用途(如 [转卖]进行直接盈利或[编辑后售卖]进行间接盈利)。
2、本站所有内容均由合作方或网友上传,本站不对文档的完整性、权威性及其观点立场正确性做任何保证或承诺!文档内容仅供研究参考,付费前请自行鉴别。
3、如文档内容存在违规,或者侵犯商业秘密、侵犯著作权等,请点击“违规举报”。

碎片内容

工程绿色施工方案--

您可能关注的文档

确认删除?
VIP
微信客服
  • 扫码咨询
会员Q群
  • 会员专属群点击这里加入QQ群
客服邮箱
回到顶部