电脑桌面
添加小米粒文库到电脑桌面
安装后可以在桌面快捷访问

工程质量控制目标分解

工程质量控制目标分解_第1页
1/16
工程质量控制目标分解_第2页
2/16
工程质量控制目标分解_第3页
3/16
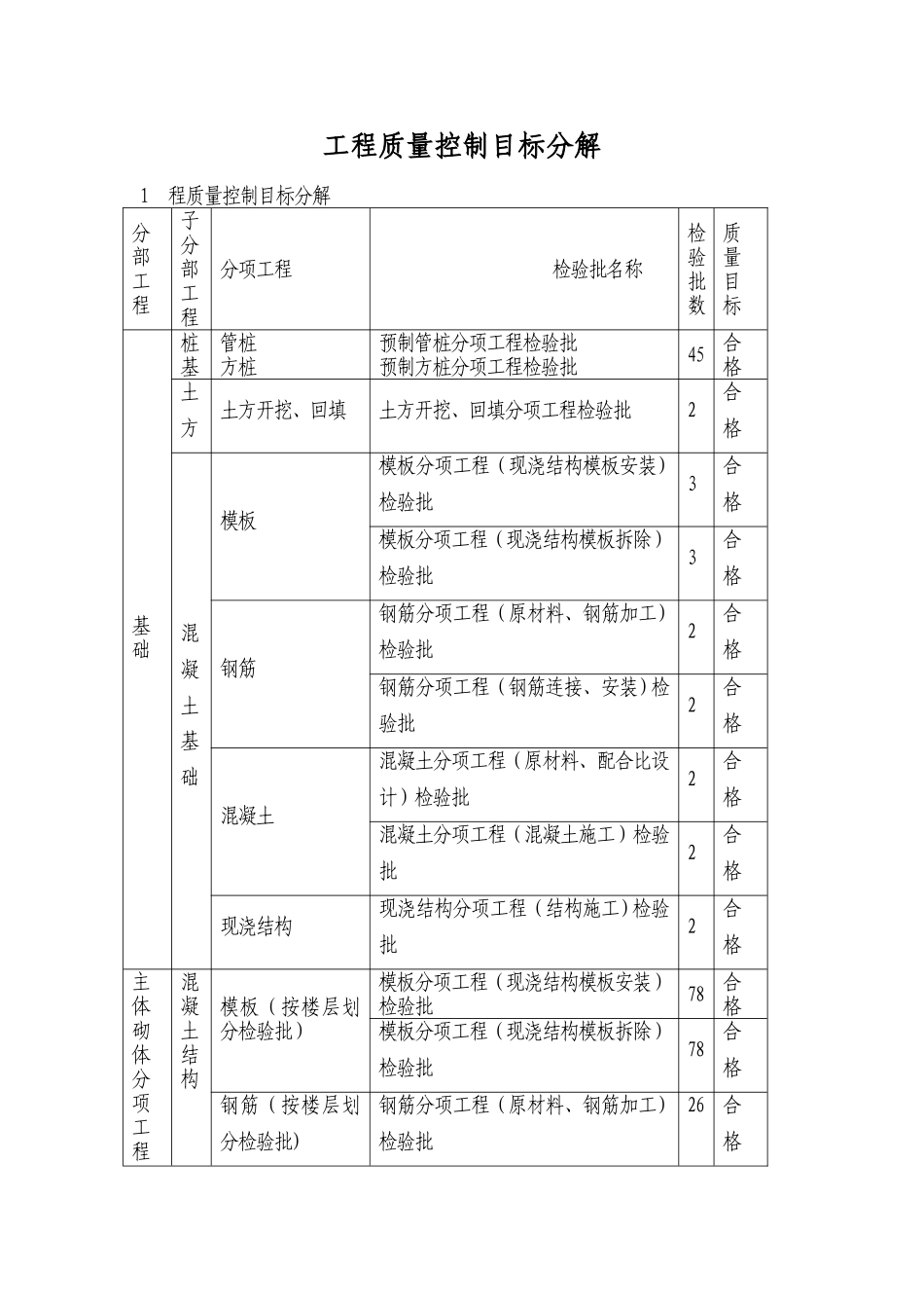
工程质量控制目标分解1程质量控制目标分解分部工程子分部工 程分项工程检验批名称检验批数质量目标基础桩基管桩方桩预制管桩分项工程检验批预制方桩分项工程检验批45合格土方土方开挖、回填土方开挖、回填分项工程检验批2合格混凝土基础模板模板分项工程(现浇结构模板安装)检验批3合格模板分项工程(现浇结构模板拆除)检验批3合格钢筋钢筋分项工程(原材料、钢筋加工)检验批2合格钢筋分项工程(钢筋连接、安装)检验批2合格混凝土混凝土分项工程(原材料、配合比设计)检验批2合格混凝土分项工程(混凝土施工)检验批2合格现浇结构现浇结构分项工程(结构施工)检验批2合格主体砌体分项工程混凝土结构模板(按楼层划分检验批)模板分项工程(现浇结构模板安装)检验批78合格模板分项工程(现浇结构模板拆除)检验批78合格钢筋(按楼层划分检验批)钢筋分项工程(原材料、钢筋加工)检验批26合格检验批钢筋分项工程(钢筋连接、安装)检验批52合格混凝土(按楼层划分检验批)混凝土分项工程(原材料、配合比设计)检验批26合格混凝土分项工程(混凝土施工)检验批26合格现浇结构现浇结构分项工程(结构施工)检验批26合格砌体结构砖砌体填充墙砌体检验批26合格装饰地面整 风 光 层 : 垫层、砂浆面层垫层分项工程检验批1合格砂浆面层分项工程检验批26合格抹灰一般抹灰一般抹灰分项工程检验批26合格门窗门窗安装 门窗玻璃安装、金属门窗安装分项工程(塑钢)检验批26合格涂饰水性涂料涂饰水性涂料涂饰分项工程检验批26合格护栏和护手制作与安装护栏和护手制作与安装分项工程检验批2合格屋面卷材防水层屋面保温层屋面保温层分项工程检验批2合格屋面找平层分项工程检验批2合格卷材防水层屋面卷材防水层分项工程检验批2合格细部构造细部构造分项工程检验批2合格给水排 水室内给水给水管道安装给水管道安装分项工程检验批6合格消火栓安装消火栓安装分项工程检验批2合格给水设备安装给水设备安装分项工程检验批2合格室内排水排水管道安装排水管道安装及配件分项工程检验批6合格雨水管道安装雨水管道安装及配件分项工程检验批2合格电气电气照明安装配电柜箱盘安装成套配电柜箱盘安装分项工程检验批26合格电线电缆敷设电线电缆敷设分项工程检验批26合格灯具安装灯具安装分项工程检验批26合格插座开关安装插座开关安装分项工程检验批26合格防雷接地装置接地装置安装接地装置安装分项工程检验批2合格避雷引下线敷设霹雷引下线敷设分项工程检验批6合格等电位...

1、当您付费下载文档后,您只拥有了使用权限,并不意味着购买了版权,文档只能用于自身使用,不得用于其他商业用途(如 [转卖]进行直接盈利或[编辑后售卖]进行间接盈利)。
2、本站所有内容均由合作方或网友上传,本站不对文档的完整性、权威性及其观点立场正确性做任何保证或承诺!文档内容仅供研究参考,付费前请自行鉴别。
3、如文档内容存在违规,或者侵犯商业秘密、侵犯著作权等,请点击“违规举报”。

碎片内容

工程质量控制目标分解

津创媒+ 关注
实名认证
内容提供者

欢迎交流文创,小店资料希望满足您的需要。

确认删除?
VIP
微信客服
  • 扫码咨询
会员Q群
  • 会员专属群点击这里加入QQ群
客服邮箱
回到顶部