电脑桌面
添加小米粒文库到电脑桌面
安装后可以在桌面快捷访问

工程项目临时用电施工方案

工程项目临时用电施工方案_第1页
1/19
工程项目临时用电施工方案_第2页
2/19
工程项目临时用电施工方案_第3页
3/19
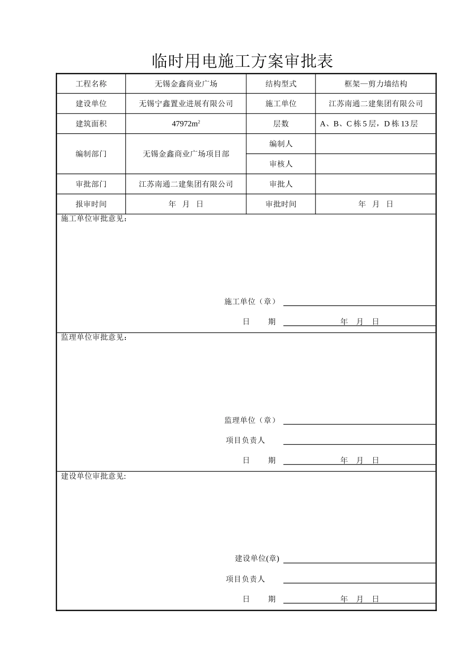
临时用电施工方案审批表工程名称无锡金鑫商业广场结构型式框架—剪力墙结构建设单位无锡宁鑫置业进展有限公司施工单位江苏南通二建集团有限公司建筑面积47972m2层数A、B、C 栋 5 层,D 栋 13 层编制部门无锡金鑫商业广场项目部编制人审核人审批部门江苏南通二建集团有限公司审批人报审时间年 月 日审批时间年 月 日施工单位审批意见: 施工单位(章)日 期年 月 日监理单位审批意见:监理单位(章)项目负责人日 期年 月 日建设单位审批意见:建设单位(章)项目负责人日 期年 月 日无锡金鑫商业广场工程临时用电施工方案江苏南通二建集团有限公司二〇一五年十月目 录一、工程概况及工程特点 11.1 工程概况 0 1 。 2 工程特点 0 二、编制依据 1 三、施工部署 1 3 。 1 对供电系统的要求和配电原则 1 3 。 2 施工用电管理 2 四、施工机械设备用电负荷 2 4.1 现场主要施工机具用电设备负荷 2 4.2 负荷计算 3 五、现场临电规划 8 六、接地和接零保护 9 七、安全技术档案 10 八、安全用电注意事项 10 九、施工用电措施 12 十、安全用电管理制度 13 十一、电气防火措施 15 十二、三相不平衡现象的处理措施 15 金鑫商业广场工程临时用电施工方案一、工程概况及工程特点1.1 工程概况1。1.1 工程名称:无锡金鑫商业广场1.1.2 工程地点: 无锡新区长江路泰山路1。1.3 工程规模:本工程建筑面积 47972 平方米,其中地下室 11567 平方米.地下室一层,局部二层,A、B、C 栋 5 层,D 栋 13 层 ,多层商业,高层商业办公。1。1。4 建设单位: 无锡宁鑫置业进展有限公司1.1.5 设计单位: 南京华东建筑工程设计有限公司1。1。6 勘察单位: 江苏省地质工程勘察院1.1。7 监理单位: 江苏省建院建设监理有限公司1.1.8 施工单位: 江苏南通二建集团有限公司1.1。9 工程总工期:2024。11.18-2024。01。20,共计 447 天 1.2 工程特点该工程施工面积较大,工程桩为先张法预应力500*500、400*400空心方桩,采纳1台静力压桩机。基坑围护桩为Φ850@600三轴深搅止水桩,采纳1台三轴深搅搅拌桩设备。高层区1台QTZ—63型塔吊,多层区1台QTZ-63型塔吊,各种用电设备负荷较大;工程期间结构和装修同时进行,各种用电负荷集中。建设单位在施工现场东南角提供了 500 KVA变压器,根据本工程用电设备多,容量大,同期使用电气设备可能性较大等特点,做如下安排:1.2.1 现场电源:施工现...

1、当您付费下载文档后,您只拥有了使用权限,并不意味着购买了版权,文档只能用于自身使用,不得用于其他商业用途(如 [转卖]进行直接盈利或[编辑后售卖]进行间接盈利)。
2、本站所有内容均由合作方或网友上传,本站不对文档的完整性、权威性及其观点立场正确性做任何保证或承诺!文档内容仅供研究参考,付费前请自行鉴别。
3、如文档内容存在违规,或者侵犯商业秘密、侵犯著作权等,请点击“违规举报”。

碎片内容

工程项目临时用电施工方案

一帆文传+ 关注
实名认证
内容提供者

欢迎光临店铺,各类公文供您挑选。

确认删除?
VIP
微信客服
  • 扫码咨询
会员Q群
  • 会员专属群点击这里加入QQ群
客服邮箱
回到顶部