电脑桌面
添加小米粒文库到电脑桌面
安装后可以在桌面快捷访问

工程项目环境及职业健康安全管理检查表

工程项目环境及职业健康安全管理检查表_第1页
1/5
工程项目环境及职业健康安全管理检查表_第2页
2/5
工程项目环境及职业健康安全管理检查表_第3页
3/5
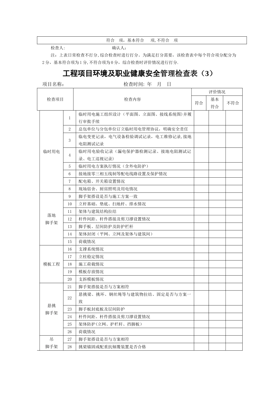
工程项目环境及职业健康安全管理检查表(1)项目名称: 检查时间: 年 月 日检查项目检查内容评价情况符合基本符合不符合安全责任制1项目部各级人员安全生产责任制2安全生产责任制考核办法和考核记录3各级消防、环境与职业健康责任状4各工种安全技术操作规程5安全组织机构、安全值班制度及值班记录安全责任目标6安全管理目标及安全责任目标分解7安全管理目标考核办法及考核记录8安全防护和文明施工措施计划(统计)表及落实施工组织设计及专项方案9施工组织设计与专项方案(临时用电、基坑支护、模板、脚手架、塔吊、电梯、倒料平台等)10施工组织设计及方案中安全措施方面执行情况11按规定编制危险性较大分部分项工程清单12按规定编制审核危险性较大分部分项工程专项施工方案,超过一定规模的,专项施工方案经专家论证13严格根据专项方案组织施工,根据规定修改、调整专项方案14危险性较大分部分项实施前必须进行安全技术交底15危险性较大分部分项施工过程中,制定专人现场监督和监测16组织对危险性较大的分部分项工程安全验收17环境、职业健康安全保证计划18安全文明施工场地(安全标化施工场地)创建计划安全教育、交底、检查、验收19安全交底、安全检查、安全教育制度20安全交底与施工同步,有针对性,签字齐全真实21每半月一次《建筑工程施工安全管理标准》 (DBJ04-253-2024)定期检查评分表22季节性、节假日检查、专项检查、日常检查记录、安全员日志23特种机械设备和安全防护设施检查验收(临建、大中小机械安拆提升、起重吊装、各类脚手架搭拆提升、模板工程、基坑支护、倒料平台等)24项目部环境、安全职业健康培训教育计划25安全教育记录(培训内容、签到表、试卷及名单等)26班前安全活动制度及相关记录特种作业及工伤事故报表27特种作业人员安全管理制度及操作证复印件等资料28职工伤亡事故统计、报告、调查、处理制度29职工伤亡事故统计月报表符合 项,基本符合 项,不符合 项检查人: 确认人:注:上表日常检查不打分,综合检查时进行打分。为满足打分需要 ,该检查表中每个符合项分配分为2 分,基本符合项为 1 分,不符合项为 0 分,综合检查时评价情况进行打分。工程项目环境及职业健康安全管理检查表(2)项目名称: 检查时间: 年 月 日检查项目检查内容评价情况符合基本符合不符合现场策划及布置1大门、围墙、图牌、门卫室、道路硬化、沉淀池、隔油池、垃圾桶、办公室、会议室、食堂、宿舍、厕所、洗漱室、淋浴室、...

1、当您付费下载文档后,您只拥有了使用权限,并不意味着购买了版权,文档只能用于自身使用,不得用于其他商业用途(如 [转卖]进行直接盈利或[编辑后售卖]进行间接盈利)。
2、本站所有内容均由合作方或网友上传,本站不对文档的完整性、权威性及其观点立场正确性做任何保证或承诺!文档内容仅供研究参考,付费前请自行鉴别。
3、如文档内容存在违规,或者侵犯商业秘密、侵犯著作权等,请点击“违规举报”。

碎片内容

工程项目环境及职业健康安全管理检查表

人从众+ 关注
实名认证
内容提供者

欢迎光临小店,本店以公文和教育为主,希望符合您的需求。

确认删除?
VIP
微信客服
  • 扫码咨询
会员Q群
  • 会员专属群点击这里加入QQ群
客服邮箱
回到顶部