电脑桌面
添加小米粒文库到电脑桌面
安装后可以在桌面快捷访问

工程项目进度款支付管理制度

工程项目进度款支付管理制度_第1页
1/5
工程项目进度款支付管理制度_第2页
2/5
工程项目进度款支付管理制度_第3页
3/5
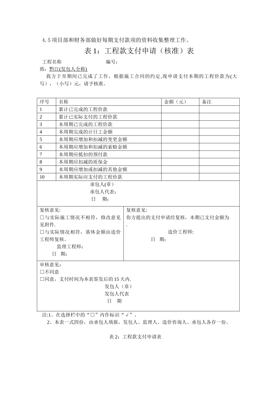
工程项目进度款支付管理制度1.目的为了加强工程款支付管理,法律规范工作流程,确保工程资金安全、有效的使用。2.适用范围本管理办法适用于所有项目工程款支付的管理。3.工程进度款的支付流程3。1 具备申请付款的条件:按合同约定需支付预付款;工程达到合同约定形象进度;工程质量经验收达到合同约定要求;相关工程资料齐全等.3.2 工程进度款的确认及支付审批流程:3.2。1 施工单位在工程达到合同付款条件后按合同约定期限向监理公司提交《工程进度款支付申请》(见表 1)(含工程形象进度说明、工程质量验收合格证明文件、已完工程内容及相应数量、已完产值的计价书等);若为分包单位,其《工程进度款支付申请》在提交监理公司前须总包单位签署审核意见。3.2。2 现场专业监理工程师对施工单位提交的《工程进度款支付申请》中内容在 2 个工作日内进行核实确认,编制《工程款支付审批表》(见表 2)并签署审核意见(主要包括形象进度的确认、是否达到合同约定付款条件、已完工程质量以及已完工程量的确认、应扣款项、相关工程资料是否齐全等)后将所有资料交建设单位;3。2.3 建设单位现场工程师对监理部报送的《工程款支付审批表》及《工程进度款支付申请》在 2 个工作日内进行审核确认,编制《工程款支付审批表(甲方)》(见表 3)并签署审核意见(主要包括形象进度的确认、是否达到合同约定付款条件、已完工程量的确认、应扣款及应付进度款的审核确定等)后交建设单位工程部经理;3。2。4 建设单位工程部经理应在 1 个工作日内将进行复核确认并签署复核意见的《工程款支付审批表》及《工程进度款支付申请》交建设单位成本控制/预算办;3.2。5 建设单位成本控制部门/预算办对《工程款支付审批表》及《工程进度款支付申请》在 2 个工作日内进行复核并签署复核意见(包括已完产值的计价书、应扣款及应付进度款的审核确定)后交建设单位财务部门;3。2。6 财务部门在 2 个工作日内对所有资料(工程款支付审批表、工程阶段验收报告、材料领用统计表、领料单、工程签证单、设计变更单、扣款单)、已支付工程款合计、总支付节点和比例及应扣款项(水电费、税金等)查实确认,明确进度款实际应付金额后提交建设单位房开公司总裁/工程分管副总。3。2。7 建设单位房开公司总裁/工程分管副总在 2 个工作日内签署复核意见后提交财务部门付款。注:工程设计、造价咨询、产权测量、监理等技术服务性合同支付工程款时,由服务单位报送付款申请...

1、当您付费下载文档后,您只拥有了使用权限,并不意味着购买了版权,文档只能用于自身使用,不得用于其他商业用途(如 [转卖]进行直接盈利或[编辑后售卖]进行间接盈利)。
2、本站所有内容均由合作方或网友上传,本站不对文档的完整性、权威性及其观点立场正确性做任何保证或承诺!文档内容仅供研究参考,付费前请自行鉴别。
3、如文档内容存在违规,或者侵犯商业秘密、侵犯著作权等,请点击“违规举报”。

碎片内容

工程项目进度款支付管理制度

您可能关注的文档

确认删除?
VIP
微信客服
  • 扫码咨询
会员Q群
  • 会员专属群点击这里加入QQ群
客服邮箱
回到顶部