电脑桌面
添加小米粒文库到电脑桌面
安装后可以在桌面快捷访问

市政工程施工工期定额

市政工程施工工期定额_第1页
1/30
市政工程施工工期定额_第2页
2/30
市政工程施工工期定额_第3页
3/30
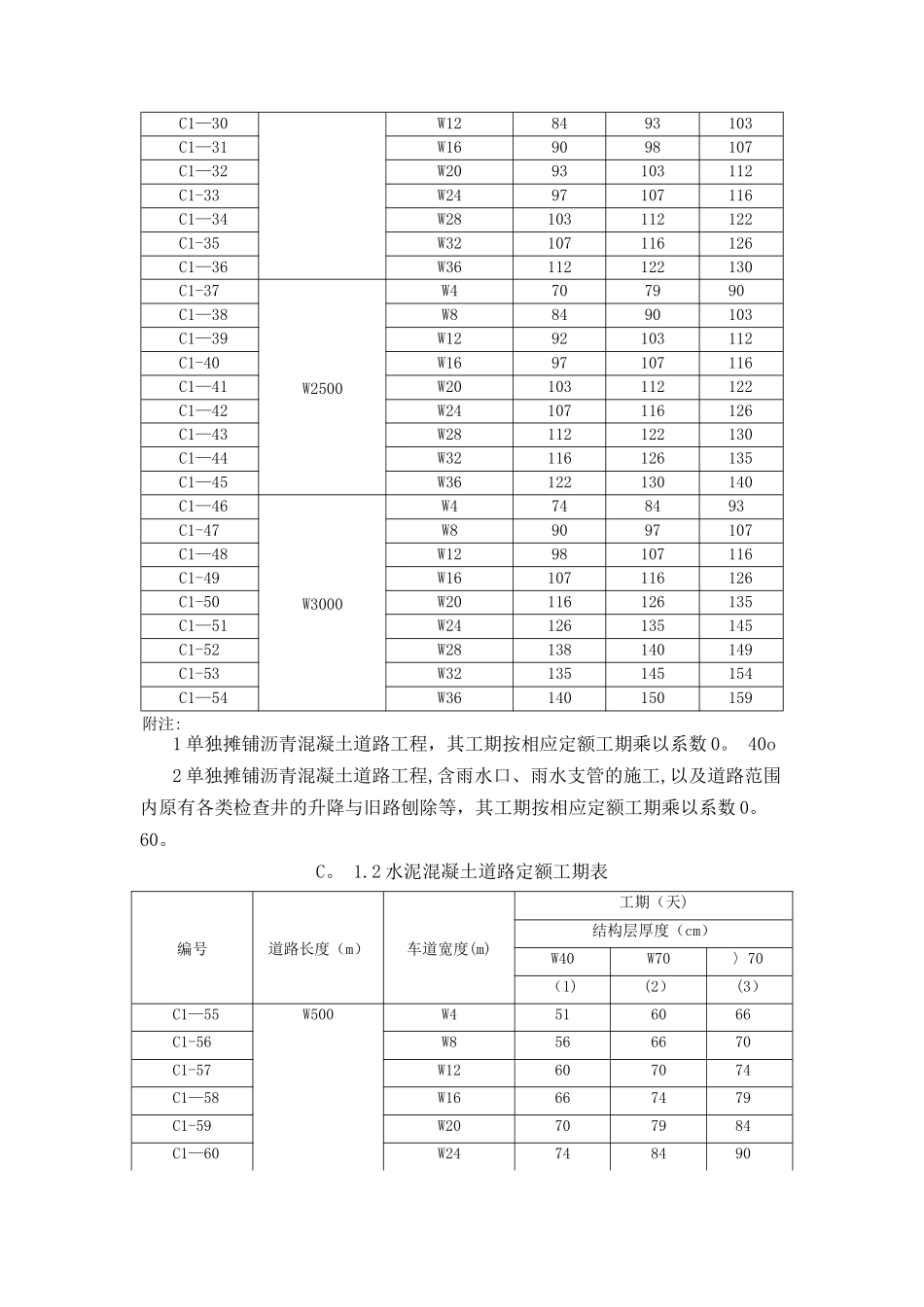
第三部分市政工程说明C.0。1 本部分为市政工程工期,适用于由一个承包人组织实施的市政工程项目,包括:1 道路工程工期;2 桥梁工程工期;3 给水管道工程工期;4 排水管道、沟渠工程工期;5 燃气管道工程工期;6 自来水厂工程工期;7 污水处理厂工程工期;8 市政给排水泵站工程工期;9 城市地下综合管廊工程工期;10 隧道工程工期。C.0。2 本部分定额工期均为单项工程施工工期.C。0.3 下列情况发生时经发承包双方确认,应增加工期,其中第1、3 条增加的天数 由发承包双方协商确定:1 坑底(基础土方)打基础桩,另增加工期;2 开挖一层土方后,再打护坡桩的工程,增加工期 W50 天;3 因拆迁、地下管线改移未完成,不能按合同约定时间开工的。C.0.4 下列情况发生时,不增加工期:1 原地坪打基础桩;2 室外直埋管道工程;3 围墙工程。C.0。5 本附录定额工期已综合考虑商品混凝土和现场搅拌混凝土、预拌砂浆和现场 搅拌砂浆,使用时不得调整。C。 1 道路工程C。1.1 本节适用于独立施工的新建城市道路工程,改建及拓宽城市道路工程可以 参照执行。C。1。2 同一承包人同时承担多条道路时,按最长工期的单条道路工期计算总工期。C. 1。1 沥青混凝土道路定额工期表编号道路长度(m)车道宽度(m)工期(天)结构层厚度(cm)W40W70〉70(1)(2)(3)C1-1W500W4425154C1-2W8475660C1-3W12516166C1-4W16606670C1—5W20617073C1—6W24667479C1—7W28707985C1—8W32758490C1—9W36799094C1-10W1000W4516066C1—11W8566670C1—12W12667479C1-13W16707985C1—14W20748490C1-15W24799094C1—16W28849498C1—17W329098103C1—18W3693103107C1-19W1500W4567074C1—20V8667884C1—21W12748993C1—22W16798891C1—23W208496103C1—24W2490103108C1—25W2893107112C1—26W3298112116C1—27W36103116122编号道路长度(m)车道宽度(m)工期(天)结构层厚度(cm)W40W70〉70(1)(2)(3)C1-28W2000V4667284C1-29W8748493C1—30W128493103C1—31W169098107C1—32W2093103112C1-33W2497107116C1—34W28103112122C1-35W32107116126C1—36W36112122130C1-37W2500W4707990C1—38W88490103C1—39W1292103112C1-40W1697107116C1—41W20103112122C1—42W24107116126C1—43W28112122130C1—44W32116126135C1—45W36122130140C1—46W3000W4748493C1-47W89097107C1—48W1298107116C1-49W16107116126C1-50W20116126135C1—51W24126135145C1-52W28138140149C1-53W32...

1、当您付费下载文档后,您只拥有了使用权限,并不意味着购买了版权,文档只能用于自身使用,不得用于其他商业用途(如 [转卖]进行直接盈利或[编辑后售卖]进行间接盈利)。
2、本站所有内容均由合作方或网友上传,本站不对文档的完整性、权威性及其观点立场正确性做任何保证或承诺!文档内容仅供研究参考,付费前请自行鉴别。
3、如文档内容存在违规,或者侵犯商业秘密、侵犯著作权等,请点击“违规举报”。

碎片内容

市政工程施工工期定额

确认删除?
VIP
微信客服
  • 扫码咨询
会员Q群
  • 会员专属群点击这里加入QQ群
客服邮箱
回到顶部