电脑桌面
添加小米粒文库到电脑桌面
安装后可以在桌面快捷访问

市政工程竣工验收报告

市政工程竣工验收报告_第1页
1/5
市政工程竣工验收报告_第2页
2/5
市政工程竣工验收报告_第3页
3/5
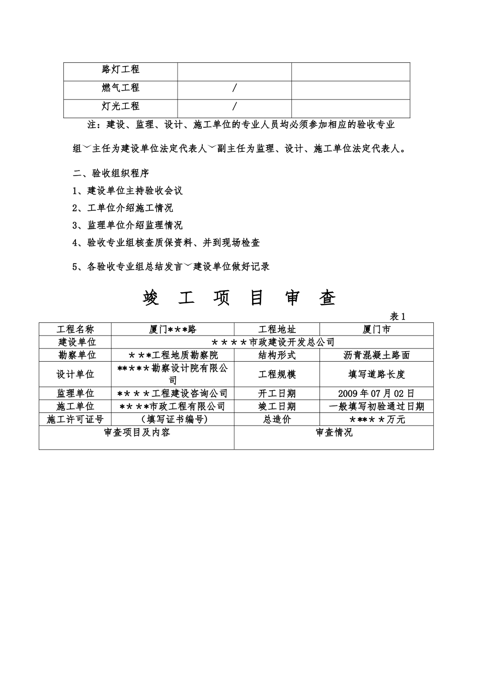
附件一 厦 门 市市政工程竣工验收报告福 建 省 建 设 厅 制厦门市建设委员会印制填 报 说 明1、竣工验收报告由建设单位负责填写。 2、竣工验收报告一式六份一律用钢笔书写字迹要清楚工整。建设单位、施工单位、监理单位、城建档案管理部门、建设行政主管部门质量监督机构各存一份。 3、报告内容必须真实可靠如发现虚假情况不予备案。4、报告须经建设、设计、施工、工程监理单位法定代表人或其托代理人签字并加盖单位公章后方为有效。竣工验收组织实施情况表 1 一、验收机构:1、领导层主任副主任成员2、各专业组验收专业组组成组员道路工程桥梁工程排水工程给水工程电信工程电力工程路灯工程燃气工程/灯光工程/注:建设、监理、设计、施工单位的专业人员均必须参加相应的验收专业组主任为建设单位法定代表人副主任为监理、设计、施工单位法定代表人。二、验收组织程序 1、建设单位主持验收会议 2、工单位介绍施工情况 3、监理单位介绍监理情况 4、验收专业组核查质保资料、并到现场检查 5、各验收专业组总结发言建设单位做好记录竣 工 项 目 审 查 表 1工程名称厦门***路工程地址厦门市建设单位****市政建设开发总公司勘察单位***工程地质勘察院结构形式沥青混凝土路面设计单位*****勘察设计院有限公司工程规模填写道路长度监理单位****工程建设咨询公司开工日期2009 年 07 月 02 日施工单位****市政工程有限公司竣工日期一般填写初验通过日期施工许可证号(填写证书编号)总造价*****万元审查项目及内容审查情况一、完成设计项目情况A、道路工程 √1、路基工程 √2、结构层部位√3、路面部位 √4、附属工程 √B、桥梁工程1、基础部位2、下部工程3、上部工程4、桥面结构5、附属工程C、排水工程 √1、雨水工程 √2、污水工程D、其他专业1、电力工程2、电信工程3、路灯工程 √4、给水工程5、燃气工程6、灯光工程已按批准的设计文件和合同约定竣工工程质量满足设计使用功能要求。续表 1二、完成合同约定情况1、总包合同约定2、分包合同约定3、专业承包合同约定全部按施工承包合同约定完成施工;无分包和专业承包合同;无合同纠纷。三、技术档案和施工管理资料1、建设前期、施工图设计审查等技术档案2、监理技术档案和管理资料3、施工技术档案和管理资料资料完整,手续齐全,符合要求。四、进场试验报告1、主要建筑材料2、构配件3、设备符合施工质量验收法律规范要求五...

1、当您付费下载文档后,您只拥有了使用权限,并不意味着购买了版权,文档只能用于自身使用,不得用于其他商业用途(如 [转卖]进行直接盈利或[编辑后售卖]进行间接盈利)。
2、本站所有内容均由合作方或网友上传,本站不对文档的完整性、权威性及其观点立场正确性做任何保证或承诺!文档内容仅供研究参考,付费前请自行鉴别。
3、如文档内容存在违规,或者侵犯商业秘密、侵犯著作权等,请点击“违规举报”。

碎片内容

市政工程竣工验收报告

您可能关注的文档

确认删除?
VIP
微信客服
  • 扫码咨询
会员Q群
  • 会员专属群点击这里加入QQ群
客服邮箱
回到顶部