电脑桌面
添加小米粒文库到电脑桌面
安装后可以在桌面快捷访问

布袋除尘器检查表

布袋除尘器检查表_第1页
1/2
布袋除尘器检查表_第2页
2/2
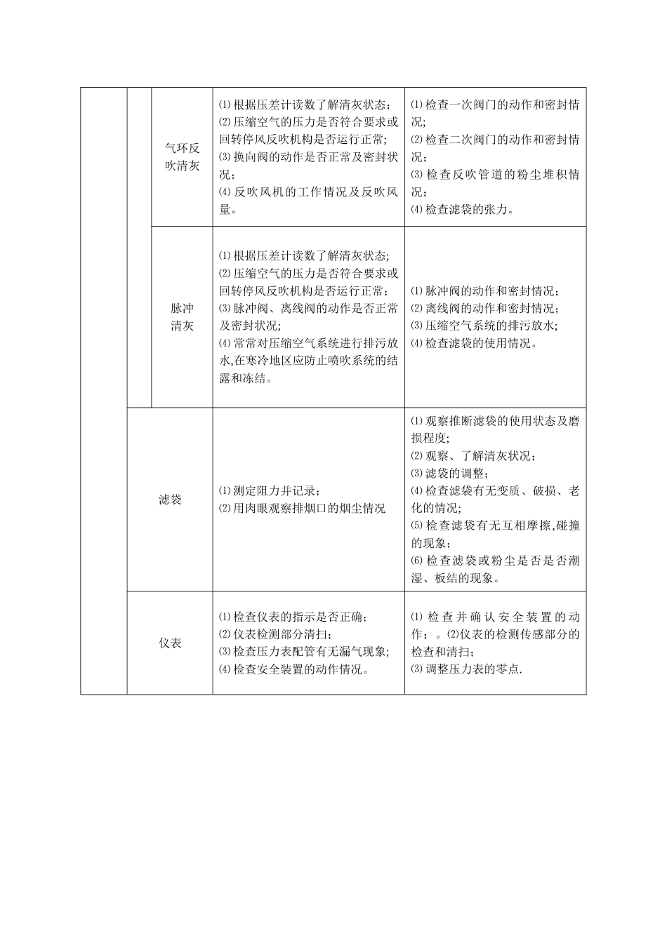
布袋除尘器日常运行及停运检查事项检查项目检查内容运行停运性能参数处理风量是否在设计范围内是( )否( )处理气体温度是否在设计范围内是( )否( )压缩空气压力是否在设计范围内是( )否( )设备阻力是否在设计范围内是( )否( )设备零部件阀门⑴ 动作状态,阀门的开闭是否灵活准确;⑵ 驱动装置的动作;⑶ 阀门的密闭性⑴ 变形和破损⑵ 阀门的密闭性及动作状态.安全阀完好性、灵活性灰斗⑴ 粉尘的堆积量;⑵ 排尘口的密封状态。⑴ 粉尘的堆积量;⑵ 清除灰斗壁上附着的粉尘。卸灰输灰装置螺旋输送机、刮板机等⑴ 检查螺旋的驱动装置,动作是否平稳;⑵ 有无异常声音 ,润滑油是否充足、排出部分是否堵塞。⑴ 螺旋、刮板的磨损情况;⑵ 输送设备内的附着粉尘清除。卸灰阀⑴ 密封性是否良好;⑵ 有无异常声音,润滑油是否充足、排出部分是否堵塞。⑴ 叶片的磨损情况;⑵ 叶片是否附着粉尘。清灰机构机械振动清灰⑴ 根据压差计读数了解清灰状态;⑵ 振动机构在运行时是否产生异常声音,检查原因并调整;⑶ 压缩空气的压力是否符合要求或其他停风机构是否运行正常(本条仅适用于离线式);⑷ 换向阀的动作是否正常及密封状况。⑴ 检查并确认动作程序;⑵ 清灰阀门的关闭状态;⑶ 振动机构的动作状态;⑷ 要注意滤袋的上、下部的安装状态和滤袋的松弛程度是否合适。气环反吹清灰⑴ 根据压差计读数了解清灰状态;⑵ 压缩空气的压力是否符合要求或回转停风反吹机构是否运行正常;⑶ 换向阀的动作是否正常及密封状况;⑷ 反吹风机的工作情况及反吹风量。⑴ 检查一次阀门的动作和密封情况;⑵ 检查二次阀门的动作和密封情况;⑶ 检查反吹管道的粉尘堆积情况;⑷ 检查滤袋的张力。脉冲清灰⑴ 根据压差计读数了解清灰状态;⑵ 压缩空气的压力是否符合要求或回转停风反吹机构是否运行正常;⑶ 脉冲阀、离线阀的动作是否正常及密封状况;⑷ 常常对压缩空气系统进行排污放水,在寒冷地区应防止喷吹系统的结露和冻结。⑴ 脉冲阀的动作和密封情况;⑵ 离线阀的动作和密封情况;⑶ 压缩空气系统的排污放水;⑷ 检查滤袋的使用情况。滤袋⑴ 测定阻力并记录;⑵ 用肉眼观察排烟口的烟尘情况⑴ 观察推断滤袋的使用状态及磨损程度;⑵ 观察、了解清灰状况;⑶ 滤袋的调整;⑷ 检查滤袋有无变质、破损、老化的情况;⑸ 检查滤袋有无互相摩擦,碰撞的现象;⑹ 检查滤袋或粉尘是否是否潮湿、板结的现象。仪表⑴ 检查...

1、当您付费下载文档后,您只拥有了使用权限,并不意味着购买了版权,文档只能用于自身使用,不得用于其他商业用途(如 [转卖]进行直接盈利或[编辑后售卖]进行间接盈利)。
2、本站所有内容均由合作方或网友上传,本站不对文档的完整性、权威性及其观点立场正确性做任何保证或承诺!文档内容仅供研究参考,付费前请自行鉴别。
3、如文档内容存在违规,或者侵犯商业秘密、侵犯著作权等,请点击“违规举报”。

碎片内容

布袋除尘器检查表

确认删除?
VIP
微信客服
  • 扫码咨询
会员Q群
  • 会员专属群点击这里加入QQ群
客服邮箱
回到顶部