电脑桌面
添加小米粒文库到电脑桌面
安装后可以在桌面快捷访问

平行检验记录表格

平行检验记录表格_第1页
1/10
平行检验记录表格_第2页
2/10
平行检验记录表格_第3页
3/10
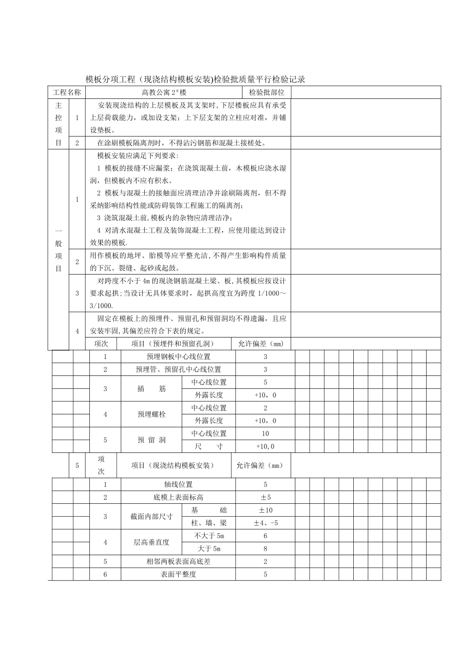
土方开挖分项工程平行检验记录 工程名称高教公寓 2#楼检验批部位项 目允许偏差或允许值(mm)实测值柱基基坑基槽挖方场地平整管沟地(路)面基层人工机械主控项目1。标高—50±30±50—50—502. 长 度 、 宽 度(由设计中心组向两边量)+200-50+300-100+500-100+100-3、边坡设计要求一般项目1、表面平整度20205020202、基底土性设计要求监理人员检查结果检查人: 检查日期: 年 月 日土方回填分项工程平行检验记录油膏工程名称高教公寓西区地下车库检验批部位项 目允许偏差或允许值(mm)实测值桩基基坑基槽挖方场地平整管沟地(路)面基层人工机械主控项目1。标高—50±30±50—50—502。分层压实系数设计要求一般项目1。回填土料设计要求2。分层厚度及含水量设计要求3。表面平整度2020502020监理人员检查结果检查人: 检查日期: 年 月 日模板分项工程(现浇结构模板安装)检验批质量平行检验记录 工程名称高教公寓 2#楼检验批部位主控项目1 安装现浇结构的上层模板及其支架时,下层楼板应具有承受上层荷载能力,或加设支架;上下层支架的立柱应对准,并铺设垫板。2 在涂刷模板隔离剂时,不得沾污钢筋和混凝土接槎处。一般项目1 模板安装应满足下列要求: 1 模板的接缝不应漏浆;在浇筑混凝土前,木模板应浇水湿润,但模板内不应有积水。 2 模板与混凝土的接触面应清理洁净并涂刷隔离剂,但不得采纳影响结构性能或防碍装饰工程施工的隔离剂; 3 浇筑混凝土前,模板内的杂物应清理洁净; 4 对清水混凝土工程及装饰混凝土工程,应使用能达到设计效果的模板.2用作模板的地坪、胎模等应平整光洁,不得产生影响构件质量的下沉、裂缝、起砂或起鼓。3 对跨度不小于 4m 的现浇钢筋混凝土梁、板,其模板应按设计要求起拱;当设计无具体要求时,起拱高度宜为跨度 1/1000~3/1000.4 固定在模板上的预埋件、预留孔和预留洞均不得遗漏,且应安装牢固,其偏差应符合下表的规定。项次项目(预埋件和预留孔洞)允许偏差(mm)1预埋钢板中心线位置32预埋管、预留孔中心线位置33插 筋中心线位置5外露长度+10,04预埋螺栓中心线位置2外露长度+10,05预 留 洞中心线位置10尺 寸+10,05项次项目(现浇结构模板安装)允许偏差(mm)1轴线位置52底模上表面标高±53截面内部尺寸基 础±10柱、墙、梁±4、-54层高垂直度不大于 5m6大于 5m85相邻两板表面高底差26表面平整度5监理人员检查结果检查人: 检查日期: 年 月 日模板分项工程(模...

1、当您付费下载文档后,您只拥有了使用权限,并不意味着购买了版权,文档只能用于自身使用,不得用于其他商业用途(如 [转卖]进行直接盈利或[编辑后售卖]进行间接盈利)。
2、本站所有内容均由合作方或网友上传,本站不对文档的完整性、权威性及其观点立场正确性做任何保证或承诺!文档内容仅供研究参考,付费前请自行鉴别。
3、如文档内容存在违规,或者侵犯商业秘密、侵犯著作权等,请点击“违规举报”。

碎片内容

平行检验记录表格

您可能关注的文档

人从众+ 关注
实名认证
内容提供者

欢迎光临小店,本店以公文和教育为主,希望符合您的需求。

相关文档

确认删除?
VIP
微信客服
  • 扫码咨询
会员Q群
  • 会员专属群点击这里加入QQ群
客服邮箱
回到顶部