电脑桌面
添加小米粒文库到电脑桌面
安装后可以在桌面快捷访问

幼儿园安全工作检查表

幼儿园安全工作检查表_第1页
1/2
幼儿园安全工作检查表_第2页
2/2
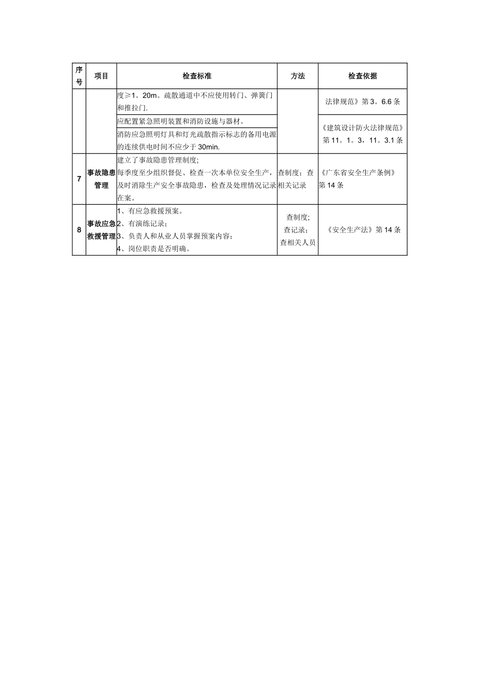
幼儿园安全工作检查表序号项目检查标准方法检查依据1 组织机构应登记注册查证件《幼儿园管理条例》第 11条应具有法人资格、或者具备法人条件《中华人民共和国民办教育促进法》第 9 条2 从业人员主要负责人和安全管理员应进行安全管理知识培训并考核合格查培训记录《广东省安全生产条例》 3选址及平面布置设置在安全区域内。严禁在污染区和危险区内设置幼儿园。现场查看《幼儿园管理条例》第 7 条在供应区内设置杂物院,并单独设置对外出入口。《托儿所、幼儿园建筑设计法律规范》第 2。2。5 条4 安全管理1、有安全工作保障体系;安全工作责任制和事故责任追究制;2、有安全预警机制;3、有周边整治协调工作机制;4、定期进行安全宣传教育培训;5、有应急预案;6、定期进行了校舍安全检查,并有记录。查相关文件《中小学幼儿园安全管理办法》第 4 条5 建筑构造 活动室、音体活动室的窗台距地面高度不宜大于0.60m.距地面 1。30m 内不应设平开窗.楼层无室外阳台时,应设护栏.现场查看、测量《托儿所、幼儿园建筑设计法律规范》第 3。7。3 条 阳台、屋顶平台的护栏净高不应小于 1.20m,内侧不应设有支撑。护栏宜采纳垂直线饰,其净空距离不应大于 0。11m。现场查看、测量《托儿所、幼儿园建筑设计法律规范》第 3。7.4 条 幼儿常常接触的 1。30m 以下的室外墙面不应粗糙,室内墙面宜采纳光滑易清洁的材料,棱角部位必须做成小圆角。现场查看《托儿所、幼儿园建筑设计法律规范》第 3。7。5 条生活用房自然通风是否良好。是否有通风设施《托儿所、幼儿园建筑设计法律规范》第 4.2.3 条应急组织有明确的联络方式.查现场 6 消防安全三级耐火等级的儿童活动场所、3 层及 3 层以上建筑中的门厅、走道其吊顶,应采纳不燃烧体或耐火极限不低于 0。25h 的难燃烧体。查相关检测资料《建筑设计防火法律规范》第 5。1。6 条在幼儿安全疏散和常常出入的通道上,不应设有台阶。现场查看《托儿所、幼儿园建筑设计法律规范》 第 3.6。4 条楼梯除设成人扶手外,并应在靠墙一侧设幼儿扶手,其高度不应大于 0.60m。现场查看、测量《托儿所、幼儿园建筑设计法律规范》第 3。6。5 条楼梯栏杆垂直线饰间的净距≤0.11m.当楼梯井净宽度大于 0。20m 时,必须实行安全措施。楼梯踏步的高度≤0.15m,宽度≥0。26m.活动室、寝室、音体活动室应设双扇平开门,其宽《托儿所、幼儿园建筑设计序号项目检查标准方法检查依据度≥1。20m。疏散通...

1、当您付费下载文档后,您只拥有了使用权限,并不意味着购买了版权,文档只能用于自身使用,不得用于其他商业用途(如 [转卖]进行直接盈利或[编辑后售卖]进行间接盈利)。
2、本站所有内容均由合作方或网友上传,本站不对文档的完整性、权威性及其观点立场正确性做任何保证或承诺!文档内容仅供研究参考,付费前请自行鉴别。
3、如文档内容存在违规,或者侵犯商业秘密、侵犯著作权等,请点击“违规举报”。

碎片内容

幼儿园安全工作检查表

确认删除?
VIP
微信客服
  • 扫码咨询
会员Q群
  • 会员专属群点击这里加入QQ群
客服邮箱
回到顶部