电脑桌面
添加小米粒文库到电脑桌面
安装后可以在桌面快捷访问

废品管理制度

废品管理制度_第1页
1/1
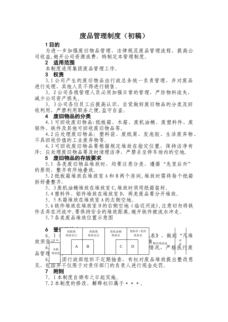
废品管理制度(初稿)1 目的为进一步加强废旧物品管理,法律规范废品管理流程,提高公司收益,避开公司资源浪费,特制定本管理制度。2 适用范围本制度适用集团废品管理工作。3 权责3.1 公司产生的废旧物品由行政总务统一负责管理,并对废品进行处理,其他人员不得进行销售。3。2 公司各级管理人员必须加强日常的管理,严防物料流失,减少公司资产损失。3。3 公司各位员工应提高认识,自觉做好废旧物品的分类及回收利用,严禁利用职务之便,监守自盗。4 废旧物品的分类4.1 可回收废旧物品:纸板箱、木箱、废机油桶、废塑料件、废铝件、铁件及其他可回收废旧物品等。4.2 应处理废旧物品:塑料袋、废纸屑、发泡胶、生活废弃物、不具回收价值的工业废弃物等。4.3 可回收废旧物品要根据规定堆放在指定位置,保持洁净有序;应处理废旧物品要及时清理洁净,严禁丢至停车场内的空地.5 废旧物品的存放要求5.1 各类废旧物品堆放时,均要注意分类,遵循“先里后外”的原则,整齐有序地叠放.5.2 纸板箱堆放在堆放室 A 和 B 两个房间,堆放时需将每个纸箱拆好叠整齐.5。3 废机油桶堆放在堆放室 C,堆放时须用纸箱装好。5.4 塑料件、铝件堆放在堆放室 D,两类废品要分开堆放。5。5 木箱堆放在堆放室 A 的左侧空地。5.6 铁件堆放在堆放室 D 的右侧空地(临近河流),注意切勿将铁件丢弃在河流中,要保持安全的堆放距离,避开铁件被流水冲走。5.7 各类废品堆放位置示意图6 登记及检查6。1 每类废品堆放处均留置《废料堆放登记表》,做到“凡堆放须登记”,登记事项要明晰,字迹工整、数量准确。6.2 责任部门的负责人要定期检查废品堆放情况,严格执行废品管理制度。6.3 集团行政部组织不定期抽查,有权对废品堆放提出整改意见,包括并不仅限于对责任部门的负责人进行现金处罚。7 附则7。1 本制度自颁布之日起实施。7.2 本制度的修改、解释权归属于***。纸板箱堆放室①纸板箱堆放室②塑料件 / 铝件堆放室废机油桶堆放室木箱堆放处铁件堆放处河流ADBC

1、当您付费下载文档后,您只拥有了使用权限,并不意味着购买了版权,文档只能用于自身使用,不得用于其他商业用途(如 [转卖]进行直接盈利或[编辑后售卖]进行间接盈利)。
2、本站所有内容均由合作方或网友上传,本站不对文档的完整性、权威性及其观点立场正确性做任何保证或承诺!文档内容仅供研究参考,付费前请自行鉴别。
3、如文档内容存在违规,或者侵犯商业秘密、侵犯著作权等,请点击“违规举报”。

碎片内容

废品管理制度

您可能关注的文档

确认删除?
VIP
微信客服
  • 扫码咨询
会员Q群
  • 会员专属群点击这里加入QQ群
客服邮箱
回到顶部