电脑桌面
添加小米粒文库到电脑桌面
安装后可以在桌面快捷访问

废水、废液工程技术要求及招标规范

废水、废液工程技术要求及招标规范_第1页
1/14
废水、废液工程技术要求及招标规范_第2页
2/14
废水、废液工程技术要求及招标规范_第3页
3/14
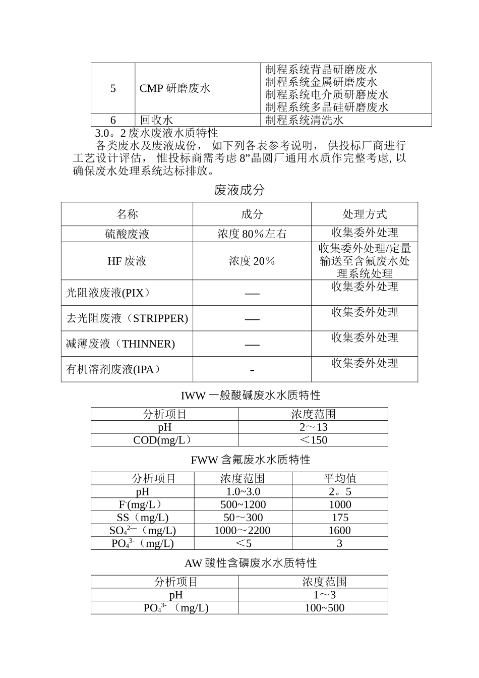
东营中联国际集成电路废水处理厂新建工程技术要求及招标法律规范目录一、技術要求及招標規範範圍說明 2二、規範和條例 Error: Reference source not found 三、技術說明 Error: Reference source not found 四、廢水處理工藝設計要求 Error: Reference source not found 五、工藝流程及 P&ID 圖 Error: Reference source not found 六、設備規格及廠牌 Error: Reference source not found 七、電氣控制工程說明 Error: Reference source not found 八、防腐工程說明 Error: Reference source not found 九、管線工程說明 Error: Reference source not found 十、廢水工程介面說明 Error: Reference source not found 十一、投標文件 Error: Reference source not found 东营东芯集成电路废水处理厂新建工程技术要求及招标法律规范一、技术要求及招标法律规范范围说明有关本合约废水处理工程的各系统装置的设计、供应、安装、调试、操作及维修等技术之要求,于本技术法律规范书及有关图纸内详细说明,以提供符合本合约要求的工程设计、制造至完工的各项细则.为能妥善完成本合约内各项工程事项,承包商须按要求提供一切所需的设计人员、施工及监督人员、材料、工具、物料、设备、储存、各有效的证件、图纸、临时施工措施、施工场地安全、检查、调试及运行等事项。-—--—-—---————-—-——--————- 第 1 节结束 ———————-————-———-———-—二、法律规范和条例所有设备、材料的供应和施工工艺,必须符合下列各机关、部门所颁布的最新的法定职责、条例、规格、标准、施工准则和业务条例:2.0.1 所有中国中央和当地政府机关及部门,包括但不仅限于以下所列的单位:1. 消防局2. 规划局3. 环境保护局4. 卫生防疫局5. 自来水公司6. 环境卫生管理局7. 供电局8. 排水管理处2.0.2 所有中国中央和当地所制定的法律规范和准则,以及国际认可的规例和标准,最新版本,包括以下, 但不仅限于以下所列:1. 《建筑设计防火法律规范》GB50016-20242. 《工业金属管道设计法律规范》GB50316—20003. 《工业设备及管道绝热工程设计法律规范》GB50264—974. 《城市区域环境噪声标准》GB3096-935. 《工厂企业厂界噪声标准》GB12348—906. 《工厂企业噪声控制设计法律规范》GBJ87—857. 《环境空气质量标准》GB3095-19968. 《大气污染物综合排放标准》GB16297—199...

1、当您付费下载文档后,您只拥有了使用权限,并不意味着购买了版权,文档只能用于自身使用,不得用于其他商业用途(如 [转卖]进行直接盈利或[编辑后售卖]进行间接盈利)。
2、本站所有内容均由合作方或网友上传,本站不对文档的完整性、权威性及其观点立场正确性做任何保证或承诺!文档内容仅供研究参考,付费前请自行鉴别。
3、如文档内容存在违规,或者侵犯商业秘密、侵犯著作权等,请点击“违规举报”。

碎片内容

废水、废液工程技术要求及招标规范

雏圣文化+ 关注
实名认证
内容提供者

欢迎光临,大量办公文档供您挑选。

确认删除?
VIP
微信客服
  • 扫码咨询
会员Q群
  • 会员专属群点击这里加入QQ群
客服邮箱
回到顶部