电脑桌面
添加小米粒文库到电脑桌面
安装后可以在桌面快捷访问

建筑工程外脚手架对钢管、扣件的材料质量要求

建筑工程外脚手架对钢管、扣件的材料质量要求_第1页
1/2
建筑工程外脚手架对钢管、扣件的材料质量要求_第2页
2/2
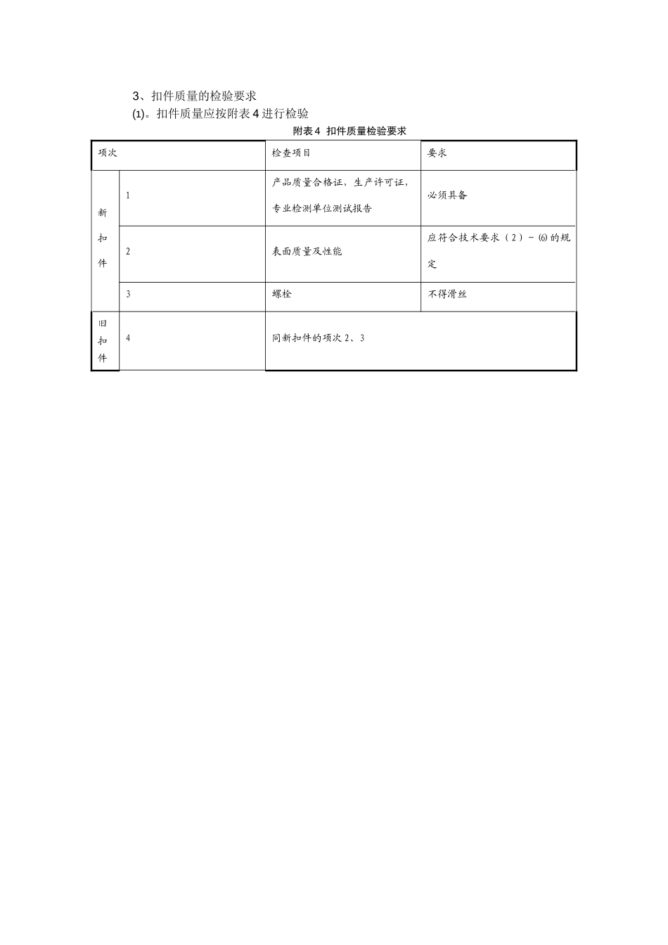
建筑工程外脚手架对钢管、扣件的材料质量要求1 钢管1、脚手架钢管应使用现行国家标准《直缝电焊钢管》(GB/T13793)或《低压流体输送用焊接钢管》(GB/T3092)中规定的 3 号普通钢管,其质量应符合国家现行标准《碳素结构钢》(GB/T 700)中 Q235-A 级钢的规定。2、钢管的截面尺寸应为外径 48mm,壁厚 3。5mm.用于立杆、纵向水平杆、剪刀撑和斜杆的钢管长度为 4~6m(6m 钢管为 23Kg,适合人工操作).用于横向水平杆的钢管长度为1。5m,以适应脚手架宽的需要。3、钢管质量的检验要求⑴。钢管的外观质量检验应按附表 3 进行附表 3 钢管质量检验要求项次检查项目验收要求新新管1产品质量合格证必须具备2钢管材质证明书3表面质量表面应平直光滑,不应有裂纹、分层、压痕、划道和硬弯4外径,壁厚<—0 。 50mm, 〈 —0。50mm5端面应平整,端面切斜的偏差〈1.70mm6防锈处理必须进行防锈处理,度锌或刷防锈漆旧旧管1钢管锈蚀程度应每年检查一次管壁上锈蚀的深度,不得超过 0。50mm2其 它 项 目 同 新 管 项 次3、4、5同新管 3、4、5⑵。钢管应无裂纹,两端面应平整,严禁打孔。2 扣件1、应使用与钢管管径相配合的、符合我国现行标准的可锻铸铁扣件。2、技术要求⑴。扣件应采纳机械性能不低于 KTH330—08 的可锻铸铁制作.⑵。铸铁不得有裂纹、气孔;不宜有缩松、砂眼或其它影响使用的铸铁缺陷;并应将影响外观质量的粘砂、披缝、毛刺、氧化皮等清除洁净.⑶。扣件与钢管的贴合面必须严格整形,应保证与钢管扣紧时接触良好。⑷.扣件活动部位应能灵活转动,旋转扣件的两旋转面间隙应不小于 1mm。⑸.当扣件紧夹钢管时,开口处的最小距离应不小于 5mm。⑹。扣件表面应进行防锈处理。3、扣件质量的检验要求⑴。扣件质量应按附表 4 进行检验附表 4 扣件质量检验要求项次检查项目要求新扣件1产品质量合格证,生产许可证,专业检测单位测试报告必须具备2表面质量及性能应符合技术要求(2)~(6)的规定3螺栓不得滑丝旧扣件4同新扣件的项次 2、3

1、当您付费下载文档后,您只拥有了使用权限,并不意味着购买了版权,文档只能用于自身使用,不得用于其他商业用途(如 [转卖]进行直接盈利或[编辑后售卖]进行间接盈利)。
2、本站所有内容均由合作方或网友上传,本站不对文档的完整性、权威性及其观点立场正确性做任何保证或承诺!文档内容仅供研究参考,付费前请自行鉴别。
3、如文档内容存在违规,或者侵犯商业秘密、侵犯著作权等,请点击“违规举报”。

碎片内容

建筑工程外脚手架对钢管、扣件的材料质量要求

确认删除?
VIP
微信客服
  • 扫码咨询
会员Q群
  • 会员专属群点击这里加入QQ群
客服邮箱
回到顶部