电脑桌面
添加小米粒文库到电脑桌面
安装后可以在桌面快捷访问

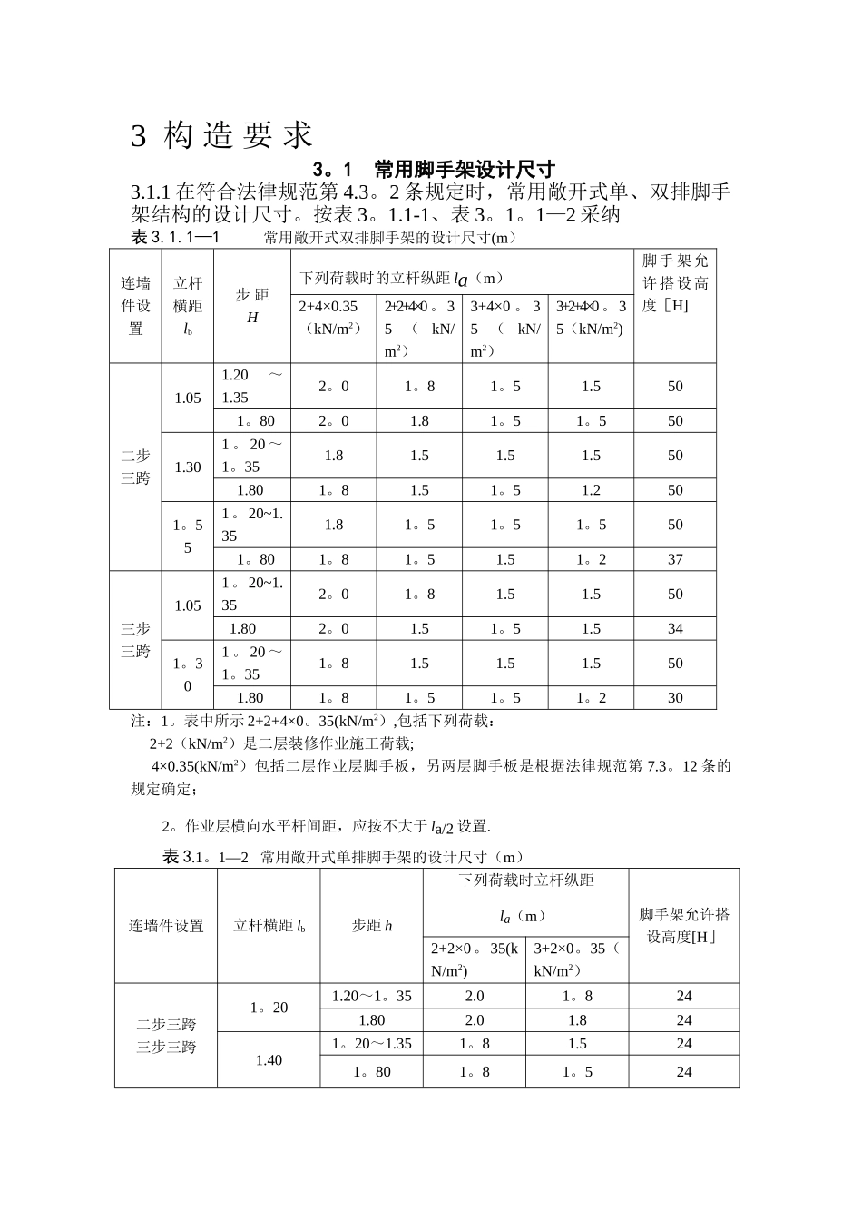
建筑工程扣件式钢管脚手架专项施工方案

建筑工程扣件式钢管脚手架专项施工方案_第1页
1/10
建筑工程扣件式钢管脚手架专项施工方案_第2页
2/10
建筑工程扣件式钢管脚手架专项施工方案_第3页
3/10
建筑施工扣件式钢管脚手架专项施工方案编制人审核人审批人编制单位编制日期: 年 月 日 1 总 则1.0。1 为在扣件式钢管脚手架设计与施工中贯彻执行国家的技术经济政策,做到技术先进、经济合理、安全适用、确保质量、制定本方案。1.0。2 本方案为扣件式钢管脚手架在施工中的指导性文件单排脚手架不适用于下列情况:1)墙体厚度小于或等于 180mm;2)建筑物高度超过 24m;3)空斗砖墙、加气块墙等轻质墙体;4)砌筑砂浆强度等级小于或等于 M1。0 的砖墙。1.0.3扣件式钢管脚手架施工前,已按安全技术法律规范的规定对脚手架结构构件与立杆地基承载力进行设计计算,但在法律规范第 5。1。5 条规定的情况下,相应杆件可不再进行设计计算。1.0.4本方案根据中华人民共和国行业标准“建筑施工扣件式钢管脚手架安全技术法律规范”以下简称法律规范编制.1.0.5扣件式钢管脚手架的设计与施工,除应符合法律规范的规定外,尚应符合国家现行有关强制性标准的规定.2 施 工 方 案 2.1 钢 管2。1.1 脚手架钢管应采纳现行国家标准《直缝电焊钢管》 (GB/T 13793)或《低压流体输送用焊接钢管》(GB/T 3092)中规定的 3 号普通钢管,其质量应符合现行国家标准《碳素结构钢》( GB/T 700)中 Q235—A 级钢的规定。2。1.2 脚手架钢管的尺寸应按表 2。1.2 采纳。每根钢管的最大重量不应大于 25kg,宜采纳 φ48×3.5 钢管。表 2。1.2 脚手架钢管尺寸(mm)截 图 尺 寸 最 大 长 度 外径 φ,d 壁厚 t 横向水平杆 其他杆 48 51 3。5 3.0 2200 65002.1.3 钢管的尺寸的表面质量应符合下列规定: 1 新、旧钢管的尺寸、表面质量和外形应分别符合安全技术法律规范第 8.1。1、8。1。2 条的规定;2 钢管上严禁打孔 2。2 扣 件 2.2。1 扣件式钢管脚手架应采纳可锻铸铁制作的扣件,其材质应符合现行国家标准《钢管脚手架扣件》(GB 15831)的规定;采纳其他材料制作的扣件,应经试验证明其质量符合该标准的规定后方可使用。2。2。2 脚手架采纳的扣件,在螺栓拧紧扭力矩达 65N·m 时,不得发生破坏。2。3 脚手板2。3。1 脚手板采纳、木、竹材料制作,每块质量不宜大于 30kg。2。3。3 木脚手板应采纳杉木或松木制作,其材质应符合现行国家标准《木结构设计法律规范》(GBJ 5)中Ⅱ级材质的规定.脚手板厚度不应小于 50mm,两端应各设直径为 4mm 的镀锌钢丝箍两道2。3。4 竹脚手板采纳由楠竹制作的竹串板,竹笆板...

1、当您付费下载文档后,您只拥有了使用权限,并不意味着购买了版权,文档只能用于自身使用,不得用于其他商业用途(如 [转卖]进行直接盈利或[编辑后售卖]进行间接盈利)。
2、本站所有内容均由合作方或网友上传,本站不对文档的完整性、权威性及其观点立场正确性做任何保证或承诺!文档内容仅供研究参考,付费前请自行鉴别。
3、如文档内容存在违规,或者侵犯商业秘密、侵犯著作权等,请点击“违规举报”。

碎片内容

建筑工程扣件式钢管脚手架专项施工方案

确认删除?
VIP
微信客服
  • 扫码咨询
会员Q群
  • 会员专属群点击这里加入QQ群
客服邮箱
回到顶部