电脑桌面
添加小米粒文库到电脑桌面
安装后可以在桌面快捷访问

建筑工程检测试验技术管理规范(进场复验)

建筑工程检测试验技术管理规范(进场复验)_第1页
1/19
建筑工程检测试验技术管理规范(进场复验)_第2页
2/19
建筑工程检测试验技术管理规范(进场复验)_第3页
3/19
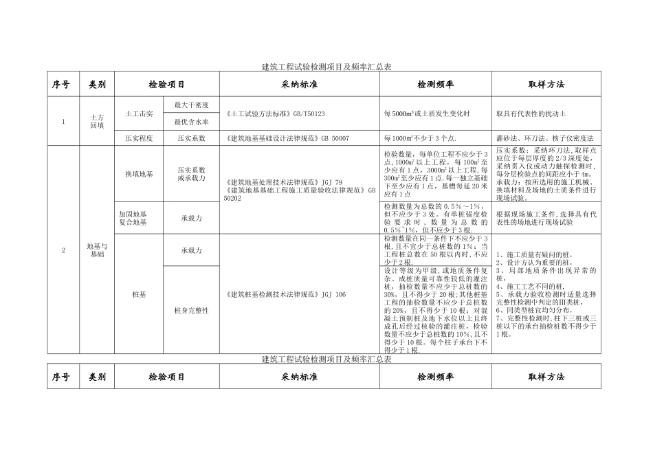
建筑工程试验检测项目及频率汇总表序号类别检验项目采纳标准检测频率取样方法1土方回填土工击实最大干密度《土工试验方法标准》GB/T50123每 5000m3或土质发生变化时取具有代表性的扰动土最优含水率压实程度压实系数《建筑地基基础设计法律规范》GB 50007每 1000㎡不少于 3 个点.灌砂法、环刀法、核子仪密度法2地基与基础换填地基压实系数或承载力《建筑地基处理技术法律规范》JGJ 79《建筑地基基础工程施工质量验收法律规范》GB 50202检验数量,每单位工程不应少于 3点,1000m2 以上工程,每 100m2 至少应有 1 点,3000m2 以上工程,每300m2至少应有 1 点.每一独立基础下至少应有 1 点,基槽每延 20 米应有 1 点压实系数:采纳环刀法,取样点应位于每层厚度的 2/3 深度处,采纳贯入仪或动力触探检测时,每分层检验点的间距应小于 4m。承载力:按所选用的施工机械、换填材料及场地的土质条件进行现场试验。加固地基复合地基承载力检测数量为总数的 0.5%~1%,但不应少于 3 处。有单桩强度检验 要 求 时 , 数 量 为 总 数 的0.5%~1%,但不应少于 3 根.根据现场施工条件,选择具有代表性的场地进行现场试验桩基承载力《建筑桩基检测技术法律规范》JGJ 106检测数量在同一条件下不应少于 3根,且不宜少于总桩数的 1%;当工程桩总数在 50 根以内时,不应少于 2 根.1、施工质量有疑问的桩,2、设计方认为重要的桩,3 、 局 部 地 质 条 件 出 现 异 常 的桩,4、施工工艺不同的桩,5、承载力验收检测时适量选择完整性检测中判定的Ⅲ类桩,6、同类型桩宜均匀分布,7、完整性检测时,柱下三桩或三桩以下的承台抽检桩数不得少于1 根。桩身完整性设计等级为甲级,或地质条件复杂、成桩质量可靠性较低的灌注桩,抽检数量不应少于总桩数的30%,且不得少于 20 根;其他桩基工程的抽检数量不应少于总桩数的 20%,且不得少于 10 根;对混凝土预制桩及地下水位以上且终成孔后经过核验的灌注桩,检验数量不应少于总桩数的 10%,且不得少于 10 根。每个柱子承台下不得少于 1 根.建筑工程试验检测项目及频率汇总表序号类别检验项目采纳标准检测频率取样方法3基坑支护土钉墙土钉抗拔力《建筑基坑支护技术规程》JGJ 120土钉采纳抗拉试验检测承载力,同一条件下,试验数量不宜少于土钉总数的 1%,且不应少于 3 根;现场随机取样水泥土墙墙身完整性水泥土墙应在设计开挖龄期采纳钻芯法检测墙身完整性,...

1、当您付费下载文档后,您只拥有了使用权限,并不意味着购买了版权,文档只能用于自身使用,不得用于其他商业用途(如 [转卖]进行直接盈利或[编辑后售卖]进行间接盈利)。
2、本站所有内容均由合作方或网友上传,本站不对文档的完整性、权威性及其观点立场正确性做任何保证或承诺!文档内容仅供研究参考,付费前请自行鉴别。
3、如文档内容存在违规,或者侵犯商业秘密、侵犯著作权等,请点击“违规举报”。

碎片内容

建筑工程检测试验技术管理规范(进场复验)

津创媒+ 关注
实名认证
内容提供者

欢迎交流文创,小店资料希望满足您的需要。

确认删除?
VIP
微信客服
  • 扫码咨询
会员Q群
  • 会员专属群点击这里加入QQ群
客服邮箱
回到顶部