电脑桌面
添加小米粒文库到电脑桌面
安装后可以在桌面快捷访问

建筑工程试验计划

建筑工程试验计划_第1页
1/10
建筑工程试验计划_第2页
2/10
建筑工程试验计划_第3页
3/10
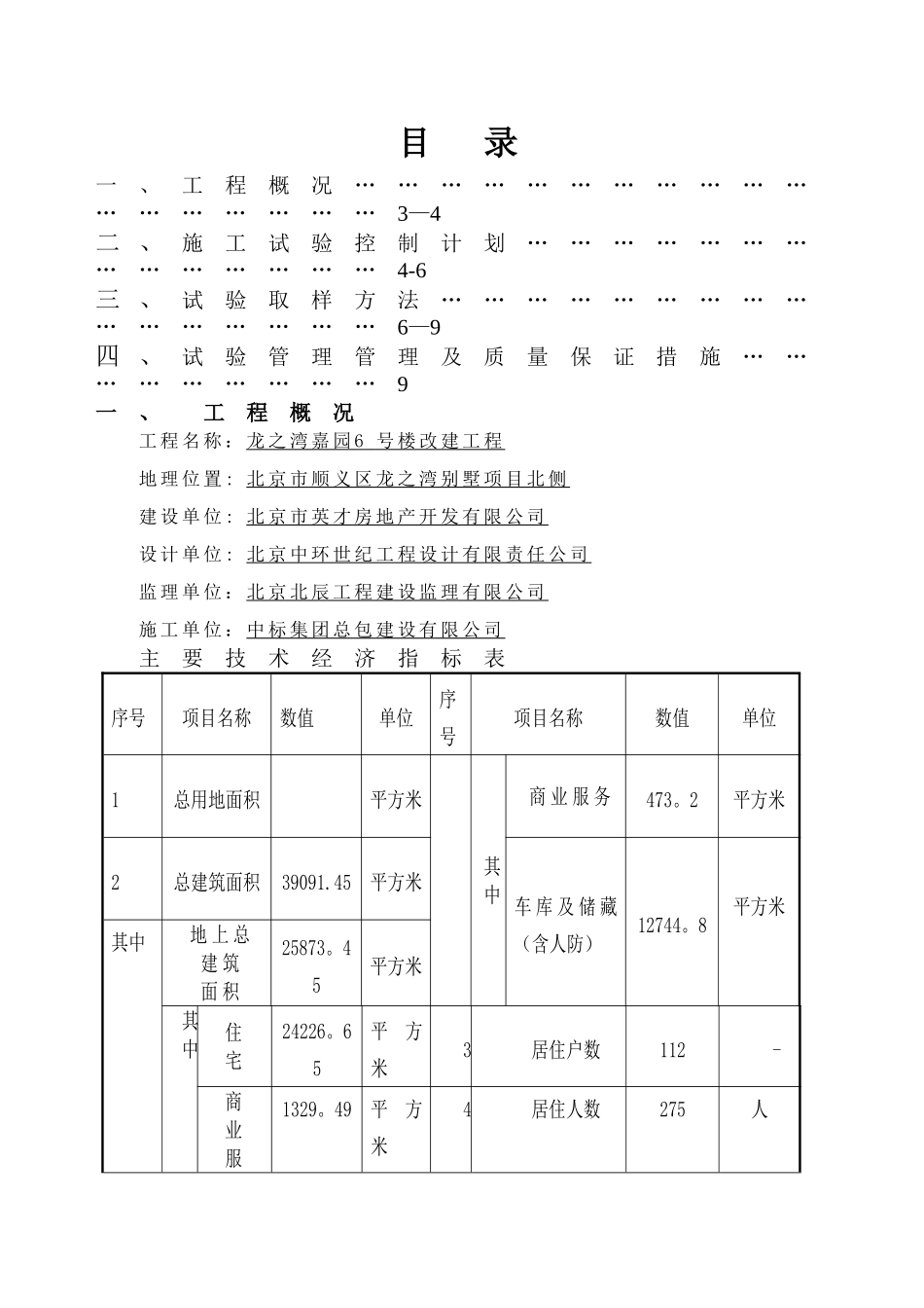
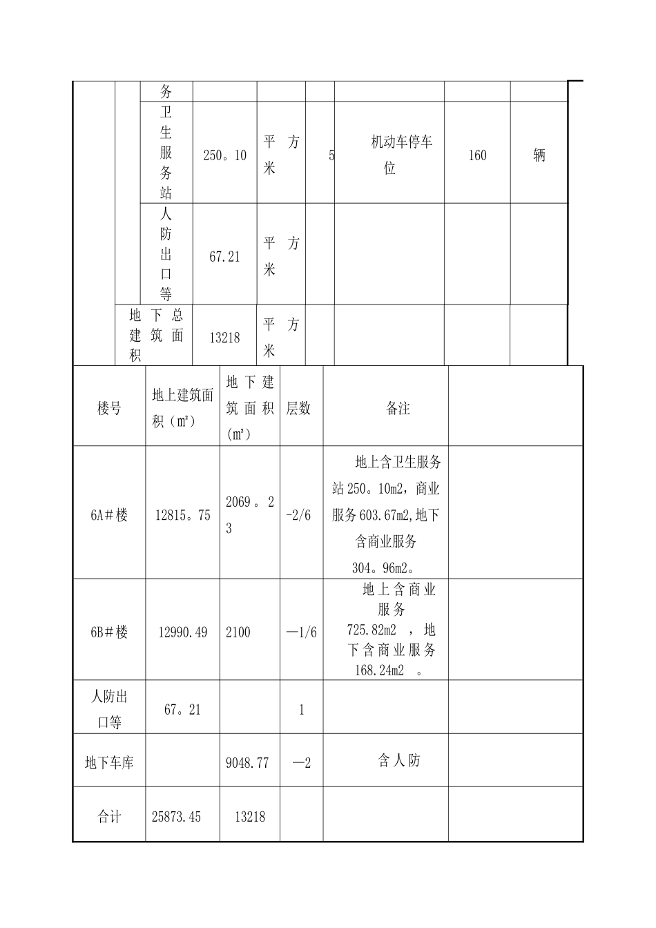
龙 之 湾 嘉 园 6 号 楼 改 建 工 程工程试验计划 编制人: 审核人: 批准人:编制单位中标集团总包建设有限公司目 录一、工程概况………………………………………………3—4二 、施工试验控制计划……………………………………4-6三 、试验取样方法…………………………………………6—9四 、试验管理管理及质量保证措施………………………9一、 工程概况工 程 名 称 : 龙 之 湾 嘉 园 6 号 楼 改 建 工 程 地 理 位 置 : 北 京 市 顺 义 区 龙 之 湾 别 墅 项 目 北 侧建 设 单 位 : 北 京 市 英 才 房 地 产 开 发 有 限 公 司设 计 单 位 : 北 京 中 环 世 纪 工 程 设 计 有 限 责 任 公 司监 理 单 位 : 北 京 北 辰 工 程 建 设 监 理 有 限 公 司施 工 单 位 : 中 标 集 团 总 包 建 设 有 限 公 司主要技术经济指标表序号项目名称数值单位序号项目名称数值单位1总用地面积平方米其中商 业 服 务473。2平方米2总建筑面积39091.45平方米车 库 及 储 藏(含人防)12744。8平方米其中地 上 总建 筑面 积25873。45平方米其中住宅24226。65平方米3居住户数112-商业服1329。49平方米4居住人数275人务卫生服务站250。10平方米5机动车停车位160辆人防出口等67.21平方米地 下 总建 筑 面积13218平方米楼号地上建筑面积(㎡)地 下 建筑 面 积(㎡)层数备注6A#楼12815。752069 。 23-2/6地上含卫生服务站 250。10m2,商业服务 603.67m2,地下含商业服务304。96m2。6B#楼12990.492100—1/6地 上 含 商 业服 务725.82m2, 地下 含 商 业 服 务168.24m2。人防出口等67。211地下车库9048.77—2含 人 防合计25873.4513218二、施工试验控制计划根据该工程的工程量,依据图纸要求,依照有关文件、法规、原材试验工试验的规程,法律规范的要求,对现场的试验做出预控计划,以便有条不紊的做好试验工作,真正做到把好原材料及其制品的质量关,防止不合格材料用于工程上, 以保证工程质量.2 。1 混凝土部分本工程所用的混凝土全部为预拌混凝土。预拌混凝土混凝土配合比通知单、混凝土氯化物和碱总量计算书等均由预拌混凝土供应单位提供,并提供预拌混凝土运输单、预拌混凝土合格证。2 。2 混凝土试块的留置根据划分的流水段, 以同一浇筑部位,同一强度等级,同一配合比,同一工...

1、当您付费下载文档后,您只拥有了使用权限,并不意味着购买了版权,文档只能用于自身使用,不得用于其他商业用途(如 [转卖]进行直接盈利或[编辑后售卖]进行间接盈利)。
2、本站所有内容均由合作方或网友上传,本站不对文档的完整性、权威性及其观点立场正确性做任何保证或承诺!文档内容仅供研究参考,付费前请自行鉴别。
3、如文档内容存在违规,或者侵犯商业秘密、侵犯著作权等,请点击“违规举报”。

碎片内容

建筑工程试验计划

您可能关注的文档

确认删除?
VIP
微信客服
  • 扫码咨询
会员Q群
  • 会员专属群点击这里加入QQ群
客服邮箱
回到顶部