电脑桌面
添加小米粒文库到电脑桌面
安装后可以在桌面快捷访问

建筑用砂石质量技术指标

建筑用砂石质量技术指标_第1页
1/14
建筑用砂石质量技术指标_第2页
2/14
建筑用砂石质量技术指标_第3页
3/14
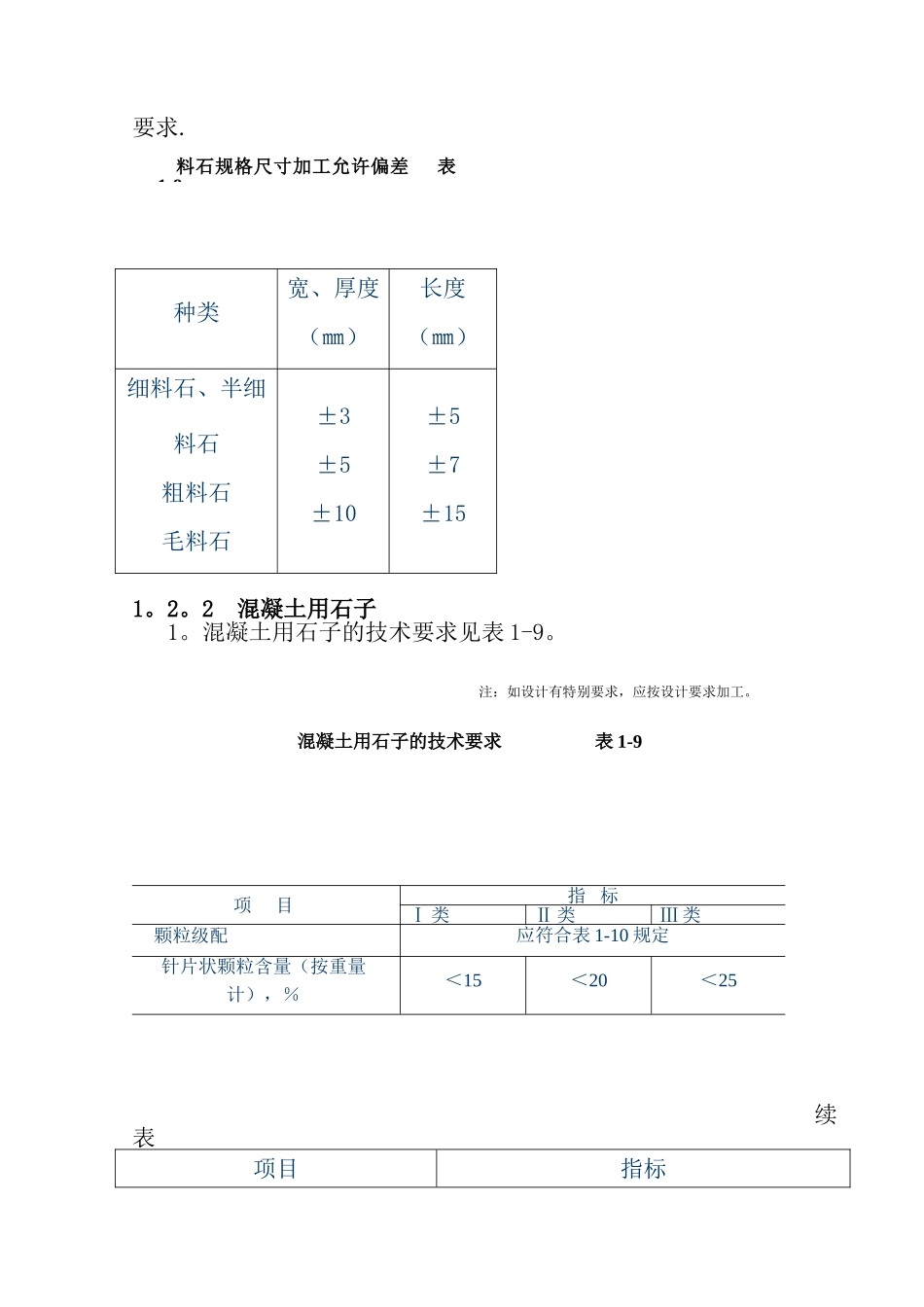
建筑用砂石质量技术指标1。2.1 砌体用石材1. 1。 天然石材(1) (1) 常见天然石材的主要技术性能可参照表 1—6。(2) (2) 石砌体所用的石材应符合设计规定的强度等级和岩种,并应质地坚实,无风化、剥落和裂纹。(3) (3) 当设计对石料强度无具体要求时,抗压强度可参照以下数值:毛石、毛料石 30MPa粗料石、半细料石、细料石 40MPa2. 卵石 卵石规格应基本一致,并应无脱层、蜂窝,外形应呈扁平状。呈圆球状、针状、薄片状及表面特别光滑者不得使用。3. 毛石毛石砌体所用的毛石,包括乱毛石和平毛石,其外形应呈块状,中部厚度不宜小于 15㎝(砌挡土墙的毛石,中部厚度不小于 20㎝)。注:乱毛石系指形状不规则的石块;平毛石系指形状不规则,但有两个平面大致平行的石块。4.4. 料石(1) (1) 料石表面的加工,应符合表 1-7 的要求。(2) (2) 各种砌筑用料石的宽度、厚度均不宜小于 20㎝;长度不宜大于厚度的 4 倍。料石规格尺寸的加工允许偏差符合表 1-8石材名称表观密度(㎏/m3)抗压强度花岗岩石灰岩砂 岩26001800~26002400~2600120~25010~10040~250 常见天然石材主要技术性能 表 1-6注:石灰岩的耐热、耐酸性较差,故高温及含有大量碳酸气或酸性废水的构筑物不宜使用。料石表面加工质量要求 表 1-7种类外露面及相接周边的表面凹入深度不大于(㎜)叠砌面和接砌面的表面凹入深度不大于(㎜)细 料 石半细料石粗 料 石毛 料 石21020稍加修整10152025 注:1.相接周边的表面系指叠砌面、接砌面与外露面相接处 2~3㎝范围内的部分。 2. 有装饰层的料石表面,其加工应符合装饰施工的要求。 3. 当设计对外露面有特别要求时,应按设计要求加工。 要求. 种类宽、厚度(㎜)长度(㎜)细料石、半细料石粗料石毛料石±3±5±10±5±7±15 1。2。2 混凝土用石子 1。混凝土用石子的技术要求见表 1-9。 续表项目指标料石规格尺寸加工允许偏差 表1-8注:如设计有特别要求,应按设计要求加工。混凝土用石子的技术要求 表 1-9项 目指 标Ⅰ 类Ⅱ 类Ⅲ 类颗粒级配应符合表 1-10 规定针片状颗粒含量(按重量计),%<15<20<25Ⅰ 类Ⅱ 类Ⅲ 类泥、粘土块含量(按重量计),%泥<0。5<1。0<1。5粘土块0<0。5<0。7针片状颗粒按重量计(%)<5<15<25有害物质含量(%)(不应混有草根、树枝、树叶、塑料品、煤块、炉渣等)硫化物与硫酸盐(以SO3重量计)<0。5<1。0<1。0有机物合格合...

1、当您付费下载文档后,您只拥有了使用权限,并不意味着购买了版权,文档只能用于自身使用,不得用于其他商业用途(如 [转卖]进行直接盈利或[编辑后售卖]进行间接盈利)。
2、本站所有内容均由合作方或网友上传,本站不对文档的完整性、权威性及其观点立场正确性做任何保证或承诺!文档内容仅供研究参考,付费前请自行鉴别。
3、如文档内容存在违规,或者侵犯商业秘密、侵犯著作权等,请点击“违规举报”。

碎片内容

建筑用砂石质量技术指标

您可能关注的文档

确认删除?
VIP
微信客服
  • 扫码咨询
会员Q群
  • 会员专属群点击这里加入QQ群
客服邮箱
回到顶部