电脑桌面
添加小米粒文库到电脑桌面
安装后可以在桌面快捷访问

建筑结构实体质量检查检验用表3

建筑结构实体质量检查检验用表3_第1页
1/17
建筑结构实体质量检查检验用表3_第2页
2/17
建筑结构实体质量检查检验用表3_第3页
3/17
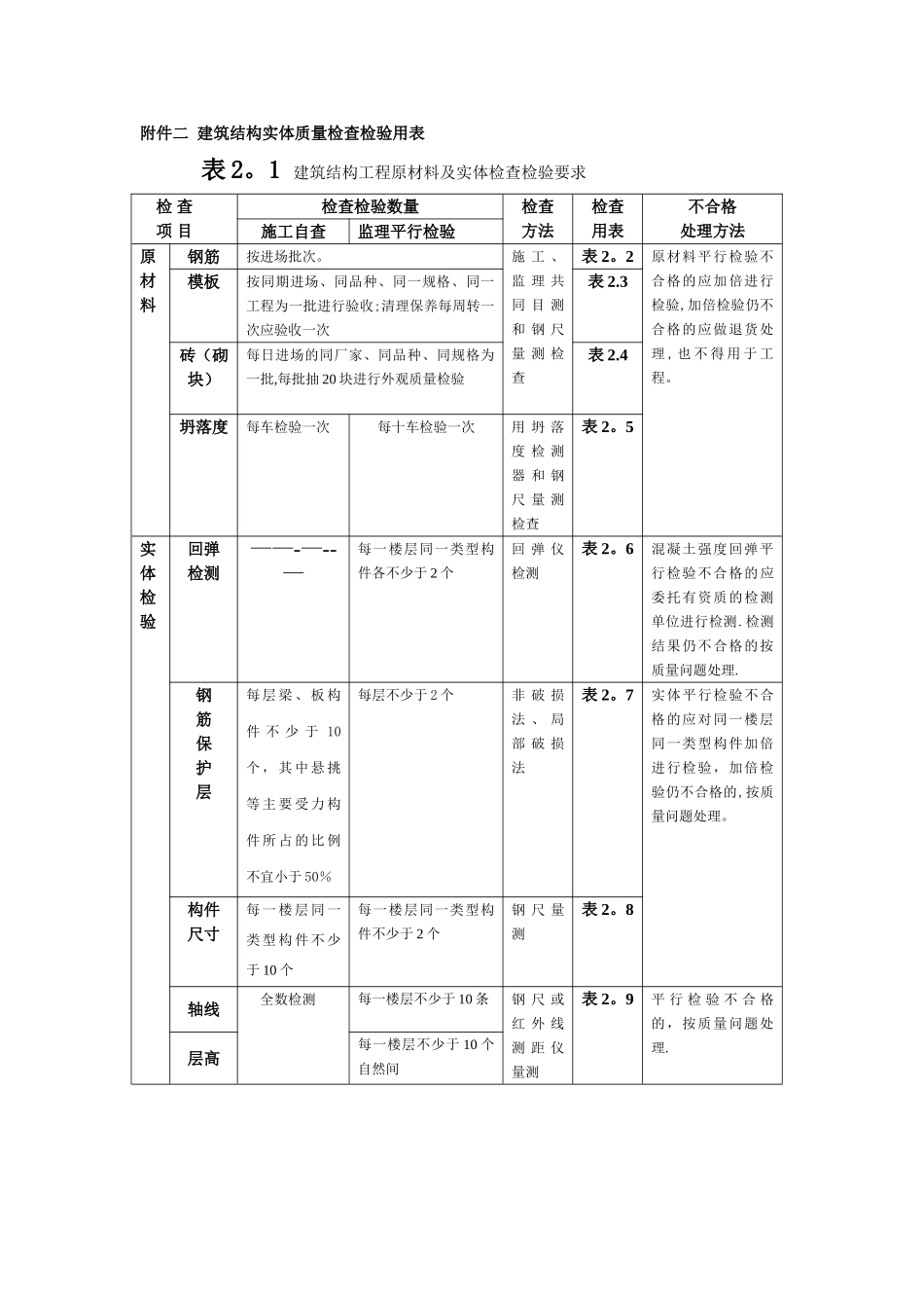
附件二 建筑结构实体质量检查检验用表表 2。1 建筑结构工程原材料及实体检查检验要求检 查项 目检查检验数量检查方法检查用表不合格处理方法施工自查监理平行检验原材料钢筋按进场批次。施 工 、监 理 共同 目 测和 钢 尺量 测 检查表 2。2原材料平行检验不合格的应加倍进行检验,加倍检验仍不合格的应做退货处理 , 也 不 得 用 于 工程。模板按同期进场、同品种、同一规格、同一工程为一批进行验收;清理保养每周转一次应验收一次表 2.3砖(砌块)每日进场的同厂家、同品种、同规格为一批,每批抽 20 块进行外观质量检验表 2.4坍落度每车检验一次每十车检验一次用 坍 落度 检 测器 和 钢尺 量 测检查表 2。5实体检验回弹检测——-—--—每一楼层同一类型构件各不少于 2 个回 弹 仪检测表 2。6混凝土强度回弹平行检验不合格的应委托有资质的检测单位进行检测.检测结果仍不合格的按质量问题处理.钢筋保护层每 层 梁 、 板 构件 不 少 于 10个 , 其 中 悬 挑等 主 要 受 力 构件 所 占 的 比 例不宜小于 50% 每层不少于 2 个非 破 损法 、 局部 破 损法表 2。7实体平行检验不合格的应对同一楼层同一类型构件加倍进行检验,加倍检验仍不合格的,按质量问题处理。构件尺寸每 一 楼 层 同 一类 型 构 件 不 少于 10 个每一楼层同一类型构件不少于 2 个钢 尺 量测表 2。8轴线全数检测每一楼层不少于 10 条钢 尺 或红 外 线测 距 仪量测表 2。9平 行 检 验 不 合 格的,按质量问题处理.层高每一楼层不少于 10 个自然间说明1、实体平行检验是在施工单位自检合格后实施,平行检验应有一半数量复核施工单位自检的数据.2、实体平行检验结果与施工单位自检数据有较大偏差时,应共同重新检测或委托有资质的检测单位进行检测,找出原因后,对相应楼层重新进行自检和平行检验.3、混凝土强度回弹平行检验结果低于设计值 1 个等级或钢筋保护层、构件尺寸、轴线、层高平行检验数据超过法律规范允许偏差 1。5 倍(钢结构 1。2 倍)时,判定为平行检验不合格.表 2.2、钢筋进场外观检验(报验)记录工程名称: 如意山水(戴村)保障房二期二标段编号:序号钢筋型号生产厂家进场时间数量(t)炉批号直径偏差(mm)外观质量外加工进场抽检情况检查结论锈蚀(颗粒状、片状)裂纹油污平直损伤检验结论施工单位检查人 : 监理机构检验人:质检员: 监理工程...

1、当您付费下载文档后,您只拥有了使用权限,并不意味着购买了版权,文档只能用于自身使用,不得用于其他商业用途(如 [转卖]进行直接盈利或[编辑后售卖]进行间接盈利)。
2、本站所有内容均由合作方或网友上传,本站不对文档的完整性、权威性及其观点立场正确性做任何保证或承诺!文档内容仅供研究参考,付费前请自行鉴别。
3、如文档内容存在违规,或者侵犯商业秘密、侵犯著作权等,请点击“违规举报”。

碎片内容

建筑结构实体质量检查检验用表3

确认删除?
VIP
微信客服
  • 扫码咨询
会员Q群
  • 会员专属群点击这里加入QQ群
客服邮箱
回到顶部