电脑桌面
添加小米粒文库到电脑桌面
安装后可以在桌面快捷访问

建设工程安全检查表1

建设工程安全检查表1_第1页
1/5
建设工程安全检查表1_第2页
2/5
建设工程安全检查表1_第3页
3/5
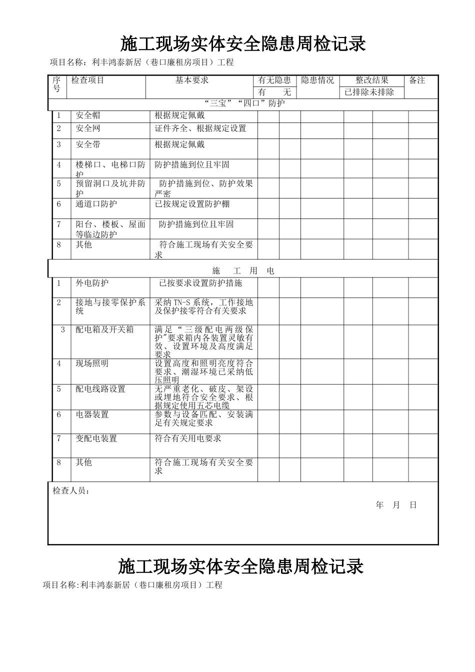
重庆市建设工程施工现场实体安全隐患每周检查表项目名称:利丰鸿泰新居 ( 巷口廉租房项目)工程 建设单位:武隆县投资有限责任公司 监理单位:重庆楚江建设监理咨询有限公司施工单位:北城致远集团有限公司年 月 日填 表 说 明一、施工现场实体安全隐患日检记录由项目专职安全管理员填写。具体填写要求如下:1、“有无隐患”一项中,如检查中未发现安全隐患,在“无”一栏划√;如发现存在安全隐患,在“有”一栏划√,并在“隐患情况"一栏中写明具体情况;2、对检查中发现并已消除的安全隐患,在“整改结果"中的“已排除”一栏划√;3、对检查中发现但未消除的安全隐患,在“整改结果”中的“未排除”一栏划√,并在“备注"栏写明实际处置情况;4、凡是未能及时整改的安全隐患,应及时上报项目部,根据“五定"原则落实整改到位,并记入重大安全隐患整治档案,督办并确保销号。二、每次安全检查所填写的记录必须真实准确,签字完善,不得随意涂改。三、所填写的每日安全隐患检查表格,将作为直接责任人履行安全职责的原始凭据,应保存完整,随时备查。施工现场实体安全隐患周检记录项目名称:利丰鸿泰新居(巷口廉租房项目)工程施工现场实体安全隐患周检记录项目名称:利丰鸿泰新居(巷口廉租房项目)工程序号检查项目基本要求有无隐患隐患情况整改结果备注有 无已排除未排除“三宝”“四口”防护1安全帽根据规定佩戴2安全网证件齐全、根据规定设置3安全带根据规定佩戴4楼梯口、电梯口防护防护措施到位且牢固5预留洞口及坑井防护 防护措施到位、防护效果严密6通道口防护已按规定设置防护棚 7阳台、楼板、屋面等临边防护 防护措施到位且牢固8其他 符合施工现场有关安全要求施 工 用 电1外电防护 已按要求设置防护措施2接地与接零保护系统采纳 TN-S 系统,工作接地及保护接零符合有关要求 3配电箱及开关箱满 足 “ 三 级 配 电 两 级 保护"要求箱内各装置灵敏有效、设置环境及高度满足要求4现场照明设置高度和照明亮度符合要求、潮湿环境已采纳低压照明5配电线路设置无严重老化、破皮、架设或埋地符合安全要求、根据规定使用五芯电缆6电器装置参数与设备匹配、安装满足有关规定要求7变配电装置符合有关用电要求8其他符合施工现场有关安全要求检查人员:年 月 日施工现场实体安全隐患周检记录项目名称:利丰鸿泰新居(巷口廉租房项目)工程序号检查项目基本要求有无隐患隐患情况整改结果备注有 无已排除未排除施 工 升 ...

1、当您付费下载文档后,您只拥有了使用权限,并不意味着购买了版权,文档只能用于自身使用,不得用于其他商业用途(如 [转卖]进行直接盈利或[编辑后售卖]进行间接盈利)。
2、本站所有内容均由合作方或网友上传,本站不对文档的完整性、权威性及其观点立场正确性做任何保证或承诺!文档内容仅供研究参考,付费前请自行鉴别。
3、如文档内容存在违规,或者侵犯商业秘密、侵犯著作权等,请点击“违规举报”。

碎片内容

建设工程安全检查表1

您可能关注的文档

确认删除?
VIP
微信客服
  • 扫码咨询
会员Q群
  • 会员专属群点击这里加入QQ群
客服邮箱
回到顶部