电脑桌面
添加小米粒文库到电脑桌面
安装后可以在桌面快捷访问

建设工程施工质量检查表

建设工程施工质量检查表_第1页
1/10
建设工程施工质量检查表_第2页
2/10
建设工程施工质量检查表_第3页
3/10
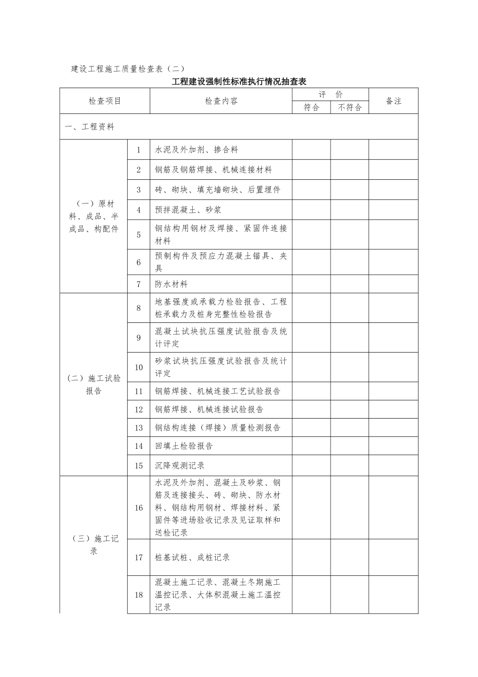
附件 2:建设工程施工质量检查表(一)受检工程基本情况表工程所在地(市、县):工程名称工程地点施工许可证号开工日期建筑面积平方米建筑层数结构类型形象进度质量责任主体和有关机构单位单位名称单位资质项目负责人姓名项目负责人执业资格建设单位勘察单位设计单位施工单位监理单位施工图审查机构质量检测机构备 注建设工程施工质量检查表(二)工程建设强制性标准执行情况抽查表检查项目检查内容评 价备注符合不符合一、工程资料(一)原材料、成品、半成品、构配件1水泥及外加剂、掺合料2钢筋及钢筋焊接、机械连接材料3砖、砌块、填充墙砌块、后置埋件4预拌混凝土、砂浆5钢结构用钢材及焊接、紧固件连接材料6预制构件及预应力混凝土锚具、夹具7防水材料(二)施工试验报告8地基强度或承载力检验报告、工程桩承载力及桩身完整性检验报告9混凝土试块抗压强度试验报告及统计评定10砂浆试块抗压强度试验报告及统计评定11钢筋焊接、机械连接工艺试验报告12钢筋焊接、机械连接试验报告13钢结构连接(焊接)质量检测报告14回填土检验报告15沉降观测记录(三)施工记录16水泥及外加剂、混凝土及砂浆、钢筋及连接接头、砖、砌块、防水材料、钢结构用钢材、焊接材料、紧固件等进场验收记录及见证取样和送检记录17桩基试桩、成桩记录18混凝土施工记录、混凝土冬期施工温控记录、大体积混凝土施工温控记录检查项目检查内容评 价备注符合不符合(三)施工记录19预应力筋的张拉、安装和灌浆记录20预制构件、钢构件吊装记录21钢结构整体垂直度和整体平面弯曲度、钢网架挠度检验记录22填充墙砌体植筋记录、锚固力检测报告23结构实体检验记录(四)质量验收记录24地基验槽记录25桩位偏差、桩顶标高验收记录26隐蔽工程验收记录27检验批、分项、分部(子分部)验收记录28工程质量问题处理及验收记录二、工程实体(五)钢筋工程29钢筋品种、级别、规格和数量:对比施工图检查30钢筋代换:检查钢筋的品种、级别或规格变更是否办理设计变更文件31钢筋加工制作:检查加工、绑扎质量是否满足要求32钢筋连接:检查连接方式和连接质量33受力钢筋位置和混凝土保护层厚度:检查作业面上的受力钢筋间距、固定措施,节点部位的箍筋间距,混凝土保护层厚度(六)混凝土工程34混凝土试块留置:检查混凝土试块留置数量、养护环境、标识等35混凝土的外观质量和尺寸偏差:检查混凝土外观质量,抽查混凝土构件尺寸偏差检查项目检查内容评 价备注符合不符合(七)砌体工程36砌筑砂浆强度和试...

1、当您付费下载文档后,您只拥有了使用权限,并不意味着购买了版权,文档只能用于自身使用,不得用于其他商业用途(如 [转卖]进行直接盈利或[编辑后售卖]进行间接盈利)。
2、本站所有内容均由合作方或网友上传,本站不对文档的完整性、权威性及其观点立场正确性做任何保证或承诺!文档内容仅供研究参考,付费前请自行鉴别。
3、如文档内容存在违规,或者侵犯商业秘密、侵犯著作权等,请点击“违规举报”。

碎片内容

建设工程施工质量检查表

您可能关注的文档

确认删除?
VIP
微信客服
  • 扫码咨询
会员Q群
  • 会员专属群点击这里加入QQ群
客服邮箱
回到顶部