电脑桌面
添加小米粒文库到电脑桌面
安装后可以在桌面快捷访问

建设工程消防设计审核申报表(范本)

建设工程消防设计审核申报表(范本)_第1页
1/3
建设工程消防设计审核申报表(范本)_第2页
2/3
建设工程消防设计审核申报表(范本)_第3页
3/3
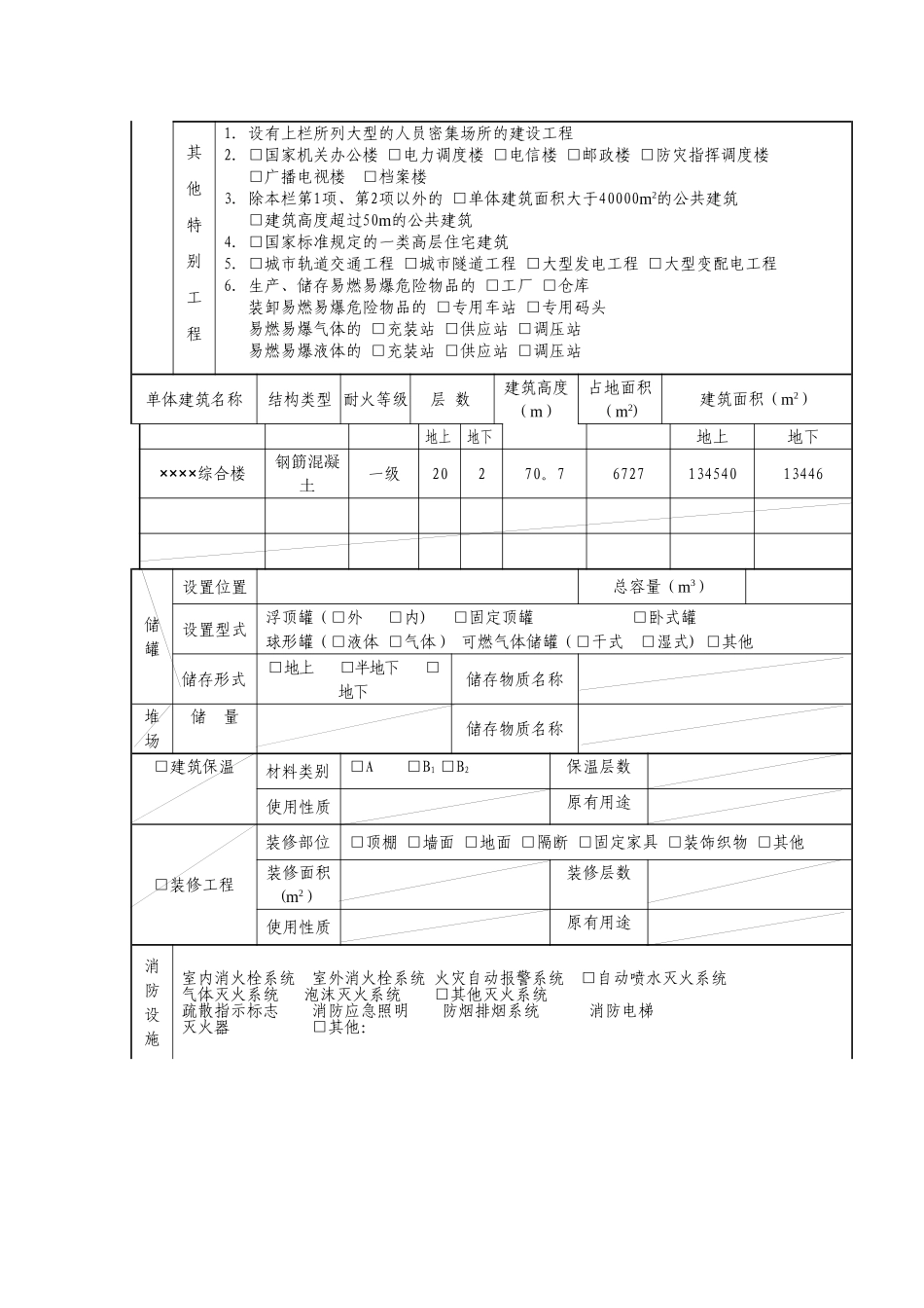
范本建设工程消防设计审核申报表工程名称 ×××× 商业中心 建设单位 ×××× 有限公司 (印章)填表日期 201× 年 11 月 1 日 中华人民共和国公安部制建设单位×××× 有限公司法定代表人/主要负责人×××联系电话××××××工程名称×××× 商业中心联系人×××联系电话××××××工程地址××市××路××号计划开工日期 201×年×月×日计划竣工日期2024 年×月×日类 别新建 □扩建 □改建(□装修 □建筑保温 □改变用途)单位类别单位名称资质等级 法定代表人/主要负责人联系人联系电话设计单位×××× 建筑设计有限公司甲级××××××××××××施工单位×××× 建筑工程有限公司一级××××××××××××××××消防工程有限公司一级××××××××××××监理单位××××监理有限公司甲级××××××××××××使用性质大型的人员密集场所1.建筑总面积大于 500m2的□歌舞厅 □录像厅 □放映厅 □卡拉OK厅夜总会□游艺厅 桑拿浴室 □网吧 □酒吧□具有娱乐功能的餐馆□具有娱乐功能的茶馆□具有娱乐功能的咖啡厅2.建筑总面积大于 1000m2的□托儿所的儿童用房 □幼儿园的儿童用房□儿童游乐厅□其他室内儿童活动场所 □养老院 □福利院□医院的病房楼 □疗养院的病房楼□中小学校的教学楼□中小学校的图书馆□中小学校的食堂 □学校的集体宿舍□劳动密集型企业的员工集体宿舍3.建筑总面积大于 2500m2的影剧院 □公共图书馆的阅览室 □营业性室内健身场馆 □营业性室内休闲场馆□医院的门诊楼 □大学的教学楼 □大学的图书馆 □大学的食堂 □劳动密集型企业的生产加工车间 □寺庙 □教堂4.建筑总面积大于 10000m2的 宾馆 □饭店 商场 □市场5.建筑总面积大于 15000m2的□民用机场航站楼 □客运车站候车室 □客运码头候船厅6.建筑总面积大于 20000m2的□体育场馆 □会堂 □公共展览馆的展示厅□博物馆的展示厅其他特别工程1.设有上栏所列大型的人员密集场所的建设工程2.□国家机关办公楼 □电力调度楼 □电信楼 □邮政楼 □防灾指挥调度楼□广播电视楼 □档案楼3.除本栏第1项、第2项以外的 □单体建筑面积大于40000m2的公共建筑□建筑高度超过50m的公共建筑4.□国家标准规定的一类高层住宅建筑5.□城市轨道交通工程 □城市隧道工程 □大型发电工程 □大型变配电工程6.生产、储存易燃易爆危险物品的 □工厂 □仓库装卸易燃易爆...

1、当您付费下载文档后,您只拥有了使用权限,并不意味着购买了版权,文档只能用于自身使用,不得用于其他商业用途(如 [转卖]进行直接盈利或[编辑后售卖]进行间接盈利)。
2、本站所有内容均由合作方或网友上传,本站不对文档的完整性、权威性及其观点立场正确性做任何保证或承诺!文档内容仅供研究参考,付费前请自行鉴别。
3、如文档内容存在违规,或者侵犯商业秘密、侵犯著作权等,请点击“违规举报”。

碎片内容

建设工程消防设计审核申报表(范本)

您可能关注的文档

确认删除?
VIP
微信客服
  • 扫码咨询
会员Q群
  • 会员专属群点击这里加入QQ群
客服邮箱
回到顶部