电脑桌面
添加小米粒文库到电脑桌面
安装后可以在桌面快捷访问

引孔施工方案

引孔施工方案_第1页
1/6
引孔施工方案_第2页
2/6
引孔施工方案_第3页
3/6
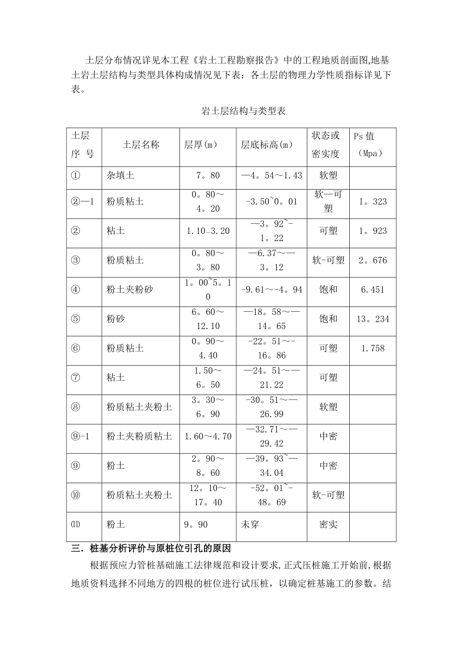
苏州地块桩基工程取土引孔施工方案2024 年 2 月一、编制依据1.本地域工程地质勘察报告.2。《桩基平面布置图》及设计要求。3.桩基工程施工组织设计.4.施工场地总平面图。说明:本方案仅作为本公司《苏州地块桩基工程施工组织设计》的后续补充内容.为保证工程的质量及施工进度,特编制本施工方案.二.工程概况1.工程概述苏州地块桩基工程位于苏州平江区,场地北侧为平河路,南侧为平川路,西侧为江乾路,东侧为锦荷街.该桩基工程新建17层建筑物9幢、11层建筑物1幢。2.设计要求该工程结构采纳框剪结构,设计桩基础采纳静压PHC—500(100)AB—C80型预应力管桩,单桩承载力特征值R=1650KN,设计有效桩30m,设计桩端持力层为9层粉土层,桩数1477套共计44490米.3.场地水文地质条件和周边环境条件根据本工程的岩土工程勘察资料,初设阶段勘察的成果,该工程土层分布从上至下描述如下:根据本次勘探揭露,结合区域地质资料,将本场区勘察深度范围内揭露的地基土层自上而下分为 11 个工程地质层及 2 个工程地质亚层:⑴ 杂填土:灰色—黄灰色,软塑,以粘性土为主,局部夹大量建筑垃圾或淤泥.场区普遍分布。⑵—1 粉质粘土:青灰—灰白色,软-可塑,无摇震反应,稍有光泽,干强度中等,韧性中等.场区局部分布。⑵ 粘土:灰黄色,可塑,含铁锰结核,切面光滑,无摇震反应,干强度高,韧性高。场区局部缺失。⑶ 粉质粘土:灰黄色,软—可塑,含粉粒、铁锰质结核及贝壳碎片,该层底部局部粉粒含量高,稍有光泽,无摇震反应,韧性中等,干强度中等.场区普遍分布。⑷ 粉土夹粉砂:灰色,饱和,稍密,含云母碎片,无光泽反应,干强度低,韧性低.场区普遍分布.⑸ 粉砂:灰色,饱和,稍密-中密,含云母碎片,主要矿物成分为石英、长石,粘粒含量低,颗粒级配不良。场区普遍分布。⑹粉质粘土:灰色,可塑,局部软塑,夹薄层粉土,稍有光泽,无摇震反应,干强度中等,韧性中等。场区普遍分布。⑺粘土:暗绿色,可塑,局部硬塑,有光泽,无摇震反应,干强度高,韧性高。场区局部缺失。⑻粉质粘土夹粉土:灰色,软塑,局部可塑,夹薄层粉土,稍有光泽,无摇震反应,干强度中等,韧性中等。场区普遍分布。⑼-1 粉土夹粉质粘土:灰色,粉土段,中密,局部稍密,粉质粘土段,可塑稍有光泽,无摇震反应,干强度中等,韧性中等。场区普遍分布。⑼ 粉土:灰色,饱和,中密,含石英、云母碎片,无光泽反应,摇震反应迅速,干强度低,韧性低。场区普遍分布。⑽ 粉质粘土夹粉土:灰色,粉质...

1、当您付费下载文档后,您只拥有了使用权限,并不意味着购买了版权,文档只能用于自身使用,不得用于其他商业用途(如 [转卖]进行直接盈利或[编辑后售卖]进行间接盈利)。
2、本站所有内容均由合作方或网友上传,本站不对文档的完整性、权威性及其观点立场正确性做任何保证或承诺!文档内容仅供研究参考,付费前请自行鉴别。
3、如文档内容存在违规,或者侵犯商业秘密、侵犯著作权等,请点击“违规举报”。

碎片内容

引孔施工方案

您可能关注的文档

确认删除?
VIP
微信客服
  • 扫码咨询
会员Q群
  • 会员专属群点击这里加入QQ群
客服邮箱
回到顶部