电脑桌面
添加小米粒文库到电脑桌面
安装后可以在桌面快捷访问

房屋建筑单元工程质量检查评定表

房屋建筑单元工程质量检查评定表_第1页
1/9
房屋建筑单元工程质量检查评定表_第2页
2/9
房屋建筑单元工程质量检查评定表_第3页
3/9
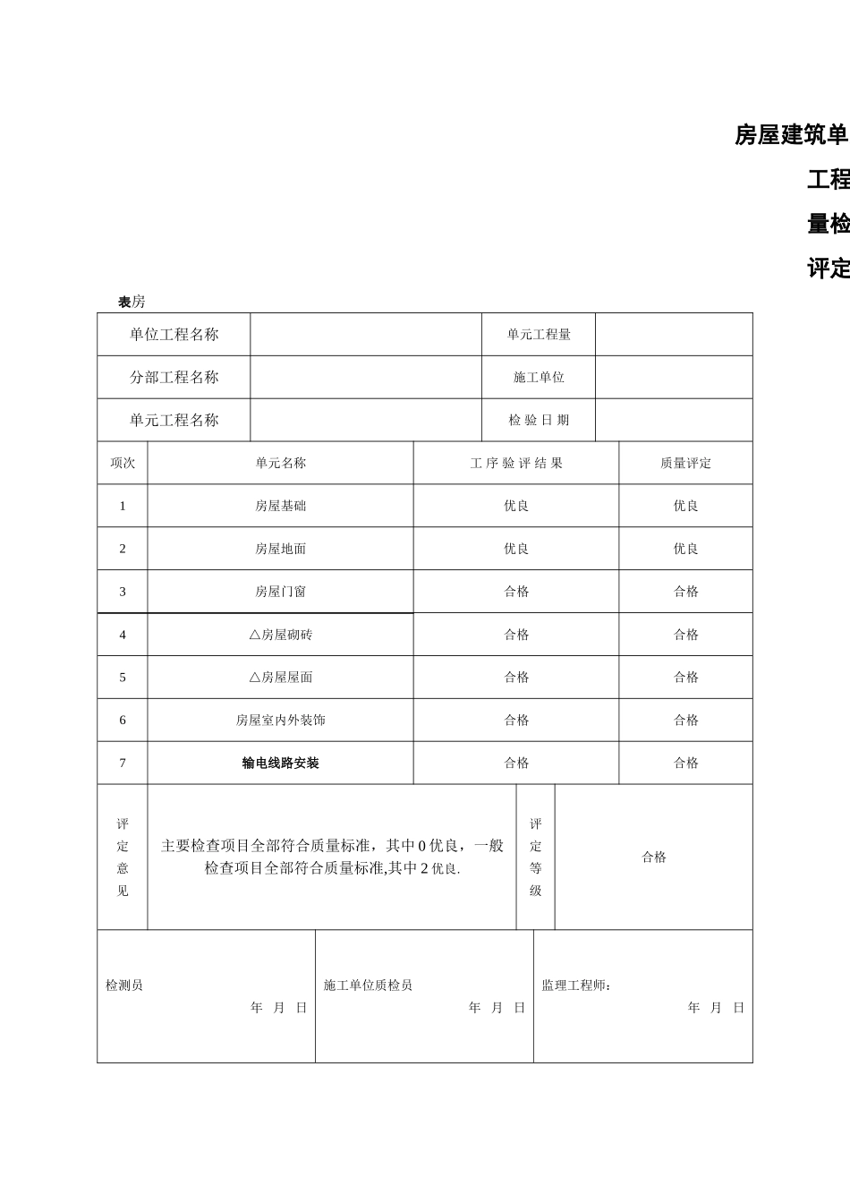
房屋建筑单元工程质量检查评定表表房单位工程名称单元工程量分部工程名称施工单位单元工程名称检 验 日 期项次单元名称工 序 验 评 结 果质量评定1房屋基础优良优良2房屋地面优良优良3房屋门窗合格合格4△房屋砌砖合格合格5△房屋屋面合格合格6房屋室内外装饰合格合格7输电线路安装合格合格评定意见主要检查项目全部符合质量标准,其中 0 优良,一般检查项目全部符合质量标准,其中 2 优良.评定等级合格检测员年 月 日施工单位质检员年 月 日监理工程师:年 月 日备注 小型农田水利工程房—1 房屋基础工序质量评定表单位工程名称单元工程量分部工程名称施工单位单元工程名称检 验 日 期序号检 查 项 目检 验 记 录质量等级合格优良1基底土性符合设计要求,严禁扰动基底符合设计要求√2基底标高符合设计要求,偏差±30mm基底标高符合设计要求,偏差±12mm√3基础尺寸、结构与设计相符基础尺寸、结构符合设计要求√4△地基圈梁断面尺寸、混凝土强度符合设计要求符合设计及法律规范要求√5回填料符合设计要求,分层夯实回填料符合设计要求,分层夯实√6△室内地面铺筑水泥砂浆地面符合设计要求符合要求√评 定 意 见质 量 等 级检查项目全部符合质量标准,主要检查项目质量 优良 ,检查项目优良率 95 %合格施工单位名称项目法人(监理单位)名 称测 量 员初检负责人终检负责人核 定 人房屋地面单元工程质量评定表房-2单位工程名称单元工程量分部工程名称施工单位单元工程名称检 验 日 期项次检 查 项 目质 量 标 准检 验 记 录评定1地面类型符合设计,所用材料符合国家标准符合设计,所用材料符合国家标准合格2水泥或细石面层密实、平整、光洁,无裂纹、脱皮、起砂密实、平整、、光洁,无裂纹、脱皮、起砂合格3水磨石面层石粒密实,显露均匀,表面光滑,分格清楚,无裂纹//4面层与基层结合无空鼓现象无空鼓现象合格项次检测项目允 许 偏 差 (mm)实 测 值总测点数合格数(点)合格率(%)水泥砂浆水磨石细石砼预制板1234561表面平整度4252211234661002缝格平直322113212661003踢脚线上口平直43432114226583。34接缝高差///1共检测 18 点,其中合格 17 点,合格率 94。4 %施工单位自评意见自评质量等级项目法人(监理单位)复核意见核定质量等级主要检查项目全部符合质量标准,其中 2 项优良,一般检测项目全部符合质量标准,合格率94。4%。经复测,同意施工单位自评意见。施工单位名称...

1、当您付费下载文档后,您只拥有了使用权限,并不意味着购买了版权,文档只能用于自身使用,不得用于其他商业用途(如 [转卖]进行直接盈利或[编辑后售卖]进行间接盈利)。
2、本站所有内容均由合作方或网友上传,本站不对文档的完整性、权威性及其观点立场正确性做任何保证或承诺!文档内容仅供研究参考,付费前请自行鉴别。
3、如文档内容存在违规,或者侵犯商业秘密、侵犯著作权等,请点击“违规举报”。

碎片内容

房屋建筑单元工程质量检查评定表

您可能关注的文档

确认删除?
VIP
微信客服
  • 扫码咨询
会员Q群
  • 会员专属群点击这里加入QQ群
客服邮箱
回到顶部