电脑桌面
添加小米粒文库到电脑桌面
安装后可以在桌面快捷访问

抗滑桩控制爆破方案

抗滑桩控制爆破方案_第1页
1/10
抗滑桩控制爆破方案_第2页
2/10
抗滑桩控制爆破方案_第3页
3/10
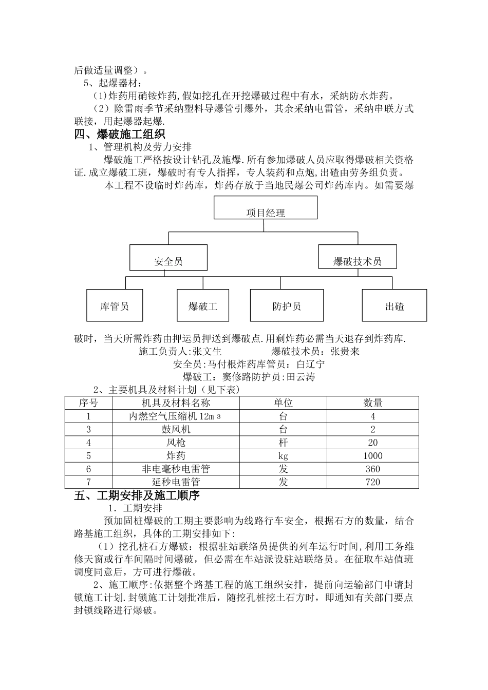
目录一、工程概况及编制依据- 1 —二、爆破方法 1 三、爆破施工 1 四、爆破施工组织 2 五、工期安排及施工顺序 2 六、安全防护 3 七、安全措施 3 八、施工抢险应急预案 4 九、各爆破人员岗位职责 6 十、炸药请领、清退制度 7 十一、既有线施工安全防护措施 8 11.1 编制目的 8 11.2 编制依据 1 11 。 3 安全管理组织机构及安全保证体系 8 11.3 。 1 项目部成立安全领导小组 8 11 。 3 。 2 制定岗位职责、明确分工 8 11 。 3 。 3 安全保证体系 9 一、工程概况及编制依据1。1 工程概况预加固桩位于新刘家湾隧道进口,线路里程 ZDK570+765 左右侧,共计 2 根。施工段内地质主要由砾岩,含砾板岩组成.预加固桩施工需要在既有线路左侧侧 33。6 米和 26.4 米开挖桩孔,挖方下部多为石方,需要进行爆破开挖。爆破区邻近既有渝怀铁路线路,渝怀线铁路线运输频繁,爆破施工干扰大.1。2 编制依据为了保证既有线施工必须坚持运输、施工兼顾的原则,切实加强施工组织和施工期间的运输组织,积极推广使用先进的施工机具和科学的施工方法,提高施工作业效率,有计划、有组织地进行各项施工。本方案编制依据了以下法律法规及相关施工规定、文件:1、《中华人民共和国安全生产法》2、《建设工程安全管理条例》3、《铁路运输安全保护条例》4、《改建既有线和增建第二线铁路工程施工技术暂行规定》(铁建设[2024]14 号)5、《广铁集团铁路营业线施工安全管理实施细则》(广铁运〔2024〕310 号)二、爆破方法本工程的预加固桩爆破采纳浅孔密眼松动控制爆破的方法进行。根据现场实际地质特点及经验系数选择合适的爆破参数,确定炮孔直径、炮眼深度和临空面位置,最小抵抗线和炸药单耗量,炮眼的孔距和排距,起爆方法和起爆网络布置,延时微差间隔时间和装药结构。严禁用药过量对路基和线路设备造成破坏.实行爆破桩孔覆盖的方法对飞石进行控制,即挖孔上采纳旧外轮胎加工的炮被覆盖,炮被上可压装土编织袋增加重量。在既有铁路线和采纳钢管、竹排和钢丝绳作成的钢管排架进行防护。三、爆破施工挖孔部分:1、钻孔形式:采纳垂直钻孔。2、布孔方式:梅花型布置。(见下图)3、布孔参数: (1)、孔间距与最小抵抗线 W 相等,取 a=w=0。3~0。5m. (2)、孔径 Ф 取 40mm,采纳手风枪钻孔。(3)、单孔药量 Q 按下式计算:Q=qabH式中:q—-岩石的单位炸药消耗量,kg/mз,取 0。20~0.25kg/ mзa——孔间距,...

1、当您付费下载文档后,您只拥有了使用权限,并不意味着购买了版权,文档只能用于自身使用,不得用于其他商业用途(如 [转卖]进行直接盈利或[编辑后售卖]进行间接盈利)。
2、本站所有内容均由合作方或网友上传,本站不对文档的完整性、权威性及其观点立场正确性做任何保证或承诺!文档内容仅供研究参考,付费前请自行鉴别。
3、如文档内容存在违规,或者侵犯商业秘密、侵犯著作权等,请点击“违规举报”。

碎片内容

抗滑桩控制爆破方案

阳光书坊+ 关注
实名认证
内容提供者

阳光书坊,传播未来

确认删除?
VIP
微信客服
  • 扫码咨询
会员Q群
  • 会员专属群点击这里加入QQ群
客服邮箱
回到顶部