电脑桌面
添加小米粒文库到电脑桌面
安装后可以在桌面快捷访问

拦砂坝专项施工方案

拦砂坝专项施工方案_第1页
1/9
拦砂坝专项施工方案_第2页
2/9
拦砂坝专项施工方案_第3页
3/9
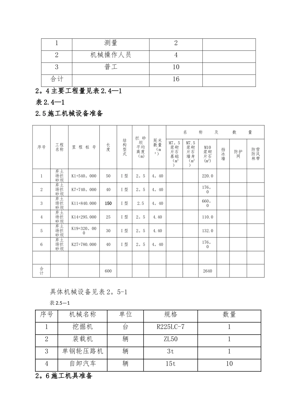
拦砂坝工程施工专项方案第一章 编制依据1.1 编制说明该施工方案根据本工程实际情况编制,是指导该工程施工全过程的技术文件。在此,充分考虑我公司的施工实力、技术力量、机械配套能力等多方面的因素,结合施工条件,并选择合理的施工方案 ,初步进行了技术措施可行性论证,认为是科学合理的,能达到确保工期、质量、安全等目标要求。1。2 编制依据 1、 彩鄂公路路基工程第五合同段招标文件、投标文件; 2、 彩鄂公路路基工程第五合同段四川省林业勘察设计讨论院提供的地质参考资料,我单位施工场地现场勘察、复测情况; 3、现行的《公路工程质量检测评定标准》、《土工试验方法标准》、《工程测量法律规范》。4、我单位现有的技术、设备、人员素养、管理模式、施工经验、科技进步和施工能力等施工要素情况。第二章 施工方案2。1 施工准备2。1。1 技术准备2。1。1。1 学习图纸、学习施工法律规范、标准以及技术操作规程。2。1。1.2 结合实际情况,掌握拦沙坝所在区域当地气候特点,做好技术准备工作。2.1.1。3 对施工的材料供应、土方平衡、设备平衡等重点,以及土方开挖等难点工作召开专题会进行讨论,制定切实可行的措施,做好技术交底工作。2。2 施工现场准备施工前应做好场地清理工作,保证施工便道畅通.2.3 施工人员准备根据工程工期要求和工程量综合考虑,拦砂坝施工拟定总投入人员分为 6 个施工小组,各个施工小组人员表如表 2.3—1: 表 2。3-1序号工种人数备注1测量22机械操作人员43普工10合计162。4 主要工程量见表 2.4—1表 2.4—12.5 施工机械设备准备具体机械设备见表 2。5-1表 2.5—1序号机械名称单位规格数量1挖掘机台R225LC-712装载机辆ZL5013单钢轮压路机辆3t14自卸汽车辆15t102。6 施工机具准备序号工程名称里 程 桩 号长 度结 构 型 式拦 砂 坝 平均高度 (m)延米数量 (m3) 名 称 及 数 量M7。5 浆砌 片石基础 (m3)M7.5 浆砌 片石墙身 (m3)M10 浆砌 片石 (m3)挡冰墙防护网防雪防风林带1弃土场拦砂坝K1+540。00050I 型2。54。40220.0 2弃土场拦砂坝K7+740。00040I 型2。54。40176。0 3弃土场拦砂坝K11+840.000150I 型2.54。40 660。0 4弃土场拦砂坝K14+295.00025I 型2。54.40 110.0 5弃土场拦砂坝K19+320。00030I 型2。54.40 132.0 6弃土场拦砂坝K27+780.00040I 型2。54。40 176。0 合 计6002640主要施工机具见表 2。6-1 表 2.6—1序号名称单位数量1...

1、当您付费下载文档后,您只拥有了使用权限,并不意味着购买了版权,文档只能用于自身使用,不得用于其他商业用途(如 [转卖]进行直接盈利或[编辑后售卖]进行间接盈利)。
2、本站所有内容均由合作方或网友上传,本站不对文档的完整性、权威性及其观点立场正确性做任何保证或承诺!文档内容仅供研究参考,付费前请自行鉴别。
3、如文档内容存在违规,或者侵犯商业秘密、侵犯著作权等,请点击“违规举报”。

碎片内容

拦砂坝专项施工方案

确认删除?
VIP
微信客服
  • 扫码咨询
会员Q群
  • 会员专属群点击这里加入QQ群
客服邮箱
回到顶部