电脑桌面
添加小米粒文库到电脑桌面
安装后可以在桌面快捷访问

排水工程深基坑支护危险源辨识与控制

排水工程深基坑支护危险源辨识与控制_第1页
1/11
排水工程深基坑支护危险源辨识与控制_第2页
2/11
排水工程深基坑支护危险源辨识与控制_第3页
3/11
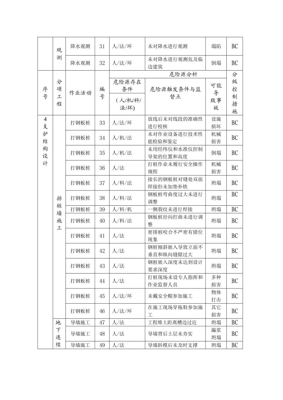
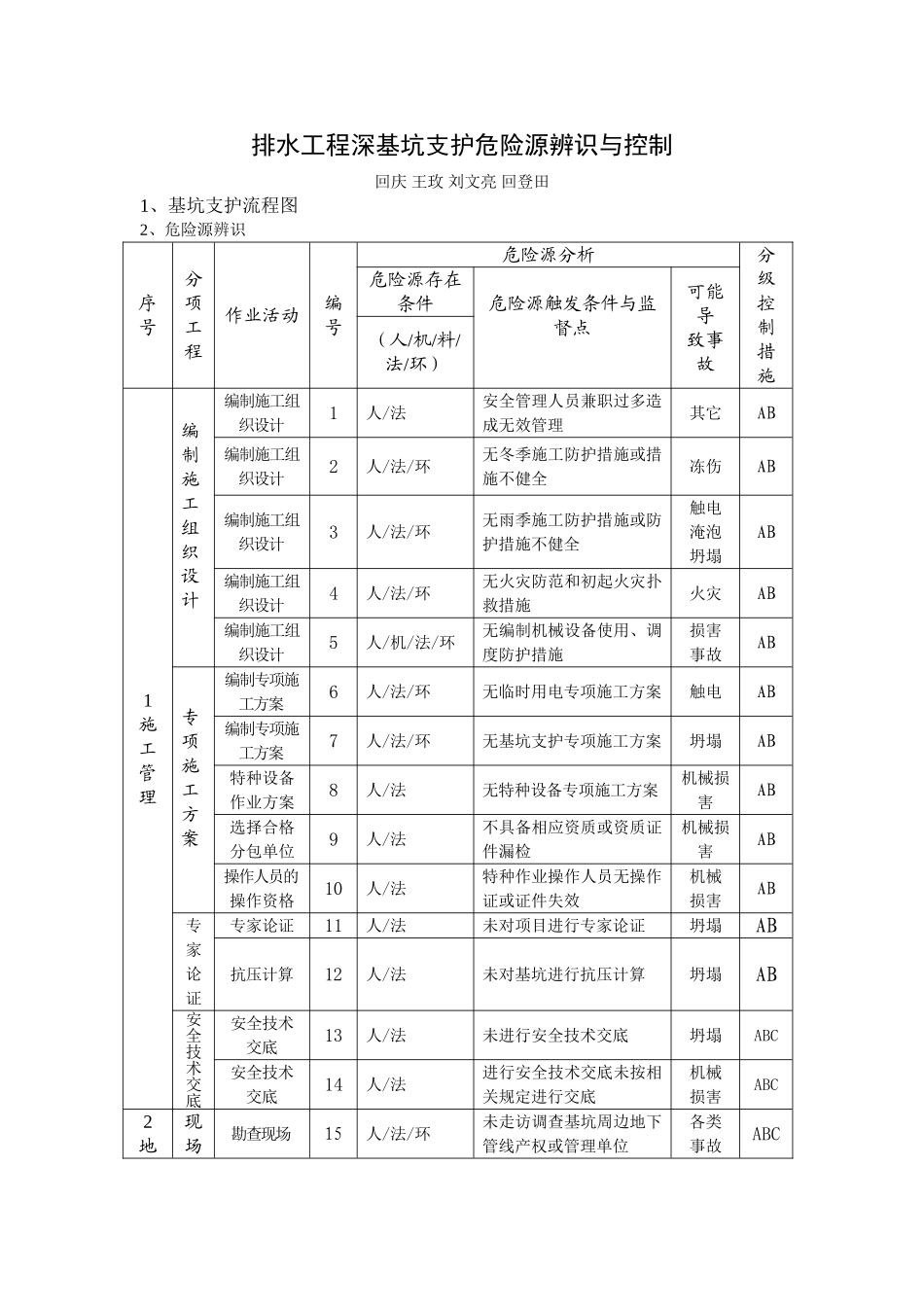
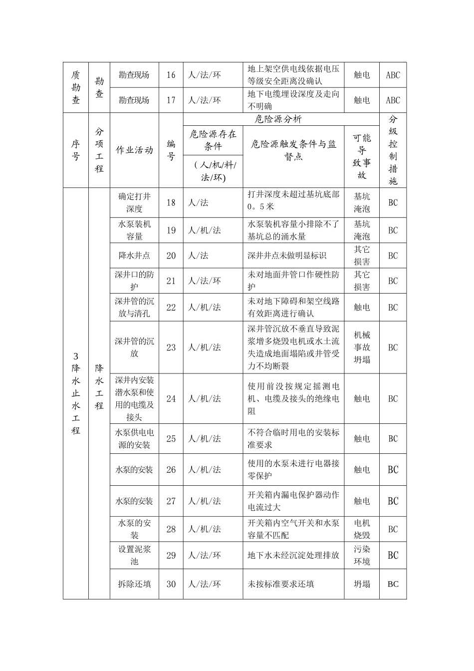
排水工程深基坑支护危险源辨识与控制回庆 王玫 刘文亮 回登田1、基坑支护流程图2、危险源辨识序号分项工程作业活动编号危险源分析分级控制措施危险源存在条件危险源触发条件与监督点可能导致事故(人/机/料/法/环)1施工管理编制施工组织设计编制施工组织设计1人/法安全管理人员兼职过多造成无效管理其它AB编制施工组织设计2人/法/环无冬季施工防护措施或措施不健全冻伤AB编制施工组织设计3人/法/环无雨季施工防护措施或防护措施不健全触电淹泡坍塌AB编制施工组织设计4人/法/环无火灾防范和初起火灾扑救措施火灾AB编制施工组织设计5人/机/法/环无编制机械设备使用、调度防护措施损害事故AB专项施工方案编制专项施工方案6人/法/环无临时用电专项施工方案触电AB编制专项施工方案7人/法/环无基坑支护专项施工方案坍塌AB特种设备作业方案8人/法无特种设备专项施工方案机械损害AB选择合格分包单位9人/法不具备相应资质或资质证件漏检机械损害AB操作人员的操作资格10人/法特种作业操作人员无操作证或证件失效机械损害AB专家论证专家论证11人/法未对项目进行专家论证坍塌AB抗压计算12人/法未对基坑进行抗压计算坍塌AB安全技术交底安全技术交底13人/法未进行安全技术交底坍塌ABC安全技术交底14人/法进行安全技术交底未按相关规定进行交底机械损害ABC2地现场勘查现场15人/法/环未走访调查基坑周边地下管线产权或管理单位各类事故ABC质勘查勘查勘查现场16人/法/环地上架空供电线依据电压等级安全距离没确认触电ABC勘查现场17人/法/环地下电缆埋设深度及走向不明确触电ABC序号分项工程作业活动编号危险源分析分级控制措施危险源存在条件危险源触发条件与监督点可能导致事故(人/机/料/法/环)3降水止水工程降水工程确定打井深度18人/法打井深度未超过基坑底部0。5 米基坑淹泡BC水泵装机容量19人/机/法水泵装机容量小排除不了基坑总的涌水量基坑淹泡BC降水井点20人/法深井井点未做明显标识其它损害BC深井口的防护21人/法/环未对地面井管口作硬性防护其它损害BC深井管的沉放与清孔22人/机/法未对地下障碍和架空线路有效距离进行确认触电BC深井管的沉放23人/机/法深井管沉放不垂直导致泥浆增多烧毁电机或水土流失造成地面塌陷或井管受力不均断裂机械事故坍塌BC深井内安装潜水泵和使用的电缆及接头24人/机/法使用前没按规定摇测电机、电缆及接头的绝缘电阻触电BC水泵供电电源的安装25人/机/法不符合临时用电的安装标准要求触电BC水泵的安装26人/机/法使用的水泵...

1、当您付费下载文档后,您只拥有了使用权限,并不意味着购买了版权,文档只能用于自身使用,不得用于其他商业用途(如 [转卖]进行直接盈利或[编辑后售卖]进行间接盈利)。
2、本站所有内容均由合作方或网友上传,本站不对文档的完整性、权威性及其观点立场正确性做任何保证或承诺!文档内容仅供研究参考,付费前请自行鉴别。
3、如文档内容存在违规,或者侵犯商业秘密、侵犯著作权等,请点击“违规举报”。

碎片内容

排水工程深基坑支护危险源辨识与控制

您可能关注的文档

确认删除?
VIP
微信客服
  • 扫码咨询
会员Q群
  • 会员专属群点击这里加入QQ群
客服邮箱
回到顶部