电脑桌面
添加小米粒文库到电脑桌面
安装后可以在桌面快捷访问

接地网施工方案

接地网施工方案_第1页
1/19
接地网施工方案_第2页
2/19
接地网施工方案_第3页
3/19
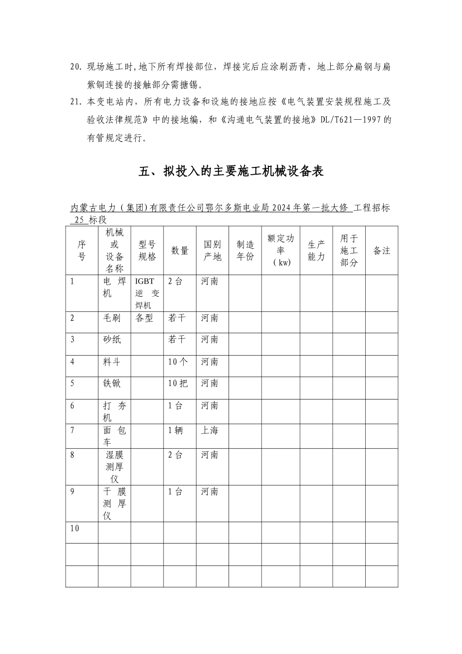
一、工程概况工程名称:2024 年第一批大修工程施工范围:第 25 标段配电接地网大修 工期要求:按合同日期规定 质量要求:合格二、编制依据1、《电气装置安装工程施工及验收法律规范》(GB50169—2024)2、《沟通电气装置的接地》(DL/T621-1997)3、《钢筋焊接及验收规程》(JGJ18—2024)4、《国家电网公司输变电工程达标投产考核办法(2024 年版)》5、《国家电网公司输变电优质工程评选办法(2024 年版)》6、《关于利用数码照片资料加强输变电工程安全质量过程控制的通知》(基建安全〔2024〕25 号)7、《关于强化输变电工程施工过程质量控制数码照片采集与管理的工作要求》(基建质量〔2024〕322 号)8、《国家电网公司输变电优质工程考核项目及评分标准库(2024 版)》三、主网施工流程图四、施工工艺总体要求1. 施工前必须熟悉设计图纸和有关法律规范。2. 接地装置的金属构件应热镀锌防腐,水平接地网采纳 70mm×10mm 镀锌扁钢,主要设备接地引下线采纳双边 80mm×10mm 镀锌扁钢分别引接主网的不同边。3. 接地网敷设实行以水平接地体为主的人工接地网,埋设深度为 1m。4. 主接地网外缘具围墙的距离为 1m,距建设物的距离不小于 1.5m。5. 避雷针的集中接地装置与主接地网的地下连接点,至主变压器,电缆沟与施工准备测量放样沟 ( 槽 ) 开挖水平接地网敷设质量检查存在问题处理接地极埋设焊接沟 ( 槽 ) 回填接地电阻测试主接地网的地下连接点,沿接地体的长度不得小于 15m。6. 接地装置焊接时必须采纳撘接焊,扁钢搭接长度≥2 倍宽度。且最少三面焊接,焊渣及时清除,焊接后进行防腐蚀处理.7. 所有设备支架和架构柱的接地引下线,应就近连接至主接地网,支柱绝缘子及 110kV 母线桥支架每支应有一根引下线,具它设备每相均应有两根与主接地网不同地点连接的接地引下线.1000kV 架构为构架式结构,架构接地引下线为每个架构柱两侧上各设一根接地引下线,与主接地网不同地点连接。有架构避雷针的架构接地引下线为在人字架构柱两侧各设一根接地引下线,与主接地网不同地点连接,出现门型的接地引下线,在距保护帽上 0。3m 处应有明显的可拆接点(采纳螺栓连接),以便于测量变电所的接地电阻,接地点的具体位置见土建图纸。8. 防火墙及架构爬梯均需接地。9. 设备围栏应接地,栅栏门铰链处采纳扁钢连接.10. 屋内有电缆沟的接地可通过沟内扁钢与屋外接地网连接。11. 独立避雷针法兰需跨接。12. 室内有电气设备埋管,埋...

1、当您付费下载文档后,您只拥有了使用权限,并不意味着购买了版权,文档只能用于自身使用,不得用于其他商业用途(如 [转卖]进行直接盈利或[编辑后售卖]进行间接盈利)。
2、本站所有内容均由合作方或网友上传,本站不对文档的完整性、权威性及其观点立场正确性做任何保证或承诺!文档内容仅供研究参考,付费前请自行鉴别。
3、如文档内容存在违规,或者侵犯商业秘密、侵犯著作权等,请点击“违规举报”。

碎片内容

接地网施工方案

确认删除?
VIP
微信客服
  • 扫码咨询
会员Q群
  • 会员专属群点击这里加入QQ群
客服邮箱
回到顶部