电脑桌面
添加小米粒文库到电脑桌面
安装后可以在桌面快捷访问

搅拌桩桩质量通病的原因和防治措施

搅拌桩桩质量通病的原因和防治措施_第1页
1/4
搅拌桩桩质量通病的原因和防治措施_第2页
2/4
搅拌桩桩质量通病的原因和防治措施_第3页
3/4
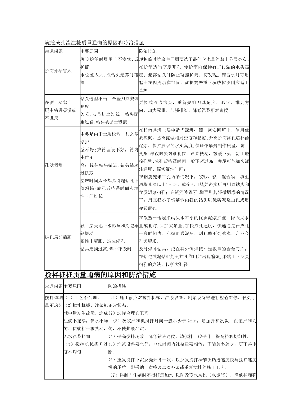
旋挖成孔灌注桩质量通病的原因和防治措施常遇问题主要原因防治措施护筒外壁冒水埋设护筒时周围土不密实,或护筒水位差太大,或钻头起落时碰撞埋护筒时坑底与四周要选用最佳含水量的黏土分层夯实;在护筒适当高度开孔,使护筒内保持有1~1.5m的水头高度;起落钻头时防止碰撞护筒:初发现护筒冒水时可用黏土在四周填实加固,如护筒严重下沉或位移则应返工重埋在硬可塑黏土层中钻进极慢或不进尺钻头选型不当,合金刀具安装角度欠妥,刀具切土过浅,钻头配重过轻,钻头被黏土糊满更换或改造钻头,重新安排刀具角度、形状、排列方向,加大配重、加强排渣、降低泥浆相对密度孔壁坍塌主要是由于土质松散,加之泥浆护壁不好;护筒埋设不好,筒内水位不高;提住钻头钻进;钻头钻速过快或空转时间太长都易引起钻孔下部坍塌;成孔后待灌时间和灌注时间过长在松散易坍土层中适当深埋护筒,密实回填土,使用优质泥浆,提高泥浆相对密度和黏度,升高护筒终孔后补给泥浆,保持要求的水头高度,保证钢筋笼制作质量,防止变形;吊设时要对准孔位,吊直扶稳,缓缓下沉,防止碰撞孔壁;成孔后待灌时间一般不超过3h,并尽可能加快灌注速度、缩短灌注时间;在钢筋笼未下孔内的情况下,浆砂、黏土混合物回填至坍塌孔深以上1~2m,或全孔回填并密实后再用原钻头和优质泥浆扫孔;在钢筋笼磁孑L壁而引起轻微坍塌的情况下,用直径小于钢筋笼内径的钻头以优质泥浆扫孔或用导管清孔桩孔局部缩颈软土层受地下水影响和周边车辆振动塑性土膨胀,造成缩孔钻具磨损过甚,焊补不及时在软塑土地层采纳失水率小的优质泥浆护壁,降低失水量成孔时,应加大泵量,加快成孔速度,快速通过在成孔一段时间内,孔壁形成泥皮,则孔壁不会渗水,亦不会引起膨胀。及时焊补钻具,或在其外侧焊接~定数量的合金刀片,在钻进或起钻时起到扫孔作用如出现缩颈,采纳上下反复扫孔的办法,以扩大孔径搅拌桩桩质量通病的原因和防治措施常遇问题 主要原因防治措施搅拌体质量不均匀(1)工艺不合理。(2)搅拌机械、注浆机械中途发生故障,造成注浆不连续,供水不均匀,使软粘土被扰动,无水泥浆拌和。(3)搅拌机械提升速度不均匀.(1)施工前应对搅拌机械、注浆设备、制浆设备等进行检查维修,使处于正常状态。(2)选择合理的工艺.(3)灰浆拌和机搅拌时间一般不少于 2min,增加拌和次数,保证拌和均匀,不使浆液沉淀。(4)提高搅拌转数,降低钻进速度,边搅拌,边提升,提高拌和均匀性.(5)注浆设备要完好,单位时间内注浆量...

1、当您付费下载文档后,您只拥有了使用权限,并不意味着购买了版权,文档只能用于自身使用,不得用于其他商业用途(如 [转卖]进行直接盈利或[编辑后售卖]进行间接盈利)。
2、本站所有内容均由合作方或网友上传,本站不对文档的完整性、权威性及其观点立场正确性做任何保证或承诺!文档内容仅供研究参考,付费前请自行鉴别。
3、如文档内容存在违规,或者侵犯商业秘密、侵犯著作权等,请点击“违规举报”。

碎片内容

搅拌桩桩质量通病的原因和防治措施

元素商铺+ 关注
实名认证
内容提供者

欢迎挑选合适的文档

相关文档

确认删除?
VIP
微信客服
  • 扫码咨询
会员Q群
  • 会员专属群点击这里加入QQ群
客服邮箱
回到顶部