电脑桌面
添加小米粒文库到电脑桌面
安装后可以在桌面快捷访问

2025年职位说明书机加统计员

2025年职位说明书机加统计员_第1页
1/1
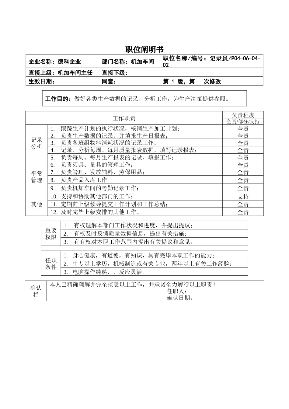
职位阐明书企业名称:德科企业部门名称:机加车间职位名称/编号:记录员/P04-06-04-02直接上级:机加车间主任直接下级: 生效日期:同意:第 1 版,第 次修改工作目的:做好各类生产数据的记录、分析工作,为生产决策提供参照。 工作职责负责程度全责/部分/支持记录分析1.跟踪生产计划的执行状况,核销生产加工计划;全责2. 负责生产数据的记录,并填报生产日报表;全责3.负责各班组物料消耗状况的记录工作;全责4.记录、分析每周、每月质量报表数据,填写记录报表;全责5.负责每周、每月生产报表的记录、填报工作;全责平常管理6.负责刃具、量具的管理工作;全责7.负责管理、发放辅料、劳保用品;全责8.负责产品入库工作全责9.负责机加车间的考勤记录工作;全责其他10. 支持和协助其他部门的工作;支持11. 定期向上级领导提交工作计划和工作总结;全责12. 及时完毕上级安排的其他工作。全责重要权限1.有权理解本部门工作状况和进度,并提出提议;2.有权及时反馈质量数据信息,提出有关措施;3.有有权对本职工作范围内提出有关提议和意见。任职条件1. 身心健康,有道德,有知识,具有完毕本职工作的能力;2. 中专以上学历,机械制造或有关专业,两年以上有关工作经验;3. 电脑操作纯熟,,反应灵活。确认栏本人已精确理解并完全接受以上工作,并承诺全力履行以上职责!任职人:确认日期:

1、当您付费下载文档后,您只拥有了使用权限,并不意味着购买了版权,文档只能用于自身使用,不得用于其他商业用途(如 [转卖]进行直接盈利或[编辑后售卖]进行间接盈利)。
2、本站所有内容均由合作方或网友上传,本站不对文档的完整性、权威性及其观点立场正确性做任何保证或承诺!文档内容仅供研究参考,付费前请自行鉴别。
3、如文档内容存在违规,或者侵犯商业秘密、侵犯著作权等,请点击“违规举报”。

碎片内容

2025年职位说明书机加统计员

您可能关注的文档

确认删除?
VIP
微信客服
  • 扫码咨询
会员Q群
  • 会员专属群点击这里加入QQ群
客服邮箱
回到顶部