电脑桌面
添加小米粒文库到电脑桌面
安装后可以在桌面快捷访问

方案设计评审

方案设计评审_第1页
1/4
方案设计评审_第2页
2/4
方案设计评审_第3页
3/4
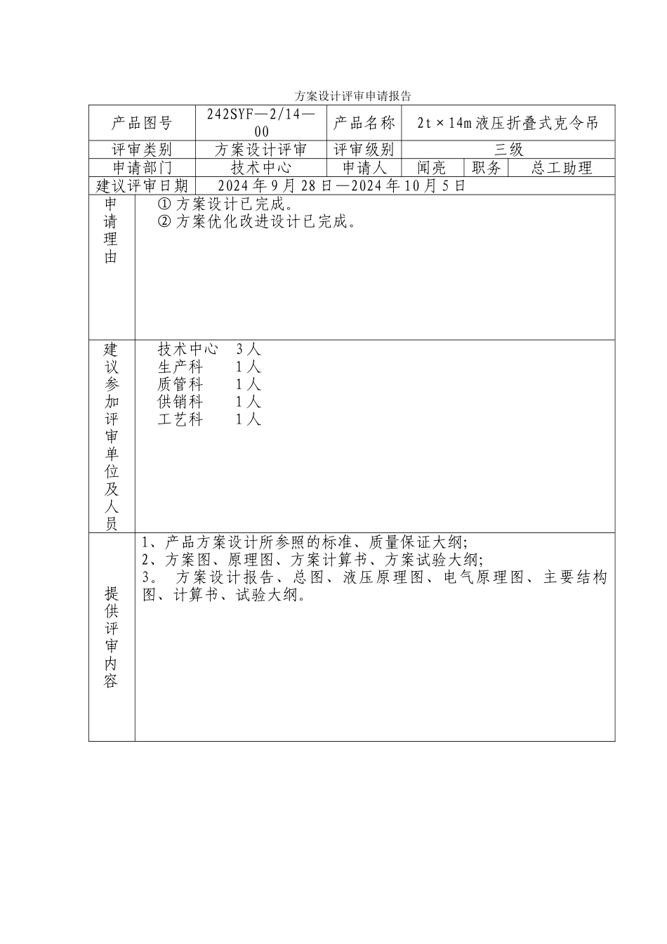
方案设计评审申请报告产品图号242SYF—2/14—00产品名称2t×14m 液压折叠式克令吊评审类别方案设计评审评审级别三级申请部门技术中心申请人闻亮职务总工助理建议评审日期2024 年 9 月 28 日—2024 年 10 月 5 日申请理由① 方案设计已完成。② 方案优化改进设计已完成。建议参加评审单位及人员技术中心 3 人生产科 1 人质管科 1 人供销科 1 人工艺科 1 人提供评审内容1、产品方案设计所参照的标准、质量保证大纲;2、方案图、原理图、方案计算书、方案试验大纲;3。 方案设计报告、总图、液压原理图、电气原理图、主要结构图、计算书、试验大纲。审核意见:方案设计资料正确完整法律规范,同意提交评审。 签名: 年 月 日总工程师批示: 同意评审.签名: 年 月 日方案设计评审报告产品图号242SYF—2/14—00产品名称2t×14m 液压折叠式克令吊评审地点技术中心会议室评审时间2024 年 9 月 28 日评审主要内容1、方案设计是否满足技术规格书的要求;2、方案设计是否符合国际法律规范、国家标准的相关要求;3、方案设计是否符合 CCS 船级社法律规范要求;4、方案设计总图、主要结构图、原理图、计算书审查。5、船用条件的评价及试验大纲的审查;评审结论1、提交的产品方案设计符合设计标准,其设计先进、合理,满足技术规格书的要求,能够实现产品的各项功能;2、提交的产品方案设计资料,其内容完整、正确;3、我公司实际情况能够满足产品制造等各方面的要求。4。 同意进行下一步技术设计工作。 评审组长: 年 月 日2t×14m 液压折叠式克令吊方案设计评审会记录时 间2024 年 9 月 28 日地 点技术中心会议室主 持吴忠明记 录闻亮参加人员:见附表一、技术中心设计人员对产品方案设计进行介绍 1、介绍产品结构、功能及原理; 2、产品引用参照各项标准及法律规范的条款的说明; 3、产品方案设计与质量保证大纲要求的对应状态; 4、方案设计计算说明及电液控制介绍; 5、试验大纲编制及实施要求;6、对主要零部件及材质要求分析说明.二、评审组同志在听取了设计人员的汇报后,批阅了方案设计及论证的技术资料,进行了充分的讨论分析,现将讨论意见归纳如下: 1、方案设计吸取成熟经验,功能及原理合理; 2、方案设计工作仔细执行了相关标准和法律规范条款; 3、方案设计计算正确,电液控制方案安全可靠; 4、结构设计需进一步细化,从减轻重量、缩小外形入手,可以采纳开孔的方法设计。同时做好防腐...

1、当您付费下载文档后,您只拥有了使用权限,并不意味着购买了版权,文档只能用于自身使用,不得用于其他商业用途(如 [转卖]进行直接盈利或[编辑后售卖]进行间接盈利)。
2、本站所有内容均由合作方或网友上传,本站不对文档的完整性、权威性及其观点立场正确性做任何保证或承诺!文档内容仅供研究参考,付费前请自行鉴别。
3、如文档内容存在违规,或者侵犯商业秘密、侵犯著作权等,请点击“违规举报”。

碎片内容

方案设计评审

您可能关注的文档

确认删除?
VIP
微信客服
  • 扫码咨询
会员Q群
  • 会员专属群点击这里加入QQ群
客服邮箱
回到顶部