电脑桌面
添加小米粒文库到电脑桌面
安装后可以在桌面快捷访问

施工噪声监测记录表附表C

施工噪声监测记录表附表C_第1页
1/6
施工噪声监测记录表附表C_第2页
2/6
施工噪声监测记录表附表C_第3页
3/6
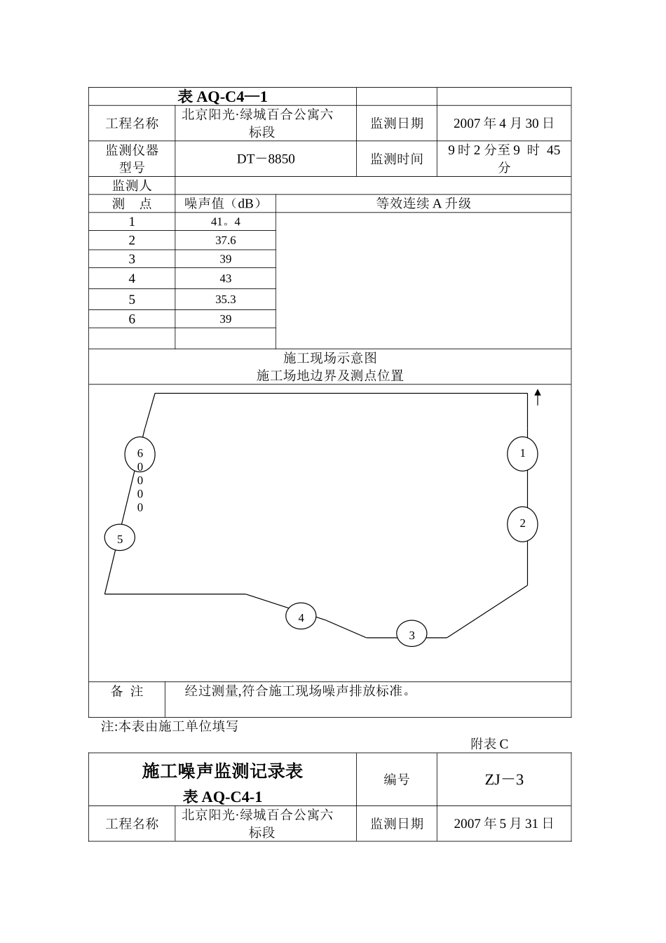
附表 C施工噪声监测记录表表 AQ—C4—1编号ZJ-1工程名称北京阳光·绿城百合公寓六标段监测日期2007 年 3 月 31 日监测仪器型号DT-8850监测时间8 时 5 分至 8 时 50分监测人测 点噪声值(dB)等效连续 A 升级135。3232343。8436.2530。5636施工现场示意图施工场地边界及测点位置备 注经过测量,符合施工现场噪声排放标准。注:本表由施工单位填写附表 C施工噪声监测记录表编号ZJ-21234560000表 AQ-C4—1工程名称北京阳光·绿城百合公寓六标段监测日期2007 年 4 月 30 日监测仪器型号DT-8850监测时间9 时 2 分至 9 时 45分监测人测 点噪声值(dB)等效连续 A 升级141。4237.6339443535.3639施工现场示意图施工场地边界及测点位置备 注经过测量,符合施工现场噪声排放标准。注:本表由施工单位填写附表 C施工噪声监测记录表表 AQ-C4-1编号ZJ-3工程名称北京阳光·绿城百合公寓六标段监测日期2007 年 5 月 31 日1234560000监测仪器型号DT-8850监测时间20 时 10 分至 20 时 50 分监测人测 点噪声值(dB)等效连续 A 升级130。7240335.3441539。6643。2施工现场示意图施工场地边界及测点位置备 注经过测量,符合施工现场噪声排放标准.注:本表由施工单位填写附表 C施工噪声监测记录表表 AQ—C4—1编号ZJ-4工程名称北京阳光·绿城百合公寓六标段监测日期2007 年 6 月 30 日监测仪器型号DT-8850监测时间8 时 3 分至 8 时 40分监测人1234560000测 点噪声值(dB)等效连续 A 升级143245。4340。1438548。2639施工现场示意图施工场地边界及测点位置备 注经过测量,符合施工现场噪声排放标准。注:本表由施工单位填写附表 C施工噪声监测记录表表 AQ-C4—1编号ZJ-5工程名称北京阳光·绿城百合公寓六标段监测日期2007 年 7 月 31 日监测仪器型号DT-8850监测时间10 时 30 分至 11 时 10 分监测人测 点噪声值(dB)等效连续 A 升级136240。91234560000345439537。8643施工现场示意图施工场地边界及测点位置备 注经过测量,符合施工现场噪声排放标准.注:本表由施工单位填写附表 C施工噪声监测记录表表 AQ-C4-1编号ZJ-6工程名称北京阳光·绿城百合公寓六标段监测日期2007 年 8 月 31 日监测仪器型号DT-8850监测时间9 时 20 分至 10 时 5分监测人测 点噪声值(dB)等效连续 A 升级140238。4329。5433。85421234560000645.2施工现场示意图施工场地边界及测点位置备 注经过测量,符合施工现场噪声排放标准。注:本表由施工单位填写1234560000

1、当您付费下载文档后,您只拥有了使用权限,并不意味着购买了版权,文档只能用于自身使用,不得用于其他商业用途(如 [转卖]进行直接盈利或[编辑后售卖]进行间接盈利)。
2、本站所有内容均由合作方或网友上传,本站不对文档的完整性、权威性及其观点立场正确性做任何保证或承诺!文档内容仅供研究参考,付费前请自行鉴别。
3、如文档内容存在违规,或者侵犯商业秘密、侵犯著作权等,请点击“违规举报”。

碎片内容

施工噪声监测记录表附表C

您可能关注的文档

确认删除?
VIP
微信客服
  • 扫码咨询
会员Q群
  • 会员专属群点击这里加入QQ群
客服邮箱
回到顶部