电脑桌面
添加小米粒文库到电脑桌面
安装后可以在桌面快捷访问

施工方案-脱硫系统防腐修补

施工方案-脱硫系统防腐修补_第1页
1/34
施工方案-脱硫系统防腐修补_第2页
2/34
施工方案-脱硫系统防腐修补_第3页
3/34
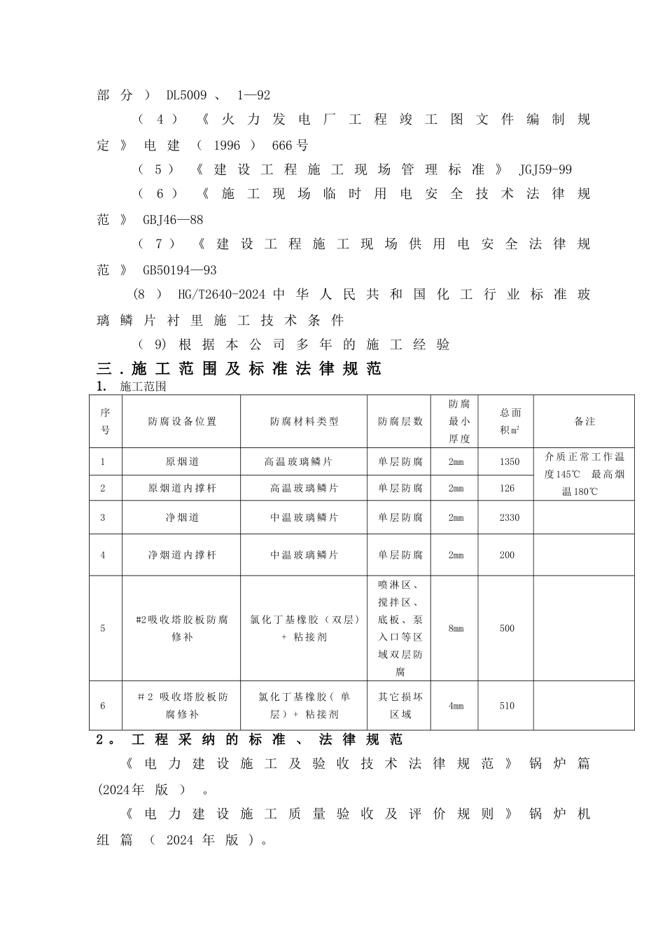
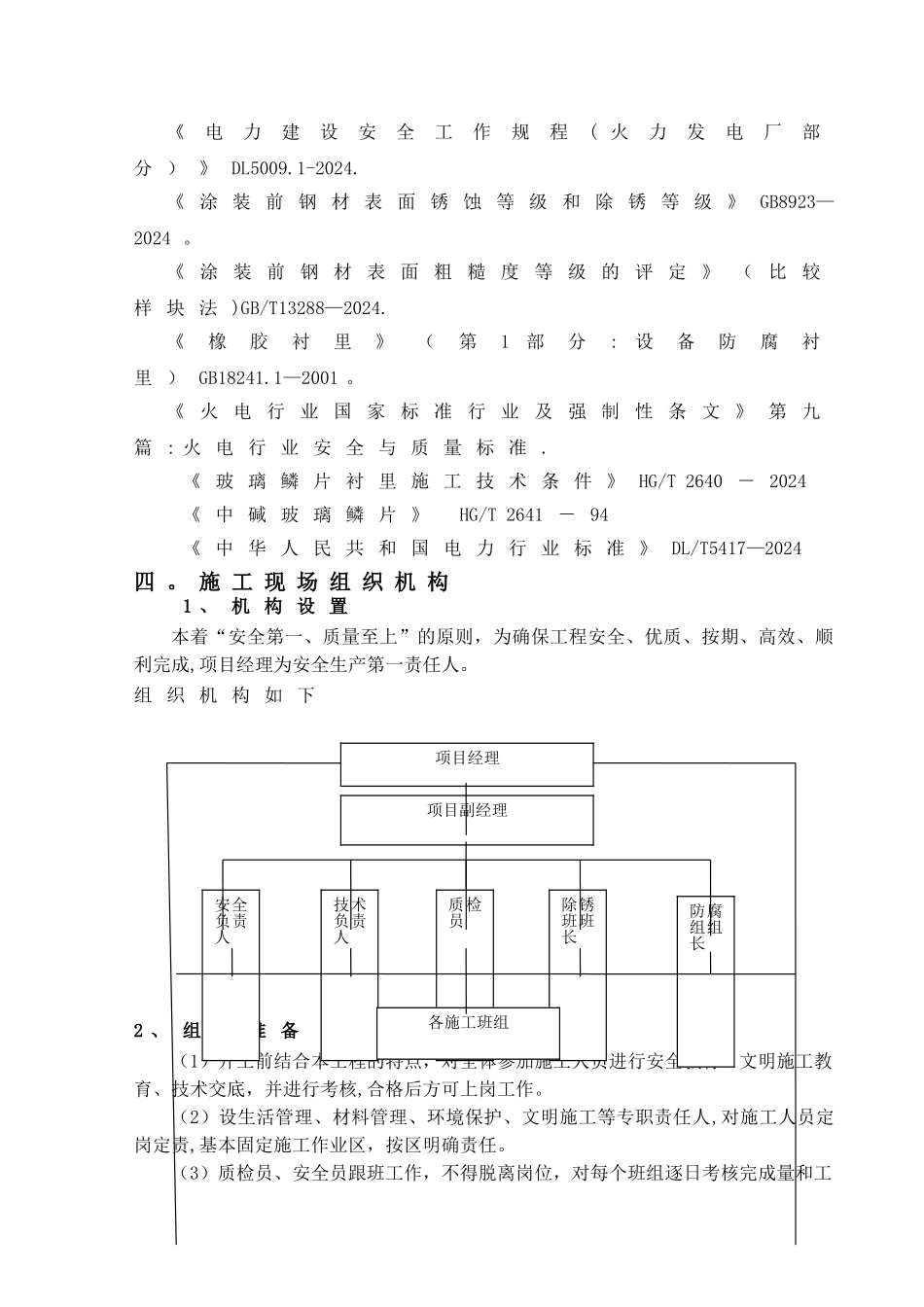
脱 硫 系 统 防 腐 修 补施 工 方 案批 准 :审 核 :编 制 :2024年9 月23日一 . 工 程 概 况1 、 2 号 机 组 脱 硫 设 施 于 2024 年 投 产 ; 运 行 5 年 ,停 机 检 查 发 现 : 脱 硫 吸 收 塔 喷 淋 区 、 搅 拌 区 、 底 板 、循 泵 入 口 等 部 位 胶 板 损 坏 和 脱 落 , 脱 硫 原 、 净 烟道 及 烟 道 支 架 防 腐 层 大 面 积 脱 落 , 有 些 部 位 腐 蚀 较深 , 出 现 泄 漏 现 象 。1 号 机 组 脱 硫 烟 道 系 统 在2024年 做 了 防 腐 修 复 , 至 今 防 腐 效 果 明 显 , 没 出 现 防腐 脱 落 现 象 。 计 划 于 2024 年 对 2 号 机 组 脱 硫 系 统 进行 防 腐 玻 璃 鳞 片 施 工 。本 项 目 包 括6 号 脱 硫 吸 收 塔 胶 板 修 补 、 原 烟 道、净 烟 道 及 内 部 支 撑 防 腐 施 工 、 检 验 等 方 面 的 技 术要 求 ; 同 时 乙 方 需 遵 守 国 电 集 团 “ 现 场 安 全 文 明生 产 验 评 细 则 ” 和 “ 设 备 检 修 标 准 化 作 业 法 律 规范 要 求 " 满 足 能 源 局 “ 环 保 改 造 工 程 施 工 标 准 化 ”二 。 编 制 依 据本工程施工应满足或优于下面列出的法律规范和标准的要求。假如几种法律规范、标准适用于同一情况,则应遵循最严格的要求,当设计文件技术要求高于有关的法律规范、标准的要求时,按设计技术要求执行。法律规范、标准主要包括但不仅仅限于:(1 )《涂装前钢材表面锈蚀等级和除锈等级 》 GB8923—88(2 ) 《 玻 璃 鳞 片 衬 里 施 工 技 术 条 件 》 HG/T 264—2024( 3) 《 电 力 建 设 安 全 工 作 规 程 》 ( 火 力 发 电 厂部 分 ) DL5009 、 1—92(4 )《火力发电厂工程竣工图文件编制规定 》 电 建 ( 1996 ) 666 号( 5 ) 《 建 设 工 程 施 工 现 场 管 理 标 准 》 JGJ59-99(6 )《施工现场临时用电安全技术法律规范 》 GBJ46—88( 7 ) 《 建 设 工 程 施 工 现 场 供 用 电 安 全 法 律 规范 》 GB50194—93(8 ) HG/T2640-2024 中 华 人 民 共 和 国 化 工 行 业 标 准...

1、当您付费下载文档后,您只拥有了使用权限,并不意味着购买了版权,文档只能用于自身使用,不得用于其他商业用途(如 [转卖]进行直接盈利或[编辑后售卖]进行间接盈利)。
2、本站所有内容均由合作方或网友上传,本站不对文档的完整性、权威性及其观点立场正确性做任何保证或承诺!文档内容仅供研究参考,付费前请自行鉴别。
3、如文档内容存在违规,或者侵犯商业秘密、侵犯著作权等,请点击“违规举报”。

碎片内容

施工方案-脱硫系统防腐修补

确认删除?
VIP
微信客服
  • 扫码咨询
会员Q群
  • 会员专属群点击这里加入QQ群
客服邮箱
回到顶部