电脑桌面
添加小米粒文库到电脑桌面
安装后可以在桌面快捷访问

施工方案范本讲解

施工方案范本讲解_第1页
1/18
施工方案范本讲解_第2页
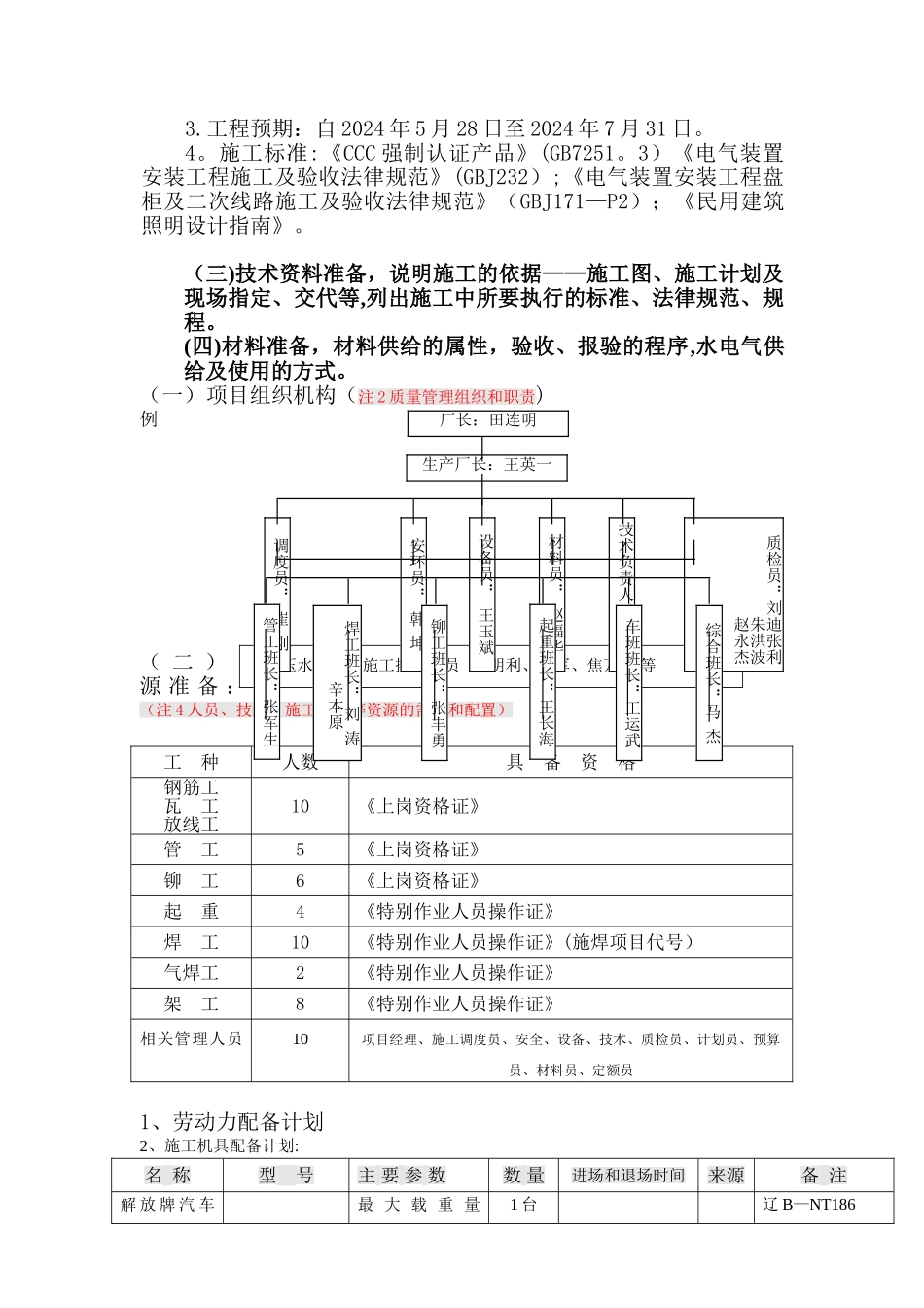
2/18
施工方案范本讲解_第3页
3/18
水悦城加装电表、桥架、电缆、配电箱 施工方案 青岛城阳恒源电气设备厂 水悦城加装电表、桥架、电缆、配电箱工程。一、工程内容:1. 2#楼二层加装三相电表总箱(600*800*200)、分户箱(500*600*150)、电表总箱分户箱穿电缆、电表总箱分户箱电缆用桥架.(二层共 3 户,每户装一台三相电表,按装一台分户箱。从 T接箱到电表总箱穿电缆 YJV—4*70+1*35 共 10 米,从电表总箱到分户箱穿电缆 YJV-4*25+1*16 共 78 米,分户箱用桥架 88 米);DB 电表总箱一台。2.18#楼加装电表一块、四层加装三相电表总箱一台.(四层共7 户,每户装一台三相电表,加装一台电表 DTS-2026。)3.20#楼一层加装电表总箱一台、一层加装 T 接箱一台、一层 20—AP2 箱移装、二层加装电表总箱一台、三层加装电表总箱一台.(一层共 9 户,每户装三相一台电表。根据甲方要求,一层需加装20#T 接箱、原一层 20AP2 电箱移到一层电井内安装。)4.22#楼二层加装电表总箱 1 台、三台分户箱(电表总箱进线电缆 YJV—4*70+1*35 长 10 米,分户箱安装 100*100 的桥架 10 米,穿 YJV-4*25+1*16 的电缆 36 米。四层加装分户箱一台,按装 300*100 桥架 3 米,穿电缆 YJV—4*70+1*35 一根 4 米,电表箱内三相10 户单相 2 户.五层加装分户箱一台,按装 300*100 桥架 3 米,穿电缆 YJV-4*70+1*35 一根 4 米,电表箱内三相 10 户单相 4 户。六层加装分户箱一台,按装 300*100 桥架 3 米,穿电缆 YJV—4*70+1*35一 根 7 米 , 电 表 箱 内 三 相 8 户 单 相 4 户 。 加 装 电 表 DT862—30(100)2 台及断路器辅料。)5.23#楼一层加装动力柜 WDAW1、二层加装动力柜 WDAW2、穿一层电井至二层公共电表箱缺失电缆 YJV—4*50+1*25 一根长 10 米.6.25#楼 AP1 动力柜现场改造、AP2 动力柜现场改造、AP3 动力柜改造。7.33#楼楼顶更换室外防雨配电箱 4 台(600*700*300 2 台、600*900*300 2 台),二~五层根据甲方商家要求按装开关(DZ47—LE—C20A 两台、RMDNPC32A 十二台、DZ47-63C16A 二台.)8.36#楼一层电表间加装电表总箱 1 台(三相 3 户)、四层夹层风机箱进线电缆 YJV-5*16 一根长 8 米、四层夹层风机箱进线桥架300*100,长 9 米。 二、施工准备:1。根据甲方办公室、招商运营部、物业要求对水悦城 2#、18#、20#、22#、23#、25#、33...

1、当您付费下载文档后,您只拥有了使用权限,并不意味着购买了版权,文档只能用于自身使用,不得用于其他商业用途(如 [转卖]进行直接盈利或[编辑后售卖]进行间接盈利)。
2、本站所有内容均由合作方或网友上传,本站不对文档的完整性、权威性及其观点立场正确性做任何保证或承诺!文档内容仅供研究参考,付费前请自行鉴别。
3、如文档内容存在违规,或者侵犯商业秘密、侵犯著作权等,请点击“违规举报”。

碎片内容

施工方案范本讲解

您可能关注的文档

确认删除?
VIP
微信客服
  • 扫码咨询
会员Q群
  • 会员专属群点击这里加入QQ群
客服邮箱
回到顶部