电脑桌面
添加小米粒文库到电脑桌面
安装后可以在桌面快捷访问

施工现场临时用电安全验收记录表

施工现场临时用电安全验收记录表_第1页
1/2
施工现场临时用电安全验收记录表_第2页
2/2
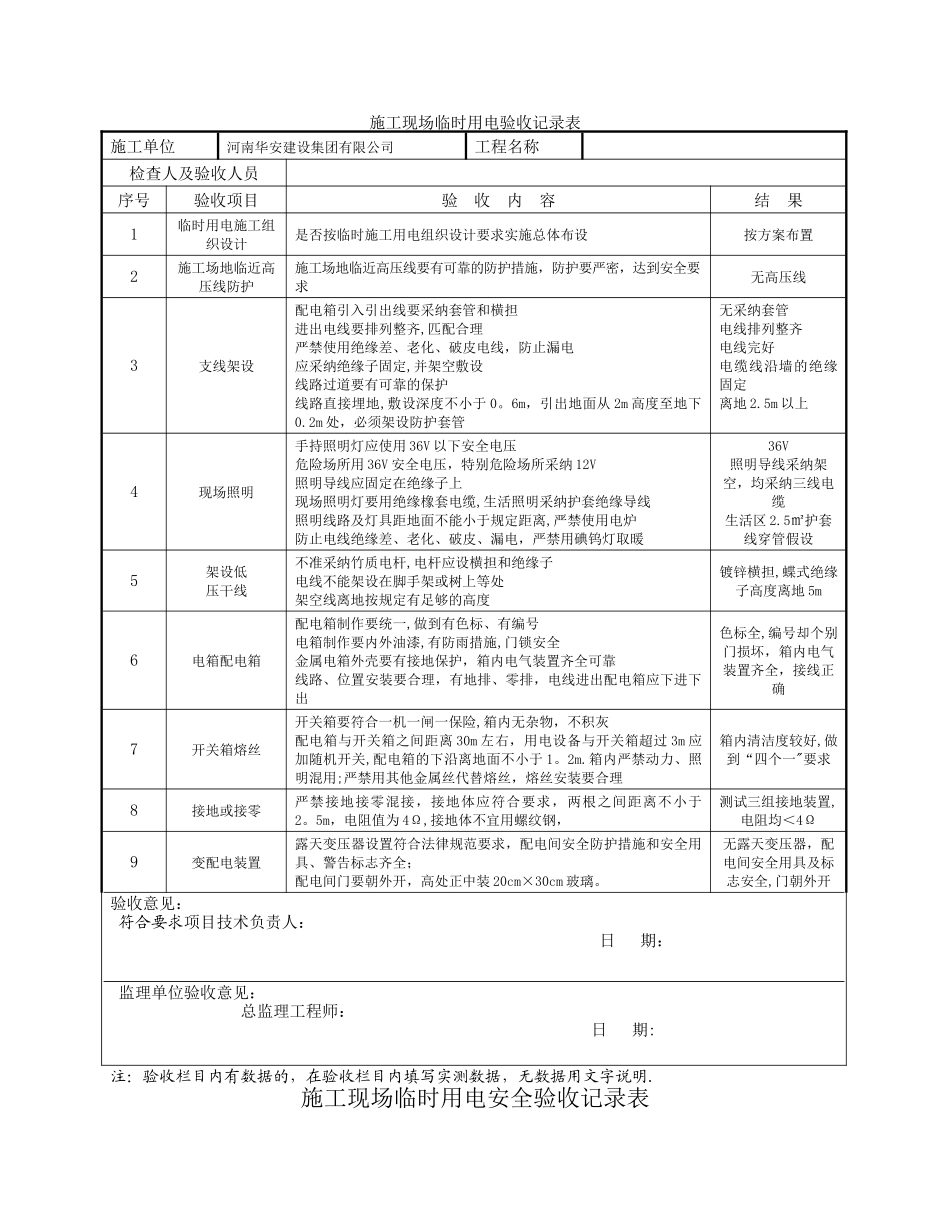
施工现场临时用电验收记录表施工单位河南华安建设集团有限公司工程名称检查人及验收人员序号验收项目验 收 内 容结 果1临时用电施工组织设计是否按临时施工用电组织设计要求实施总体布设按方案布置2施工场地临近高压线防护施工场地临近高压线要有可靠的防护措施,防护要严密,达到安全要求无高压线3支线架设配电箱引入引出线要采纳套管和横担进出电线要排列整齐,匹配合理严禁使用绝缘差、老化、破皮电线,防止漏电应采纳绝缘子固定,并架空敷设线路过道要有可靠的保护线路直接埋地,敷设深度不小于 0。6m,引出地面从 2m 高度至地下0.2m 处,必须架设防护套管无采纳套管电线排列整齐电线完好电缆线沿墙的绝缘固定离地 2.5m 以上4现场照明手持照明灯应使用 36V 以下安全电压危险场所用 36V 安全电压,特别危险场所采纳 12V照明导线应固定在绝缘子上现场照明灯要用绝缘橡套电缆,生活照明采纳护套绝缘导线照明线路及灯具距地面不能小于规定距离,严禁使用电炉防止电线绝缘差、老化、破皮、漏电,严禁用碘钨灯取暖36V照明导线采纳架空,均采纳三线电缆生活区 2.5㎡护套线穿管假设5架设低压干线不准采纳竹质电杆,电杆应设横担和绝缘子电线不能架设在脚手架或树上等处架空线离地按规定有足够的高度镀锌横担,蝶式绝缘子高度离地 5m6电箱配电箱配电箱制作要统一,做到有色标、有编号电箱制作要内外油漆,有防雨措施,门锁安全金属电箱外壳要有接地保护,箱内电气装置齐全可靠线路、位置安装要合理,有地排、零排,电线进出配电箱应下进下出色标全,编号却个别门损坏,箱内电气装置齐全,接线正确7开关箱熔丝开关箱要符合一机一闸一保险,箱内无杂物,不积灰配电箱与开关箱之间距离 30m 左右,用电设备与开关箱超过 3m 应加随机开关,配电箱的下沿离地面不小于 1。2m.箱内严禁动力、照明混用;严禁用其他金属丝代替熔丝,熔丝安装要合理箱内清洁度较好,做到“四个一"要求8接地或接零严禁接地接零混接,接地体应符合要求,两根之间距离不小于2。5m,电阻值为 4Ω,接地体不宜用螺纹钢, 测试三组接地装置,电阻均<4Ω9变配电装置露天变压器设置符合法律规范要求,配电间安全防护措施和安全用具、警告标志齐全;配电间门要朝外开,高处正中装 20cm×30cm 玻璃。无露天变压器,配电间安全用具及标志安全,门朝外开验收意见:符合要求项目技术负责人:日 期:监理单位验收意见: 总监理工程师: 日 期:注:验收栏目内有数据的,在验收栏目内填...

1、当您付费下载文档后,您只拥有了使用权限,并不意味着购买了版权,文档只能用于自身使用,不得用于其他商业用途(如 [转卖]进行直接盈利或[编辑后售卖]进行间接盈利)。
2、本站所有内容均由合作方或网友上传,本站不对文档的完整性、权威性及其观点立场正确性做任何保证或承诺!文档内容仅供研究参考,付费前请自行鉴别。
3、如文档内容存在违规,或者侵犯商业秘密、侵犯著作权等,请点击“违规举报”。

碎片内容

施工现场临时用电安全验收记录表

文旅传媒+ 关注
实名认证
内容提供者

传播文化,成就未来

确认删除?
VIP
微信客服
  • 扫码咨询
会员Q群
  • 会员专属群点击这里加入QQ群
客服邮箱
回到顶部