电脑桌面
添加小米粒文库到电脑桌面
安装后可以在桌面快捷访问

施工现场用电负荷计算

施工现场用电负荷计算_第1页
1/7
施工现场用电负荷计算_第2页
2/7
施工现场用电负荷计算_第3页
3/7
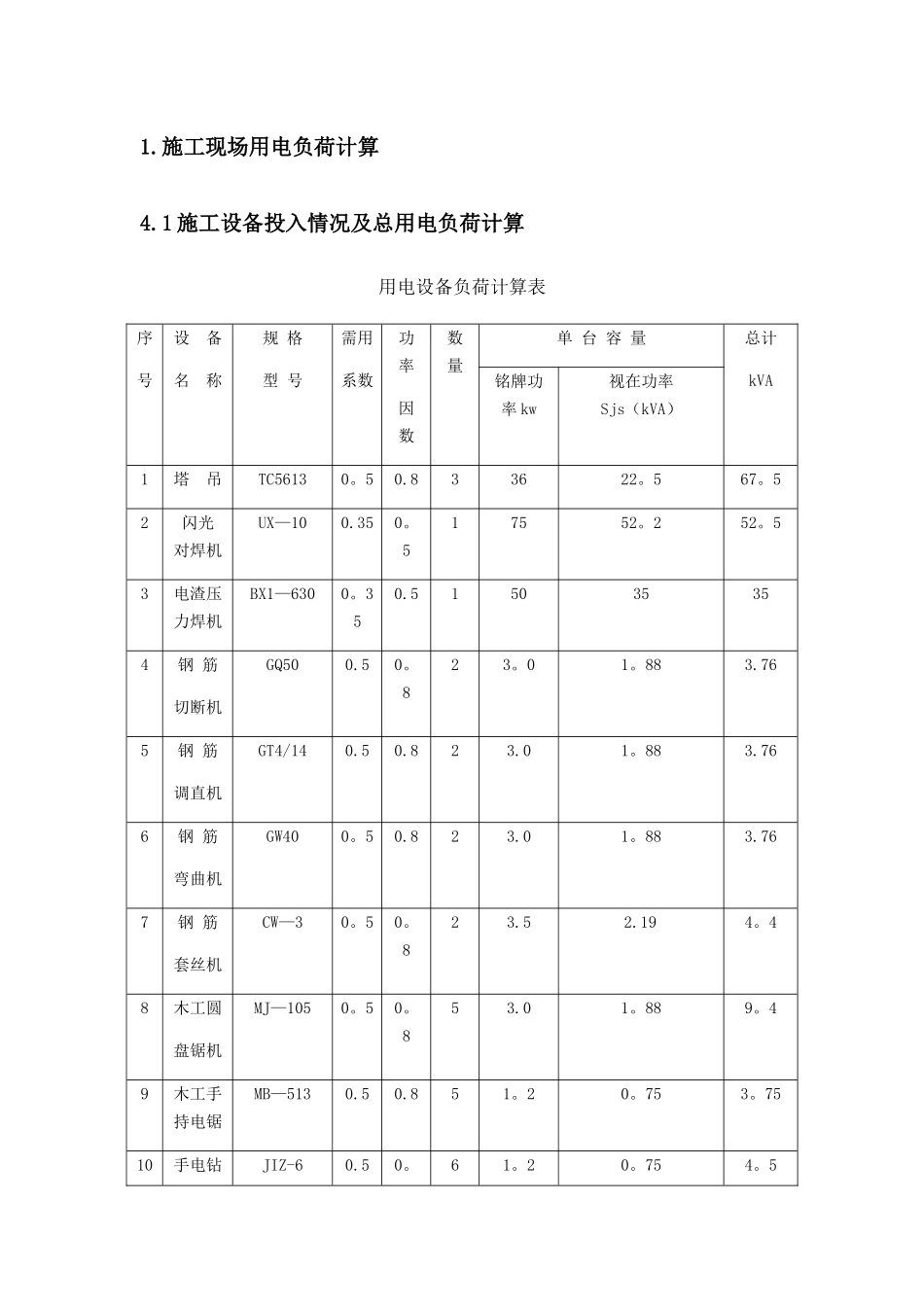
1.施工现场用电负荷计算4.1 施工设备投入情况及总用电负荷计算用电设备负荷计算表序号设 备名 称规 格型 号需用系数功率因数数量单 台 容 量总计kVA铭牌功率 kw视在功率Sjs(kVA)1塔 吊TC56130。50.833622。567。52闪光 对焊机UX—100.350。517552。252。53电渣压力焊机BX1—6300。350.515035354钢 筋切断机GQ500.50。823。01。883.765钢 筋调直机GT4/140.50.823.01。883.766钢 筋弯曲机GW400。50.823.01。883.767钢 筋套丝机CW—30。50。823.5 2.194。48木工圆盘锯机MJ—1050。50。853.01。889。49木工手持电锯MB—5130.50.851。20。753。7510手电钻JIZ-60.50。61。20。754。5811平板 振动器ZF55—100。50.820.50。310。6212针式 振动棒2×500.50。831.10。692。0713立式 台钻Φ160.50。831。50.942。8214砂轮 切割机CJ-4000。50.823.01。883.7515砂浆 搅拌机JS2500。50.825。53。44716电锤Φ6-380.50.851.00.633。1317空压机3W-1.0/70。50.81159。389。3818 增压泵30m0.50。82159.3818.7619现场 照明0。50。842。01.25520沟通 电焊机BX-3000。50.82127。51521办公生活区用电0.50。8200125125合 计铭牌功率594视在功率380。86根据上述各变压器用电负荷计算,总的视在功率为 380.86KVA<额定容量 500KVA,故现场业主提供的一台 500KVA 变压器能够满足现场施工用电需求。2.电缆导线选型、截面选择5。1 导线选型依据配电线路导线的选择主要是选择导线的截面,要同时满足三个条件:a。机械强度的要求。b.容许电流的要求 I=KP/V cosф(三相五线制线路);I=P/V cosф(二相制线路)式中: I-容许电流 (A) P—电力负荷(KVA) K—需用系数 V—线路电压 (V) cosф-功率因数根据计算的容许电流查找不同类型的导线截面。c.容许电压要求:就是把电压限制在容许的范围内,确保电压的质量。(1)U%=∑PL/(C*S)=∑M/(C*S)≤ε 式中,S—导线截面(mm²)P 一负荷的电功率或导线输送的电功率L—输送电路的距离C-系数,视导线材料送电电压及配电力方式而定,铜线取 76.5,铝线取46。2ε—容许的电压降,取 5%(供电营业规则)(2)电阻率 ρ 铜为 0。018 欧*㎜2/米 铝为 0.028 欧*㎜3/米 I=P/1。732*U*COSØ 电阻 R=ρl/电缆截面 电压降△U=IR<5%U 就达到要求了(5%U=0。05*380=19V) .5。2 各主要回路配电系统表一级配电柜二级配电箱用电设备或区域电箱从变压器引出的 1#总配电柜(1ZP—0...

1、当您付费下载文档后,您只拥有了使用权限,并不意味着购买了版权,文档只能用于自身使用,不得用于其他商业用途(如 [转卖]进行直接盈利或[编辑后售卖]进行间接盈利)。
2、本站所有内容均由合作方或网友上传,本站不对文档的完整性、权威性及其观点立场正确性做任何保证或承诺!文档内容仅供研究参考,付费前请自行鉴别。
3、如文档内容存在违规,或者侵犯商业秘密、侵犯著作权等,请点击“违规举报”。

碎片内容

施工现场用电负荷计算

确认删除?
VIP
微信客服
  • 扫码咨询
会员Q群
  • 会员专属群点击这里加入QQ群
客服邮箱
回到顶部