电脑桌面
添加小米粒文库到电脑桌面
安装后可以在桌面快捷访问

施工组织方案(总则)

施工组织方案(总则)_第1页
1/14
施工组织方案(总则)_第2页
2/14
施工组织方案(总则)_第3页
3/14
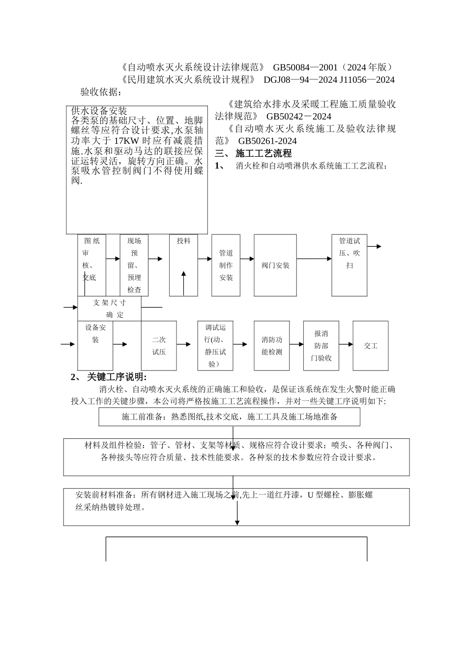
上海奉贤生物医药化产业基地开发项目一期(Ⅱ)标段121#水痘减毒活疫苗生产厂房消防工程(水系统)施工方案编制班组:上海同济建设有限公司奉贤生物医药化产业基地开发项目一期(Ⅱ)标段安装部编制人:高建辉 审批人:傅小杰编制日期:2024 年 06 月 20 日目 录一、 工程概况二、 编制依据三、 施工工艺流程四、 施工方案及技术措施五、 系统调试六、 系统自检验收七、 人员、施工机具配备及主要材料表八、 现场安全施工组织措施九、 施工进度计划表一、工程概况奉贤生物医药产业化基地开发项目一期(Ⅱ标段)水痘减毒活疫苗生产厂房(121)工程消防水系统,该系统包括室内喷淋系统、室内消火栓系统的施工。 本工程属于医药生产厂房,质量要求高,工程单风光积大,层高较高,与机电、通风等其他施工班组配合施工,工期紧,施工复杂。二、编制依据依据消防工程设计图纸。根据国家有关施工验收法律规范、规程和上海市有关法令、法规。依据上海消防部门质量验收标准。工程施工选用部分法律规范、规程、质量标准:《建筑设计防火法律规范》 GB50016—2024《建筑给水排水设计法律规范》 GB50015—2024(2024 版)《自动喷水灭火系统设计法律规范》 GB50084—2001(2024 年版)《民用建筑水灭火系统设计规程》 DGJ08—94—2024 J11056—2024验收依据:《建筑给水排水及采暖工程施工质量验收法律规范》 GB50242-2024《自动喷水灭火系统施工及验收法律规范》 GB50261-2024三、 施工工艺流程1、 消火栓和自动喷淋供水系统施工工艺流程:图 纸审核、交底现场预留、预埋检查投料管道制作安装阀门安装管道试压、吹扫支 架 尺 寸确 定设备安装二次试压调试运行(动、静压试验)消防功能检测报消防部门验收交工2、 关键工序说明:消火栓、自动喷水灭火系统的正确施工和验收,是保证该系统在发生火警时能正确投入工作的关键步骤,本公司将严格按施工工艺流程操作,并对一些关键工序说明如下:施工前准备:熟悉图纸,技术交底,施工工具及施工场地准备材料及组件检验:管子、管材、支架等材质、规格应符合设计要求;喷头、各种阀门、各种接头等应符合质量、技术性能要求。各种泵的技术参数应符合设计要求。安装前材料准备:所有钢材进入施工现场之前,先上一道红丹漆,U 型螺栓、膨胀螺丝采纳热镀锌处理。供水设备安装各类泵的基础尺寸、位置、地脚螺丝等应符合设计要求,水泵轴功率大于 17KW 时应有减震措施.水泵和驱动马达的联接应保证运...

1、当您付费下载文档后,您只拥有了使用权限,并不意味着购买了版权,文档只能用于自身使用,不得用于其他商业用途(如 [转卖]进行直接盈利或[编辑后售卖]进行间接盈利)。
2、本站所有内容均由合作方或网友上传,本站不对文档的完整性、权威性及其观点立场正确性做任何保证或承诺!文档内容仅供研究参考,付费前请自行鉴别。
3、如文档内容存在违规,或者侵犯商业秘密、侵犯著作权等,请点击“违规举报”。

碎片内容

施工组织方案(总则)

您可能关注的文档

确认删除?
VIP
微信客服
  • 扫码咨询
会员Q群
  • 会员专属群点击这里加入QQ群
客服邮箱
回到顶部