电脑桌面
添加小米粒文库到电脑桌面
安装后可以在桌面快捷访问

施工组织设计方案(简单)

施工组织设计方案(简单)_第1页
1/19
施工组织设计方案(简单)_第2页
2/19
施工组织设计方案(简单)_第3页
3/19
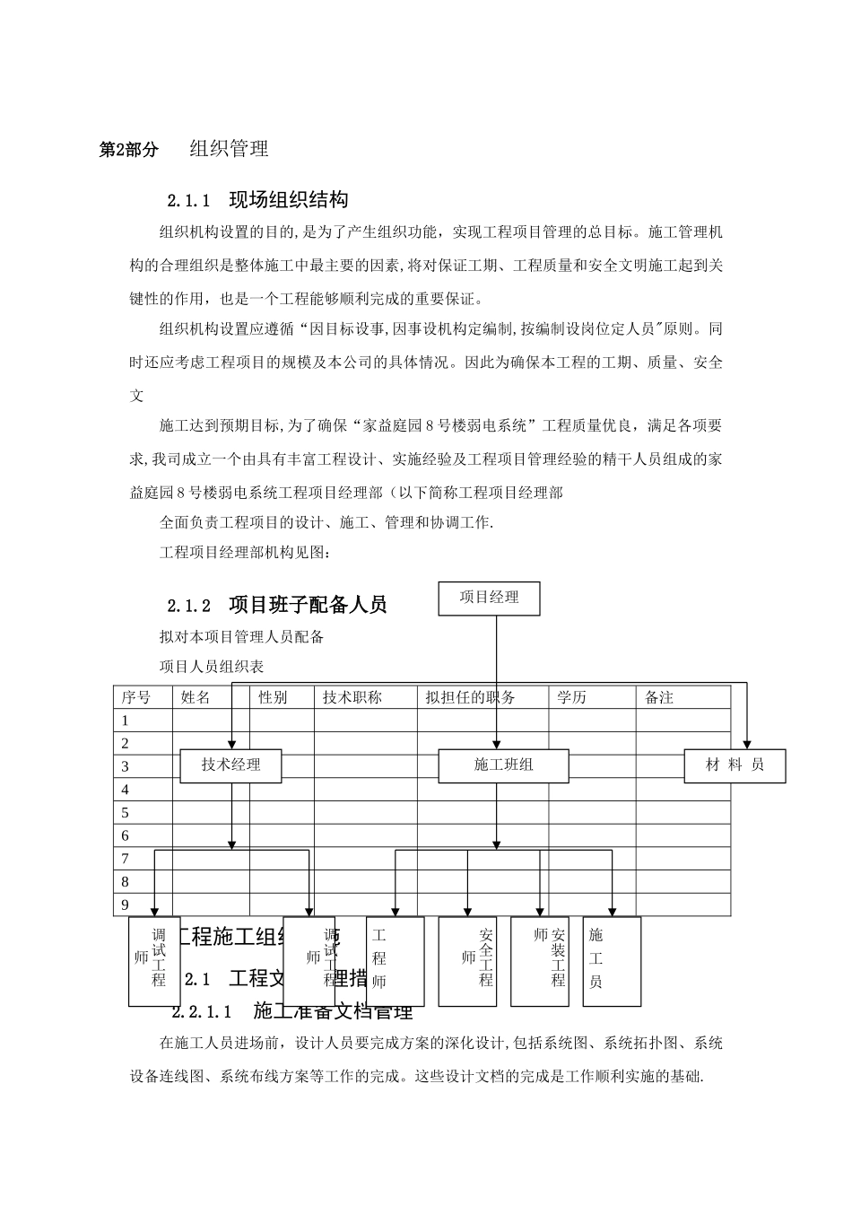
施工组织设计方案1.1 工程概况1.1.1工程简介XXXX 工程属于 XXXX 有限公司,位于 XX 市 XX 区 XXX 路 XXX 号,处于交通干道上.工程类别为 XXXX 场所,因此按“无人值班”(少人值守)原则设计,采纳计算机监控系统.1.1.2工程实施目标1.1.2.1工期目标工程建设施工工期,我方将按业主提出的要求合理安装工期,加强协调管理,使得各施工顺序,衔接关系适当,施工科学、合理,保证计划总工期实现,力争提前竣工.1.1.2.2质量目标加强质量检查管理,建立质量管理体系,狠抓施工过程控制,使项目各系统均符合国家现行各项智能化系统工程设计、施工法律规范和质量验收合格标准1.1.2.3环境保护目标实行有效措施,避开施工扰民,最大限度地减少对环境的污染。1.1.2.4安全生产目标建立完整的安全管理体系,整个工程期间杜绝死亡及重伤事故,轻伤事故不超过0。5%,年工伤频次在 1‰以下。1.1.2.5文明施工目标配合土建、设备安装达到市级以上文明施工场地和标准化现场.1.1.2.6工程特点其特点体现在以下几个方面:1) 有用性:系统的配置和设计最大限度的满足大楼业务和物业管理的各项需求.2) 先进性:系统总体定位为国内领先,具备我国当今智能化大楼主流技术及性能,采纳国际或国内目前的先进技术,并考虑到今后将会出现的新技术,设计具有一定的前瞻性,确保系统在建成运行后的较长时间内不落后.3) 可靠性:系统选用的技术或配套设备采纳 “主流”技术和产品,是在实际工程广泛应用的成熟可靠的先进技术或产品,保证系统的长期正常运行。4) 整个智能化弱电系统相对独立,又存在着一定的相互关联,体现系统的整体性、相关性、联动性。5) 可扩展性:本次设计充分考虑到未来技术进展和使用要求的变化,系统功能扩展和技术提升的可能性,充分保护投资,保证可持续进展的要求,确保业主的投资效益.6) 设计符合相关国际、国家及行业法律规范及标准.采纳国际及行业开放的技术标准和标准化的产品,避开系统互联或扩展出现障碍。7) 安全性:包括系统自身安全和信息传递的安全.8) 强调以人为本的设计思想,为大楼的用户提供安全、舒适、方便、快捷、高效、环保的生活、工作环境。第2部分组织管理2.1.1现场组织结构组织机构设置的目的,是为了产生组织功能,实现工程项目管理的总目标。施工管理机构的合理组织是整体施工中最主要的因素,将对保证工期、工程质量和安全文明施工起到关键性的作用,也是一个工程能够顺利完成的重要保证。组织机构设置应遵循...

1、当您付费下载文档后,您只拥有了使用权限,并不意味着购买了版权,文档只能用于自身使用,不得用于其他商业用途(如 [转卖]进行直接盈利或[编辑后售卖]进行间接盈利)。
2、本站所有内容均由合作方或网友上传,本站不对文档的完整性、权威性及其观点立场正确性做任何保证或承诺!文档内容仅供研究参考,付费前请自行鉴别。
3、如文档内容存在违规,或者侵犯商业秘密、侵犯著作权等,请点击“违规举报”。

碎片内容

施工组织设计方案(简单)

确认删除?
VIP
微信客服
  • 扫码咨询
会员Q群
  • 会员专属群点击这里加入QQ群
客服邮箱
回到顶部