电脑桌面
添加小米粒文库到电脑桌面
安装后可以在桌面快捷访问

2025年模具钢材选购指南

2025年模具钢材选购指南_第1页
1/7
2025年模具钢材选购指南_第2页
2/7
2025年模具钢材选购指南_第3页
3/7
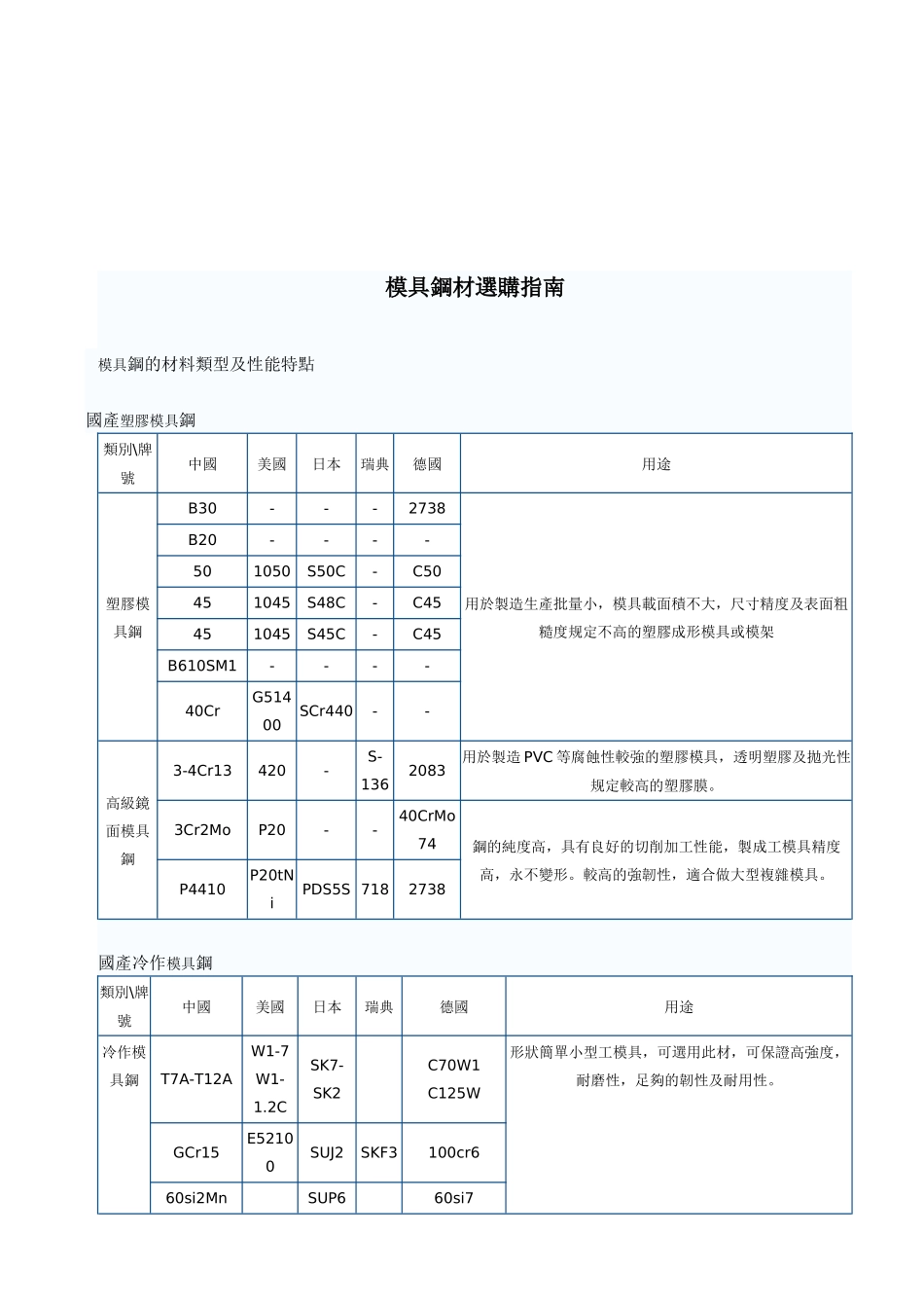
模具鋼材選購指南模具鋼的材料類型及性能特點國產塑膠模具鋼 類別\牌號中國美國日本瑞典德國用途塑膠模具鋼B30---2738用於製造生產批量小,模具載面積不大,尺寸精度及表面粗糙度规定不高的塑膠成形模具或模架 B20----501050S50C-C50451045S48C-C45451045S45C-C45B610SM1----40CrG51400SCr440--高級鏡面模具鋼3-4Cr13420-S-1362083用於製造 PVC 等腐蝕性較強的塑膠模具,透明塑膠及拋光性规定較高的塑膠膜。3Cr2MoP20--40CrMo74鋼的純度高,具有良好的切削加工性能,製成工模具精度高,永不變形。較高的強韌性,適合做大型複雜模具。P4410P20tNiPDS5S 7182738國產冷作模具鋼 類別\牌號中國美國日本瑞典德國用途冷作模具鋼T7A-T12AW1-7 W1-1.2C SK7-SK2 C70W1 C125W形狀簡單小型工模具,可選用此材,可保證高強度,耐磨性,足夠的韌性及耐用性。GCr15E52100SUJ2SKF3100cr660si2MnSUP660si716Mn電機軸CrWMnSKS31105WCr6下料模、沖頭、成形模、搓絲板頂出杆及小型塑膠壓模等。Cr12D3SKD1X210Cr12應用於小動載條件下规定高耐磨形狀簡單的拉伸和沖載模。Cr12MoVX165CrMov12下料模、沖頭、滾絲輪、剪刀片、冷鐓模、陶土模及熱固塑膠成形模等。Cr12Mo1V1D2SKD11XW-42X155CrVMo121重型落料模、冷擠壓模、深拉伸模、滾絲模、剪刀片、冷鐓模、陶土模等。國產熱作模具鋼 類別\牌號中國美國 日本瑞典德國用途熱作模具鋼5CrMnMo----用於製造形狀簡單,厚度小於 250 毫米的小型錘鍛模。5CrNiMoL6---用於製造商形狀簡單,工作溫度一般,厚度在 250~350 毫米之間的中型熱錘鍛模組。5CrNiMoV-SKT4-56CrNiMoV7用於製造厚度>350 毫米,型腔複雜,受力載荷較大的大型錘鍛模或鍛造壓力機熱鍛模。4Cr5MoSiV1H13SKD618407X40CrMoV51用於製造衝擊載荷較大,型腔複雜的長壽命錘鍛模或鍛造壓力機用模具或鑲塊;以及鋁合金擠壓模,鋁鎂鋅等金屬長壽命壓鑄模具,部分高壽命高耐磨塑膠模具。5Cr2NiMovSi----用於鍛錘模具鋼具有良好的韌性,強度和耐磨性,淬透性,適用於製作工作。大面積複雜形狀,承受衝擊負荷重的大、中型,錘鍛模用材,5CrNiMo。5CrMnMo、H13 等熱模鋼1.5 倍~2.5 倍。YSS]日立金属所出产之安来钢 YSS,是同精选之高纯度的“真砂铁矿砂”通过自创的“低温还原法”精练,成功创出 YSS 海棉铁(Sponge lrron)作为原铁,令钢中杂质含量减到很少。并使用高质电熔炉及精密仪器提练,所有练制环节(如热作、冷作、热处理)均经严格控制。...

1、当您付费下载文档后,您只拥有了使用权限,并不意味着购买了版权,文档只能用于自身使用,不得用于其他商业用途(如 [转卖]进行直接盈利或[编辑后售卖]进行间接盈利)。
2、本站所有内容均由合作方或网友上传,本站不对文档的完整性、权威性及其观点立场正确性做任何保证或承诺!文档内容仅供研究参考,付费前请自行鉴别。
3、如文档内容存在违规,或者侵犯商业秘密、侵犯著作权等,请点击“违规举报”。

碎片内容

2025年模具钢材选购指南

您可能关注的文档

确认删除?
VIP
微信客服
  • 扫码咨询
会员Q群
  • 会员专属群点击这里加入QQ群
客服邮箱
回到顶部