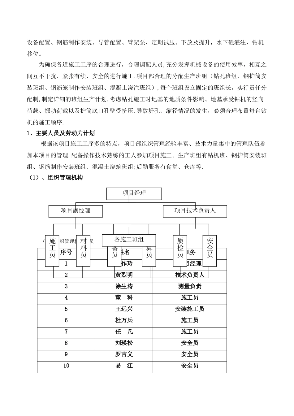
电脑桌面
添加小米粒文库到电脑桌面
安装后可以在桌面快捷访问

明月江南桩基旋挖法桩基施工方案

明月江南桩基旋挖法桩基施工方案_第1页
1/52
明月江南桩基旋挖法桩基施工方案_第2页
2/52
明月江南桩基旋挖法桩基施工方案_第3页
3/52
旋挖桩专项施工方案目 录一、编制依据二、工程概况三、施工部署四、施工进度计划及工期保证措施五、施工顺序六、施工方案及主要技术措施七、旋挖桩施工应急预案八、工程质量保证措施九、安全生产保证措施十、雨季施工及场地排水措施十一、现场标化管理、文明施工和环境保护措施一、 编制依据1、设计施工图纸、岩土工程勘察报告、施工合同及文件。2、现行法律规范、标准:(1)、工程测量法律规范(GB50026—2024)(2)、建筑地基基础工程施工质量验收法律规范(GB50202-2024)(3)、钢筋焊接及验收规程(JGJ18-2024)(4)、混凝土强度检验评定标准(GBT 50107—2024)(5)、《建筑桩基技术法律规范》(JGJ94—2024);(6)、混凝土结构工程施工质量验收法律规范(GB50204—2024-2024 版)(7)、建筑工程施工质量验收统一标准(GB50300-2024)(8)、施工现场临时用电安全技术法律规范(JGJ46-2024)(9)、建筑机械使用安全技术规程(JGJ33—2024)(10)、建筑施工安全检查标准(JGJ59—2024)(11)、建筑施工现场环境与卫生标准(JGJ146—2024)(12)、职业健康安全管理体系标准(GB/T28001:2024)(13)、《建筑施工场界环境噪声排放标准》GB12523—2024(14)、《环境保护管理标准》QG/PG0076—2024(15)、《污水综合排放标准》GB8978-1996(16)、《大气污染物综合排放标准》DB31—933-2024(17)、《旋挖成孔灌注桩工程技术规程》DBJ50—156—20243、施工现场情况二、 工程概况1、本工程为明月江南工程桩基施工工程,位于巴滨路。根据地勘资料本工程地质情况为:素填土:杂色,主要成分为粉质粘土及卵石、砂泥岩碎块石组成,表层多为红砖块、砼块等建筑垃圾,局部地带存在生活垃圾,碎块粒径一般 20~70cm。该层厚度 0.60~7。80m。该层分布于场地表层。粉质粘土:灰黄色,局部为灰黑色,软塑~可塑状,干强度中等,任性中等,无摇于震反应,砂感强,该层厚度 0。9—17。50m,该层广泛分布于场地填土以下。粉土:灰黄色,含云母片,稍湿,稍密。摇振反应中等,无光泽反应,干强度低,韧性低。经钻探揭露,该层厚度 1。1-6.1m,在场地内仅局部分布,呈透镜状,夹层状分布.卵石土:杂色,主要由大量的卵石、灰黄色粘粒及粉粒等组成,局部钻孔为细~中砂,卵石粒径约 2~30cm,母岩主要为石英砂岩、灰岩等,磨圆较好,以圆~亚圆状为主,含量约 35~50%,分选较好,级配良好,结构稍密~中密。该层在场地内广泛分布。钻探揭露深度2。0-9。7m。泥岩(Ms):紫红色...

1、当您付费下载文档后,您只拥有了使用权限,并不意味着购买了版权,文档只能用于自身使用,不得用于其他商业用途(如 [转卖]进行直接盈利或[编辑后售卖]进行间接盈利)。
2、本站所有内容均由合作方或网友上传,本站不对文档的完整性、权威性及其观点立场正确性做任何保证或承诺!文档内容仅供研究参考,付费前请自行鉴别。
3、如文档内容存在违规,或者侵犯商业秘密、侵犯著作权等,请点击“违规举报”。

碎片内容

明月江南桩基旋挖法桩基施工方案

您可能关注的文档

确认删除?
VIP
微信客服
  • 扫码咨询
会员Q群
  • 会员专属群点击这里加入QQ群
客服邮箱
回到顶部