电脑桌面
添加小米粒文库到电脑桌面
安装后可以在桌面快捷访问

易制爆化学品管理规定

易制爆化学品管理规定_第1页
1/3
易制爆化学品管理规定_第2页
2/3
易制爆化学品管理规定_第3页
3/3
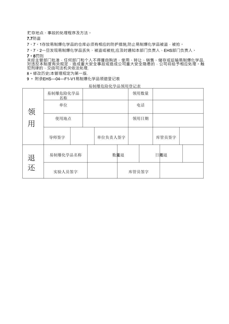
1.题目:易制爆化学品管理规定2.目的:为加强易制爆化学品的管理,确保易制爆化学品购买、运输、贮存、使用和处置安全,特制定本管理制度。3.适用范围:适用于本公司易制爆化学品的管理。4。常用表格:EHS-04-F1—V1易制爆化学品领退登记表5。术语和定义:易制爆是指化学品可以作为原料或辅料而制成爆炸品的性质。易制爆化学品通常包括:强氧化剂,可/易燃物,强还原剂,部分有机物.6。职责和权限:6.1采购部负责易制爆化学品的使用许可证申请及采购。6。2仓库负责易制爆化学品的验收、储存及出入库管理。6。3使用部门负责按要求进行试验操作,确保易制爆化学品使用安全。6。4 EHS部门负易制爆化学品的监控和合法性控制管7。1易制爆化学品的申购7.1.1使用部门或DSC填写“EHS-02—F1-V2剧毒、易制毒及监控化学品购买申请表”,从严申购,严格实行逐级审批制度,需经部门负责人、环境健康与安全部门负责人、采购部门负责人批准后方可申购。7.1。2采购部应按政府要求,先到政府部门办理相关购用证明,获准后方可实施采购.7。1。3采购部应选择有资质的供应商购买易制爆化学品,并确保运输安全。7。2易制爆化学品的出入库及储存7.2.1易制爆化学品必须放置在易制爆化学品专用柜中,贮存地点必须设立明显的易制爆化学品标志。7.2.2易制爆化学品的出入库及储存管理执行“DSC-03 剧毒、易制毒及监控化学品出入库及储存管理规定”.7.2.3仓库应每月一次对易制爆化学品的管理进行检查,并填写“EHS—02-F2—V2剧毒、易制毒及监控化学品统计表",确保帐物相符。7。3易制爆化学品的领取7.3.1易制爆化学品领用应“用多少,领多少"的原则。领取时应填写“EHS-04-F1-V1易制爆化学品领退登记表",由实验室组长与总监签字批准后方可领取。DSC收到“EHS—04-F1-V1易制爆化学品领退登记表”,应仔细检查确认表格上填写各项信息无误、确认领取人是本人领取,方可进行发放。7.3。1。1“导师签字”一栏:由本小组组长(Team leader)或本组组长(Groupleader)签字批准.“单位负责人签字"由总监(Director)签字批准;7.3。1。2“库管员签字”一栏:由DSC库管员签字。;7。3.1。3严禁不同小组组长(Teamleader)或组长(Groupleader)或总监(Director)互相代签,违反者将按公司规定进行处理;7。3.1。4严禁伪造签字,一经发现,将立即开除;7.3.2DSC危化管理员收到“EHS-04—F1—V1易制爆化学品领退登记表”,应仔细检查,确认无误后方可根据“剧毒、易制毒及监控化学品出入库及储存...

1、当您付费下载文档后,您只拥有了使用权限,并不意味着购买了版权,文档只能用于自身使用,不得用于其他商业用途(如 [转卖]进行直接盈利或[编辑后售卖]进行间接盈利)。
2、本站所有内容均由合作方或网友上传,本站不对文档的完整性、权威性及其观点立场正确性做任何保证或承诺!文档内容仅供研究参考,付费前请自行鉴别。
3、如文档内容存在违规,或者侵犯商业秘密、侵犯著作权等,请点击“违规举报”。

碎片内容

易制爆化学品管理规定

确认删除?
VIP
微信客服
  • 扫码咨询
会员Q群
  • 会员专属群点击这里加入QQ群
客服邮箱
回到顶部