电脑桌面
添加小米粒文库到电脑桌面
安装后可以在桌面快捷访问

最全施工工艺流程图

最全施工工艺流程图_第1页
1/27
最全施工工艺流程图_第2页
2/27
最全施工工艺流程图_第3页
3/27
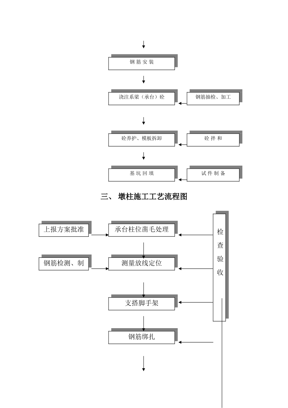
一、 钻孔灌注桩施工工艺流程图施工准备验 孔埋设护筒测量定位清 孔成 孔钻 孔钻机就位设立导管钢筋骨架就位护筒准备测量孔深钢筋实验制作钢筋骨架制备泥浆二、 系梁(承台)施工工艺流程图灌注水下砼拔护筒桩基检测砼面高度测量砼拌和制备试件砼运输测放系梁(承台)平面位垫 层 浇 注基 坑 排 水基 坑 开 挖系梁(承台)模板安装基 坑 处 理桩身质量检测、桩位复核破除桩头处理基坑周边设排水沟系梁(承台)中线测三、 墩柱施工工艺流程图浇注系梁(承台)砼钢 筋 安 装砼养护、模板拆卸基 坑 回 填钢筋抽检、加工试 件 制 备砼 拌 和承台柱位凿毛处理支搭脚手架测量放线定位钢筋绑扎上报方案批准钢筋检测、制 检查验收四、 墩身、桥台施工工艺流程图养 生拆 模浇注墩柱砼墩柱模板支搭检测混凝土强场地平整安装钢筋骨架测量定位浇注砼安装模板钢筋制作运输、砼运输钢筋备料试验制备试件砼备料五、 盖梁(台帽)施工工艺流程图下道工序`拆模养生砼检验施工准备安装牛腿或台背土平整测量放样安装侧模钢筋绑扎铺设底模砼备料砼备料钢筋备料钢筋制作运输六、六、 先张法空心板梁预应力施工工艺流程图浇注砼养 生砼备料模板拆除下道工序制作台座底模张 拉安装预应力筋安装侧模端模安装钢筋钢筋制作模板制作钢筋模板检查七、后张法空心板梁预应力施工工艺流程图养 护放 张浇注砼起吊移梁下道工序测砼强度制作试件场地平整、制作底安装预应力管道及铺垫板安装钢筋安装侧模内模模板制作砼拌和钢筋模板检查钢筋制作八、空心板梁吊装施工工艺流程图安装预应力钢筋张 拉养 护浇注砼压浆、封锚起吊移梁测砼强度制作试件施工准备支座安装测量放样吊车吊装就位支座验收平整场地板梁装车运输九、箱梁安装施工工艺流程图浇注接头砼养 生空心伴梁就位验收下道工序施工准备波纹管设置穿束支座安装测量放样箱梁就位验收架桥机吊装就位支座验收平整场地箱梁装车运输十、 架桥机架梁施工工艺流程图浇注接头砼养 生负弯距区张拉压浆下道工序架桥机拼装架桥机纵移至待架孔位纵移轨道铺设架桥机天车起梁纵运梁车运输施工准备架桥机试吊预制场吊梁装十一、现浇连续箱梁施工工艺流程图横移梁精确对位支承垫石找平每片梁架设支座安装下孔梁架设施工准备底板腹板钢筋绑扎支座安装测量放线定位箱梁底模安装底模支架搭设施工场地平整箱梁底模制作工程师验收上报方案批准钢筋制作箱梁底模安装十二、系梁(承台)施工工艺流程图侧、内...

1、当您付费下载文档后,您只拥有了使用权限,并不意味着购买了版权,文档只能用于自身使用,不得用于其他商业用途(如 [转卖]进行直接盈利或[编辑后售卖]进行间接盈利)。
2、本站所有内容均由合作方或网友上传,本站不对文档的完整性、权威性及其观点立场正确性做任何保证或承诺!文档内容仅供研究参考,付费前请自行鉴别。
3、如文档内容存在违规,或者侵犯商业秘密、侵犯著作权等,请点击“违规举报”。

碎片内容

最全施工工艺流程图

您可能关注的文档

确认删除?
VIP
微信客服
  • 扫码咨询
会员Q群
  • 会员专属群点击这里加入QQ群
客服邮箱
回到顶部