电脑桌面
添加小米粒文库到电脑桌面
安装后可以在桌面快捷访问

最全路基工程工序施工流程及控制要点

最全路基工程工序施工流程及控制要点_第1页
1/39
最全路基工程工序施工流程及控制要点_第2页
2/39
最全路基工程工序施工流程及控制要点_第3页
3/39
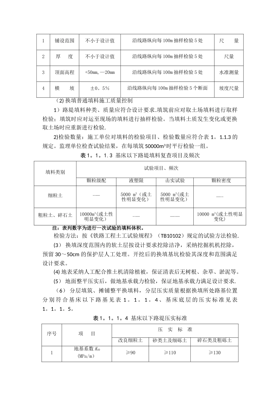
第 1 章 路基工程1 一般地基处理工序质量控制1。1 施工准备地基处理前,在施工场地周围做好临时排水设施.地表处理采纳人工配合挖掘机或推土机按不同的要求分段作业,处理后的基底密实、平整,无草皮、树根等杂物,且无积水.1。2 工序质量控制要点1。2。1 原地面处理1。2。1。1 施工准备(1) 路基用地范围内的树木、灌木丛、房屋建筑等均应在施工前砍伐或移植清理,砍伐的树木应移植于路基用地之外,进行妥善处理。应将路基范围内的树根全部挖除并将填方路段坑穴填平夯实。(2) 修筑临时排水沟,疏干场内积水,使周边水不再进入场内,雨水、渗水随时排出。1。2。1.2 施工方法及质量控制(1) 工艺及质量控制流程见图 1。1。1。1.图 1。1。1。1 原地面处理施工工艺及质量控制流程图(2) 原地面处理前,应对地基地质资料进行核查,路堤地基条件应满足设计要求。当不能满足时,应提出变更设计,实行地基加固处理等措施。检验数量:施工单位沿线路纵向每 100m 检验 2 点,检验方法:静力触探试验等。(3) 原地面坡度陡于 1:5 时,应自上而下挖台阶,并整平碾压,沿线路横向挖台阶的宽度、高度应符合设计要求,沿线路纵向挖台阶的宽度不应小于 2m。(4) 当路堤地基条件满足设计要求时,原地面处理应符合设计要求。处理后的质量检验应根据所处路堤部位分别按表 1。1。1。1 的要求进行检验。表 1.1。1。1 基床以下路堤压实标准序号项 目压 实 标 准改良细粒土砂类土及细砾土碎石类及粗砾土1地基系数 K30 (MPa/m)≥90≥110≥1302孔 隙 率 n (%)--<31<313压实系数 K≥0.90-—-—(5) 原地面处理后的外观质量应符合下列要求:1)基底无草皮、树根等杂物,且无积水.2)原地面基底密实、平整;坑穴处理彻底,无质量隐患。3)横坡应符合设计要求.4)每段地基处理后,由建设单位组织各参建单位进行验收评价,依据施工单位自检记录和监理检查验收记录进行评判,形成验收记录并共同签字,合格后方可进行路基填筑施工.1.2.2 挖除换填1.2.2。1 换填工艺适用于浅层地基处理,挖除需换填的土层,并将底部整平.当底部起伏较大,可设煮台阶或缓坡,并按先深后浅的顺序进行换填施工。1。2。2。2 为防止换填层局部或大面积下沉,换填料应分层铺设夯实,取样检验测定压实后的干质量密度。每层换填料检验合格后方可进行上层施工。1。2。2。3 软土、松软土地基挖除换填地段应根据土质情况和换填深度,将设计范围内淤泥、软土及松软...

1、当您付费下载文档后,您只拥有了使用权限,并不意味着购买了版权,文档只能用于自身使用,不得用于其他商业用途(如 [转卖]进行直接盈利或[编辑后售卖]进行间接盈利)。
2、本站所有内容均由合作方或网友上传,本站不对文档的完整性、权威性及其观点立场正确性做任何保证或承诺!文档内容仅供研究参考,付费前请自行鉴别。
3、如文档内容存在违规,或者侵犯商业秘密、侵犯著作权等,请点击“违规举报”。

碎片内容

最全路基工程工序施工流程及控制要点

您可能关注的文档

确认删除?
VIP
微信客服
  • 扫码咨询
会员Q群
  • 会员专属群点击这里加入QQ群
客服邮箱
回到顶部